[ВХОД]
18.04.26(13:24)

skif.biz

Альтернативная энергия. Оставь надежду, всяк сюда входящий...

🏠 Главная | 📚 Содержание | 💬 Форум | 📁 Файлы | 📩 Контакт
 
Резонансные генераторы
Магнитные генераторы
Механические центробежные (вихревые) генераторы
Электростатические генераторы
Водородные генераторы
Ветро- и гидро- и солнечные генераторы
Прочие идеи (разные)
О форуме
Транспорт
Оружие
Научные идеи, теории, предположения...
Экономия топлива
Коммерческие вопросы
Струйные технологии
Торсионные генераторы
Новые технологии
Барахолка
Патентный отдел
Конструкторское бюро
Нейтронная физика
Торнадо и смерчи
Гравитация и антигравитация
Сделай сам. Советы.
Медицина и здравоохранение

📱 | 🖨️

Форум - Прочие идеи (разные) - Схемотехника - Готовые конструкции и модули - модернизация,обсуждение - Стр:1
[ 1 | 2 ] [>
Модератор: AlexZander
AlexZander | Post:128802 - Date: 22.08.08(14:33)
Обсуждение конструкций размещенных в теме Готовые конструкции и модули (схемы, платы, описания)

Флуд, ругань наезды на личности, наезды за нетрадиционное использование конструкций (типа "почему сгорела микросхема, я же всего лишь от розетки запитал" или "а я в затвор киловольт подаю - полевики горят") будут удаляться.

Счастливого плавания!

PS: Админ! Глюк в форуме нашел - первое сообщение в форуме создал, потом перенес туда сообщения из другой ветки - и оно стало не первым. Поправить можно?

AlexZander | Post:128804 - Date: 22.08.08(14:43)

Хотя с дуру можно слепить и такую схему, что и стабилитрон накроется.
Вот это он и имет ввиду. Защиту от дурака. Тоже вещь нужная.

Дык и не даром схема формирователя импульсов дана. Давно известно что драйвер нужно с каскадом раскачки выкладывать что бы не нафантазировать.


Но емкость у стабилитронов приличная.

Татуировку на видном месте золотыми буквами и разглядывать почаще. 😏

roman-uhf | Post:133924 - Date: 30.09.08(19:41)
Что-то архивчик распаковывается , а файл сПлана не открывается . Ругается на недоступный адрес . сПлан 6 , но возможно траблы с библиотеками . Проверяй !

free_energy | Post:133937 - Date: 30.09.08(20:59)
SplanViewer видит файл, а 6.0 действительно не открывает, файл многостраничный однако, любопытно.... спасибо за информацию.

[ссылка]

_________________
\\\"Есть только одно благо — знание, и есть только одно зло — невежество.\\\" Сократ


AlexZander | Post:133984 - Date: 01.10.08(09:39)
Странно это все. Splan 6 с русификатором, стандартные либы...

yurec | Post:133986 - Date: 01.10.08(10:03)
AlexZander. Может Фотку сделаешь? Не каждый пользует SplanViewer.
AlexZander. Ну во первых не замутил, а уже полномасштабные испытания закончил, во вторых он нихрена не резонансный, обычный прямоход...

Я в курсе, что Бармалеевский вариант - обычный прямоходовой инвертор. Мне больше по дуще Климовский вариант резонансного сварочника, там ток ближе к синусу и при переключении потерь меньше, поэтому и сослался на резонансный сврочник.

_________________
Не позволяйте обманывать себя.


AlexZander | Post:133993 - Date: 01.10.08(10:34)
У резонансника свои недостатки - массивный дроссель и его енхилый нагрев. У косого 50% рабочего времени используется на "обслуживание" транса. Мне больше честно говоря полный мост по душе, но так как предлагаемая конструкция "вылизана" практически до винтика... Можно брать и пользоваться...

yurec | Post:133998 - Date: 01.10.08(12:43)
Спорить что лучше, не буду. Это всё равно, что сравнивать российские космические аппараты и пендосовские.
Варит прилично, не ломается, весит не много и компактна. Что ещё нужно сварщику для ЩЯСТИЯ?😶

_________________
Не позволяйте обманывать себя.


lazj | Post:134013 - Date: 01.10.08(14:52)
А параметры трансформатора?

_________________
"Наука - это то, чего быть не может. То что может быть - это уже технический прогресс" (П.Л. Капица) "Делай, что должно и будь, что будет.."


free_energy | Post:134082 - Date: 02.10.08(00:16)
Я думаю не помешает, позволю себе разместить здесь ссылку на отличный сайт для тех кто любит воплощать в материале свои идеи.
image

http://www.instructables.com/

_________________
\\\"Есть только одно благо — знание, и есть только одно зло — невежество.\\\" Сократ


AlexZander | Post:134108 - Date: 02.10.08(09:23)
lazj Пост: 134013 От 01.Oct.2008 (11:52)
А параметры трансформатора?

Ну в описании будет... Ш20x28 2000НМС, провода закручены литцем, витков немного, если память правильно мне изменяет в первичке 8 во вторичке 22 витка.

lazj | Post:134120 - Date: 02.10.08(11:55)
AlexZander, ждем описания 😀 .
А вообще - молодец!!! Полная противоположность флуду. 😀 Спасибо.

_________________
"Наука - это то, чего быть не может. То что может быть - это уже технический прогресс" (П.Л. Капица) "Делай, что должно и будь, что будет.."


Andr | Post:134207 - Date: 02.10.08(20:48)
123
fb470c.zip
Размер: 459.17 KB

AlexZander | Post:134229 - Date: 03.10.08(06:23)
Красивая у бармалея машинка да? 😏 Вот только смотри сколько слесарщины - такой собрать - как блоху подковать, полгода напильником махать. А чего фотку того, который в два раза больше не выложил?

Теперь смотри сюда - первый одноплатный: 😏
image

Разница в том, что технологично. Хотя размер печатной платы 150x250 миллиметров - и на ней размещено абсолютно все. В высоту это хозяйство около ~70 мм. Ужимать далее не вижу смысла - расстояние между проводниками - залог безопасности. Кстати, фотка старая, сейчас он в корпусе и с другим дросселем.


Размер: 120.23 KB

Andr | Post:134252 - Date: 03.10.08(09:47)
AlexZander Пост: 134229 От 03.Oct.2008 (03:23)
А чего фотку того, который в два раза больше не выложил?

Да задевал куда-то основную папку по бармалейкину 😘
Конечно бармалейкин2 это экслюзивный вариан, который больше показывает потенциально возможный уровень, ну и красивый ..че уж там =)

Но начинающим мало подходит для повторения, твой вариант в этом смысле гораздо удобнее ИМХО.

Сам я склоняюсь скорее к схеме Большакова, т.к. меня больше интересует не столько сварочник, сколько мощный БП.
И вот вся комплектуха на него уже год пылится и нет времени заняться..
😕



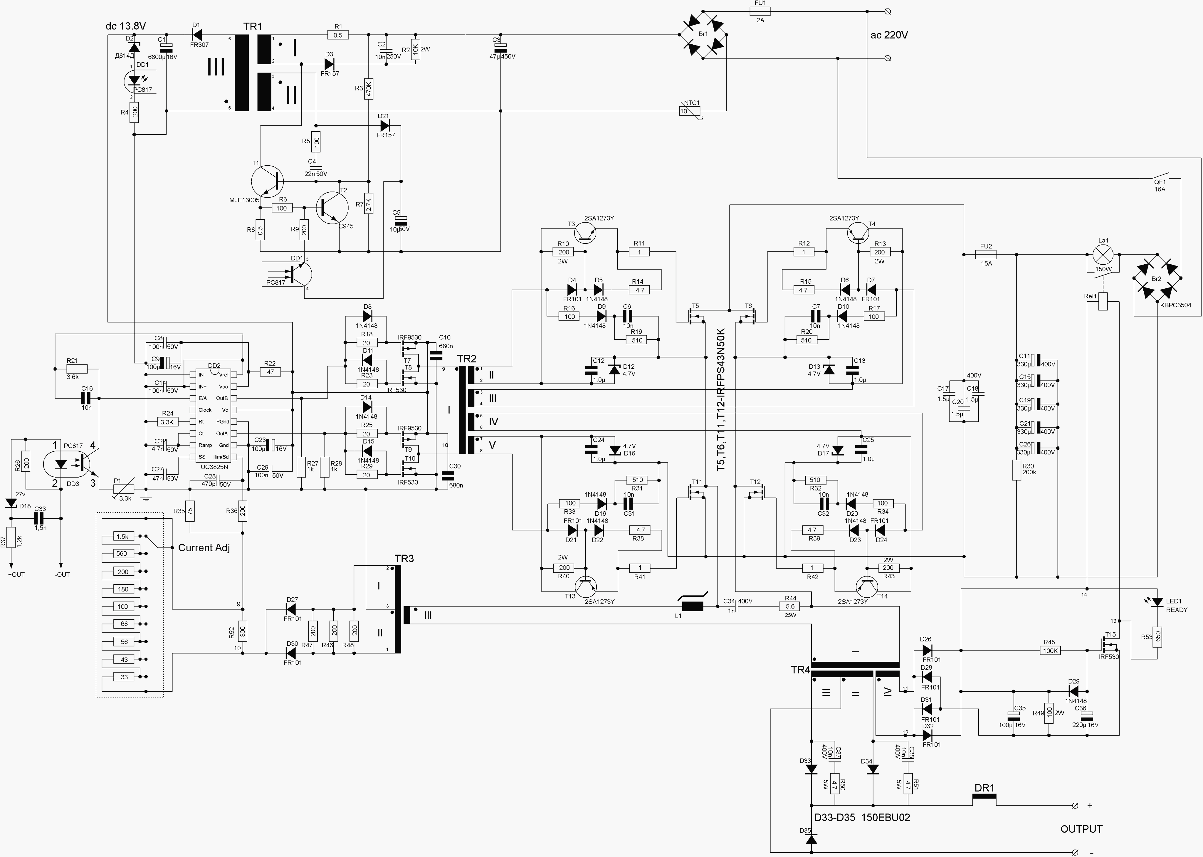
Схема сварочника Большакова
Размер: 253.81 KB

yurec | Post:134253 - Date: 03.10.08(09:54)
Мой друг собрал вариант Клима. Варит пятёркой, режет четвёркой.

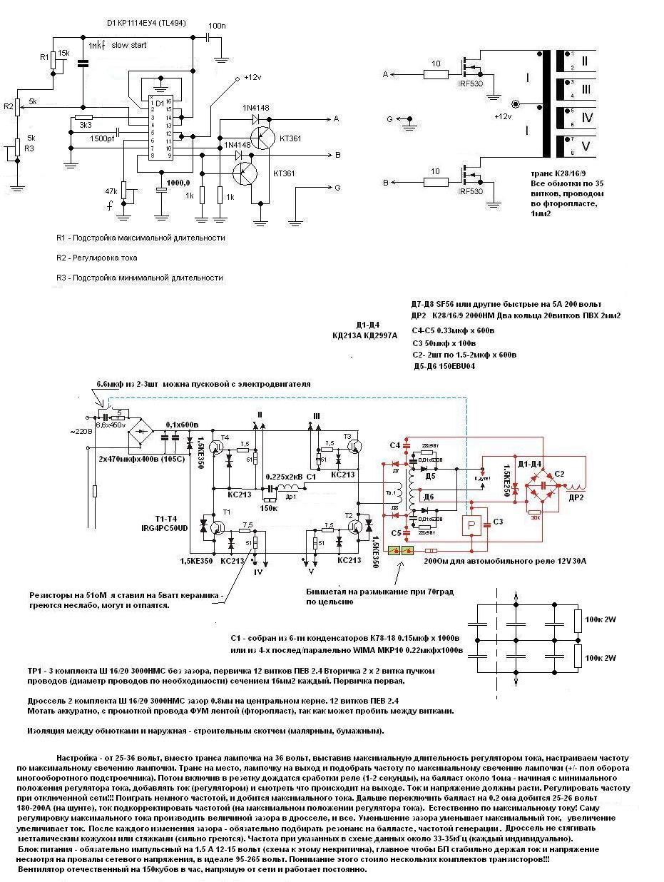
Резонансик Клима
Размер: 202.17 KB

_________________
Не позволяйте обманывать себя.


Владимир_64 | Post:134261 - Date: 03.10.08(10:31)
А какой сварочный ток у сварочника Бармалея?

AlexZander | Post:134262 - Date: 03.10.08(10:31)
Конечно бармалейкин2 это экслюзивный вариан, который больше показывает потенциально возможный уровень, ну и красивый ..че уж там =)

Я его больше как произведение искуства расцениваю...


Но начинающим мало подходит для повторения, твой вариант в этом смысле гораздо удобнее ИМХО.

Да ладно, 1:1 повторять скучно... тут творческий процесс, а силовуха начинающим вообще плохо подходит - транзисторы с наскока горстями жечь - так это купить дешевле... Тут скорее образ жизни...

Сам я склоняюсь скорее к схеме Большакова

Мост - это изначально вещь! Единственное, как блок питания он не годиться - придется активно маслом и специями заправить - иначе помехи и все такое...

AlexZander | Post:134263 - Date: 03.10.08(10:37)
yurec Пост: 134253 От 03.Oct.2008 (06:54)
Мой друг собрал вариант Клима. Варит пятёркой, режет четвёркой.


А сколько весит аппарат друга?

Да и что за розетка у него такая волшебная? 😕 Мой можно клонировать, синхронизировать и в противофазе на 1 дроссель - будет ~250 ампер... Только сеть не потянет...

2 Владимир:
Маленький бармалей 100 ампер, большой - вроде до 200. Мой 120-130(а впрочем хрен его знает, четверкой варит) но это все от транса, ключей, диодов будет плясаться. Главное архитектура стабильная..


pendik | Post:134266 - Date: 03.10.08(11:17)
AlexZander , если Вас не затруднит, не могли бы Вы выложить схемы в каком нибудь более удобном формате?...мой Линух их не может открыть.
Сварка у меня самодельная обычная, давно сделал. (увесистая) .Перемотанный 25А латр на 35А по сети.Вторичка=шина "с палец", регулируемый баластный дроссель из тормозного электромагнита от козлового крана (портального), тепловозные диоды....варю 5, режу и варю от 1,5мм до 4мм. Холостой ход 60V.впоследствии сделал к нему приставку для полуавтомата, вначале был с мотором от жигулёвских дворников, потом достал фирменную протяжную систему.... этим аппаратом 20 лет на масло к хлебу зарабатывал.(после работы) Питание аппарата на больших токах от разделительного трансформатора 380/220 двухфазного тока ( в таком подключении сеть не мигает и не идут помехи)
Сейчас несколько другие интересы, но к сварочной схемотехнике интерес сохранился.



yurec | Post:134271 - Date: 03.10.08(11:31)
Аппарат собран в корпусе от УПС, весит 6,5 кг. Вес ещё можно было уменьшить, но он перестраховался и поставил большие радиаторы на транзисторы. Реально транзисторы еле тёпленькие, а вот диоды греются сильно.

Когда настраивал аппарат, мерял напряжение на выходе, при подключенном резисторе 0,2 Ома, оно составило 27В. Если пересчитать, то получается - 135А.

Реально, четвёркой режет железо в лёгкую, при напряжение в сети 220В.
Если напряжение просаживается до 170В, то четвёркой ещё варит.

Дросель настроен на максимум тока в нагрузке 230А.

С розеткой не совсем понятно. Т.к. чтобы померять что там творится на входе устройства, нужно повозиться, а оно ему не надо. Чисто на глазок (по его словам), лампочки чуть, чуть притухают. Если взять классический сварочный аппарат, и проделать те же манипуляции (та же расчётная мощность аппарата, тот же электрод, та же розетка,..), то лампочки притухают довольно-таки заметно. Это опять же с его слов и у меня есть основания ему доверять, потому что он не последний человек в электронике.

Где-то на форуме читал отзыв одного товарища по потреблению тока такой сварки. Он писал, что нужно было приварить ручку на дверь. У хозяйки не нашлось лучшего удлинителя, как какое-то китайское барахло с сечением провода менее одного квадрата и длинной что-то около 10 метров. Каково же было его удивление, когда его аппарат не только успешно отварился без сучка и задоринки, но и провод переноски не нагрелся вообще.

Могу найти только одно объяснение такому факту - рекуперация энергии в последовательно колебательном контуре, который взят за основу девайса Клима. А там, кто его знает.😘

Фотку откапал по случаю. В серединке трансформатор тока, слева - дросель КК.


Размер: 654.44 KB

_________________
Не позволяйте обманывать себя.


AlexZander | Post:134272 - Date: 03.10.08(11:32)
Сходи пока по ссылке сюда

там форумов кучка по этой схеме - бармалей часть 1 почитай там ссылки на схемы сходу. У меня на самом деле один эксклюзив - печатная плата... Просто работает...


pendik | Post:134273 - Date: 03.10.08(11:36)
Спасибо!

AlexZander | Post:134274 - Date: 03.10.08(11:37)

Фотку откапал по случаю. В серединке трансформатор тока, слева - дросель КК.

Достойный представитель! 😏

AlexZander | Post:135142 - Date: 08.10.08(13:26)
В копилке обновление, наконец то образовалась плата генератора импульсов. Кому нужно - утюг в руки и вперед!

[ 1 | 2 ] [>
У Вас нет прав отвечать в этой теме.
Форум - Прочие идеи (разные) - Схемотехника - Готовые конструкции и модули - модернизация,обсуждение - Стр 1
🏠 Главная | 📚 Содержание | 💬 Форум | 📁 Файлы | 📩 Контакт