[ВХОД]
21.04.26(12:41)

skif.biz

Альтернативная энергия. Оставь надежду, всяк сюда входящий...

🏠 Главная | 📚 Содержание | 💬 Форум | 📁 Файлы | 📩 Контакт
 
Резонансные генераторы
Магнитные генераторы
Механические центробежные (вихревые) генераторы
Электростатические генераторы
Водородные генераторы
Ветро- и гидро- и солнечные генераторы
Прочие идеи (разные)
О форуме
Транспорт
Оружие
Научные идеи, теории, предположения...
Экономия топлива
Коммерческие вопросы
Струйные технологии
Торсионные генераторы
Новые технологии
Барахолка
Патентный отдел
Конструкторское бюро
Нейтронная физика
Торнадо и смерчи
Гравитация и антигравитация
Сделай сам. Советы.
Медицина и здравоохранение

📱 | 🖨️

Форум - Магнитные генераторы - Генератор МЕГ - Генератор Иванова - Стр:22
<] [ 1 | ... 12 | 13 | 14 | 15 | 16 | 17 | 18 | 19 | 20 | 21 | 22 | 23 | 24 ] [>
Модератор: AlexFrolov
Первый пост темы: AlexFrolov Post: #67155 От:01.05.2007 (10:08)
Валерий Иванов прислал отличные новости про свой генератор. смотрите на его сайте и делайте! Кому нужны пояснения - пишите мне или автору.

Итак, сайт Валерия Иванова про его МЕГ [ссылка]

Автор прислал письмо, из которого ясно что втономный режим он пока не получил...

------------------------------------------------
Здравствуйте, Александр!
По деле. Управляющая катушка только одна. Выглядит так, потому что она четыресекцийная, для получения равномерного магнитного потока в сердечнике. Соединяются они через одна, так, чтобы в сердечнике получился круговой магнитный поток. Как и указано на схемах.
По отношении выходную мощность – нет ограничения.
Хотя бы на теорию.
Железо обычное, тольщина 0.5 мм, для 50-100 Гц, как максимум.
Хорошо было бы если управляющие импульсы были прямоугольные, но это не обязательно. Там, но фотосы, управление осуществляется из польпериод синосуидального, получаемые на исходе однополупериодного выпрямителя. В данном случае есть одна особенность: выпрямитель работает в режиме с источником ОЭДС. Как например при зарядка акомуляторов или при капаситивная нагрузка. Вследствие этого имеем укорочивания работа винтилья(диода) на примерно 2 до 4 милисек. Вот и длина импульса. Частота следования – 50 Гц. Это так на образцах, показани в сайте. Эффективность по отношении затраченную энергии на управления процеса – весьма хорошая. Свыше 1:3. Ну, это подлежить на предварительные рассчеты. Конечно, простота внешного вида можно и заблудить, но работа имееть весьма сложный характер.

В отношении бизнеса .............. удалено по просьбе автора.....

Работа в автономном режиме не пробовал, так как нет у меня все необходимое. Стоимости только одного драйвера свыше 100 евро. А нужны и инверторы и другое... Но не вижу причин чтобы не было. Нет таких.
Все таки, думаю, что сперва надо быт только как усилватель мощности, чтобы не вызвало оппозиция среди незаинтересованных. А и не надо распространятся сверхожидания среди людей. По моему это не будет по карману каждому, как выглядит на первый взглядь.
Исспользования более качественных материалов можно довести только до уменшения габаритов и улучшения выходных параметром, так и уменшения затрат на управления. Но это еще повысить стоимости изделия.
Пока от меня все.
Рад, что установили контакт.
Всего хорошего желаю Вам и удачи!

С уважением,
Валерий Иванов
dedivan | Post:143302 - Date: 24.11.08(01:04)
Vasil Пост: 143246 От 23.Nov.2008 (17:42)
Вы сами убедились в эффекте снижения температуры ферромагнетика при перимагничивании?


Я даже к Боженьке на Ты обращаюсь, ну ладно.

Не надо все валить на деда, я хоть и старый, но не настолько, в этом
убедились уже 200 лет назад.

Мое предложение- внимательнее- использовать этот эффект для собирания
тепла окружающей среды и преобразования его в электричество,
по возможности без механики. Вот и все..

По поводу ферритов насколько я знаю- технологи добились наилучших
результатов потерь в ферритах марки 2000-2500, именно их и пользуют
в блоках питания. Я по простому собрал все какие были в наличии, и
просто мерял реальные потери в реальной схеме. Какой они марки и кто производитель- не знаю не написано ничего на них. Марка примерно
2500 НМС.

_________________
я плохого не посоветую


jonifer | Post:143333 - Date: 24.11.08(10:22)
технологи добились наилучших результатов потерь в ферритах марки 2000-2500

Открываете каталог Ferroxcube или подобный и с удивлением видите параметры ферритов - всё свободно продаётся в Москве.

Vasil | Post:143336 - Date: 24.11.08(11:18)
dedivan Пост: 143302 От 23.Nov.2008 (22:04)
Vasil Пост: 143246 От 23.Nov.2008 (17:42)
Вы сами убедились в эффекте снижения температуры ферромагнетика при перимагничивании?


Я даже к Боженьке на Ты обращаюсь, ну ладно.

Не надо все валить на деда, я хоть и старый, но не настолько, в этом
убедились уже 200 лет назад.

Мое предложение- внимательнее- использовать этот эффект для собирания
тепла окружающей среды и преобразования его в электричество,
по возможности без механики. Вот и все..

По поводу ферритов насколько я знаю- технологи добились наилучших
результатов потерь в ферритах марки 2000-2500, именно их и пользуют
в блоках питания. Я по простому собрал все какие были в наличии, и
просто мерял реальные потери в реальной схеме. Какой они марки и кто производитель- не знаю не написано ничего на них. Марка примерно
2500 НМС.

dedivan, лет пять назад привлекла статья Заева "Феррокессор- преобразователь тепла в электричество". Потратил примерно полгода для исследования явления. Максимум что получил 95%. Ваш подход понравился.
Сейчас исследую следующий обьект. На ферритовое кольцо с проницаемостью примерно 6000 намотан литцендрат 500х0.07 примерно 50 витков в один слой до заполнения и, подключив обмотку к обратноходовому преобразователю, исследую затраченную мощность и возвращенную в источник. Долее к боковым поверхностям кольца подношу кольценые магниты и смотрю за изменением КПД. Во всех экспериментах КПД растет. С 90% до 93%. НО это двухкоординатная схема. Трехкоординатную еще не освоил.

dedivan | Post:143346 - Date: 24.11.08(12:52)
Vasil Пост: 143336 От 24.Nov.2008 (08:18)
примерно 50 витков в один слой до заполнения и, подключив обмотку к обратноходовому преобразователю,


Обратноходовик это правильно.
А вот возвращать энергию лучше через отдельную обмотку с диодом.
Причем я именно для измерений пользую тонкий 1мм серебрянный коаксиал.
С многожильной центральной жилой.
Это еще можно по рынкам пошукать.
Им мотаю также до заполнения.
Оплетка- первичка, центральная -возвратная вторичка.
Таким макаром можно мерять потери от микроватт до киловатт.
Даже крошить сердечник получалось.

_________________
я плохого не посоветую


Sergh | Post:143366 - Date: 24.11.08(15:06)
Вроде бы лучше всего фольгой мотать получается. Т.е. когда полоска фольги вплотную, без зазоров, к поверхности феррита. Эволюция коаксиала -> сплющенный почти в 0 коаксиал. Минимальные потери на ВЧ, особенно если нагрузка низкоомная.
Зря Мотовилова погнали - что-то в этом слое "феррит-проводник" есть.

Если мотать круглым проводом, из-за того что большая часть его неплотно прилегает к поверхности, даже индуктивность прижатого к ферриту слоя и противоположного будет разной. Поле рассеивания больше и т.д.

Кстати, если мотать фольгой, индуктивность насыщения минимальная. Интересный вопрос - может ли она с насыщенным ферромагнитным сердечником быть меньше чем у катушки с воздушным или вакуумным сердечником?

dedivan | Post:143384 - Date: 24.11.08(17:33)
Sergh Пост: 143366 От 24.Nov.2008 (12:06)
Вроде бы лучше всего фольгой мотать получается. Т.е. когда полоска фольги вплотную, без зазоров, к поверхности феррита. Эволюция коаксиала -> сплющенный почти в 0 коаксиал.


Это другое. Коаксиал для увеличения связи между первичкой и вторичкой.
а лента для связи с сердечником. Два в одном- тот вариант шайтан коаксиального транса, где и с сердечником полная связь и с вторичкой.
Это в теме теслы фотка есть.

_________________
я плохого не посоветую


Sergh | Post:143391 - Date: 24.11.08(18:53)
Так там вторичка не лентой и она относительно далеко от поверхности феррита.


dedivan | Post:143395 - Date: 24.11.08(19:34)
Зато первичка- трубка и феррит плотно на нее одет.

А вообще где то там же обсуждался вопрос с одно и многослойной обмоткой.
На примере однослойной показана лучшаяи связь с сердечником и вторичкойю

_________________
я плохого не посоветую


Vasil | Post:143684 - Date: 25.11.08(23:54)
dedivan Пост: 143395 От 24.Nov.2008 (16:34)
Зато первичка- трубка и феррит плотно на нее одет.

А вообще где то там же обсуждался вопрос с одно и многослойной обмоткой.
На примере однослойной показана лучшаяи связь с сердечником и вторичкойю

dedivan, очень интересно ваше мнение о [ссылка] Ваша критика или поддержка может сэкономить кучу времени на изготовление девайса.

dedivan | Post:143696 - Date: 26.11.08(00:54)
Vasil Пост: 143684 От 25.Nov.2008 (20:54)
dedivan Пост: 143395 От 24.Nov.2008 (16:34)
dedivan, очень интересно ваше мнение о [ссылка]


В прошлом году разбирали в форуме энерджи.орг похожий движок.
Один пенсионер изобрел и СДЕЛАЛ такой движок для инвалидной коляски.
Момент такого движка в два раза больше чем обычной компоновки
типа китайских мотор колес для веломото.
За счет перпендикулярного расположения катушек их убирается
на ободе статора в два раза больше- от этого и выигрыш.

_________________
я плохого не посоветую


jonifer | Post:143747 - Date: 26.11.08(11:16)
Момент такого движка в два раза больше чем обычной компоновки

Теория электромоторчиков - стартовый момент мотора может быть и в 10 раз больше, чем у серийных.Только это спецмоторы, очень редко нужны и никакого удивления не возникает.

jonifer | Post:143749 - Date: 26.11.08(11:19)
Пну деда: заявления "Один пенсионер изобрел" - говорят о том, что человек не знаком с совеменным положением дел по электромоторам и не читает хотя бы доступную литературу и патенты.

dedivan | Post:143787 - Date: 26.11.08(14:28)
jonifer Пост: 143747 От 26.Nov.2008 (08:16)
Только это спецмоторы, очень редко нужны и никакого удивления не возникает.


У любого спецмотора разверни магнитную систему поперек, и еще в два раза будет больше момент.
А то что он нужен- можешь не сомневаться- возьми почитай про современные электроавтомобили.
Там как раз в этом сейчас затык. Момент на мотор колесах нужен очень большой,
причем не для разгона, для этого уже лишнего,
а для ТОРМОЖЕНИЯ С РЕКУПЕРАЦИЕЙ.
Так уж получется что для торможения по стандарту мощность или
момент нужны в десятки раз больше чем для разгона.
Вот и ставят пока по 150 сил движки на колесо.
А это не дешево.

_________________
я плохого не посоветую


Тищ | Post:146915 - Date: 07.12.08(10:19)
dedivan, а возможно-ли получить охлаждения сердечника с двумя плоскостями ?
Если да, то подойдет ли такая схема?



Размер: 4.94 KB

dedivan | Post:146916 - Date: 07.12.08(10:44)
Пойми главное- сам эффект охлаждения есть и при намагничивании даже в одной
плоскости. Достаточно иметь чувствительный термометр, и обнаружишь охлаждение
железяки при поднесении постоянного магнита к ней.

Другое дело- как это превратить в электричество.
Вот тут вектор надо крутить в трех плоскостях.

_________________
я плохого не посоветую


Тищ | Post:146936 - Date: 07.12.08(12:45)
Хм...Обычно при намагничивании ферромагнетиков наблюдается нагрев, а при размагничивании -- охлаждение. Потери на гистерезис возникают из-за неполного
размагничивания (если верить учебникам).Тогда для охлаждения в двух плоскостях необходим следующий цикл (см. рисунок): 1--намагничивание ОДНОВРЕМЕННО по двум плоскостям (энергия = -1(условно)), 2 -- размагничивание одной плоскости (энергия =0,707) 2 -- размагничивание второй плоскости (энергия =0,707). кпд = 141%. Я правильно рассуждаю ?


Размер: 7.22 KB

Тищ | Post:146938 - Date: 07.12.08(12:53)
Вожможно ваш вариант последовательности управляющих импульсов отличается от мого из-за наличия зазоров в стыках сердечника из 3 колец...А вы не пробовали снять осциллограммы токов одновременно со всех катушек?

dedivan | Post:146966 - Date: 07.12.08(15:07)
Тищ Пост: 146936 От 07.Dec.2008 (09:45)
Хм...Обычно при намагничивании ферромагнетиков наблюдается нагрев,


Не путай- при ПЕРЕмагничивании.
Вообще поищи в сети есть хорошая статья Капицы про температуру.
Там именно про хаос температуру и магнитное упорядочение.
Это нужно для четкого понимания.
А охлаждают намагничиванием даже жидкий гелий. Не только ферромагнетики.

_________________
я плохого не посоветую


Тищ | Post:146967 - Date: 07.12.08(15:10)
Так вроде у вас импульсы на обмотках однополярные, а значит никакого перемагничивания нет.

Pavel1 | Post:146992 - Date: 07.12.08(16:22)


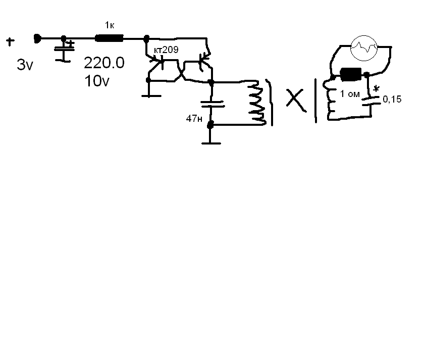
Тищ | Post:147912 - Date: 10.12.08(21:34)
Не знаю нащет температуры , но с описанним ранее двухмерном сердечнике по схеме (см.рисунок) при подборе емкости конденсатора в правой части схемы удается получить колебания с частотой, равной частоте в левой части с амплитудой ок. 5 вольт. Без конденсатора осциллограф С1-68 вообще ничего не видит.Каким образом энергия может передаваться в правую часть, в которой вначале вообще нет никакой энергии ?


Размер: 6.79 KB

OPTICUT | Post:147973 - Date: 11.12.08(03:32)
Тищ Пост: 147912 От 10.Dec.2008 (18:34)
Не знаю нащет температуры , но с описанним ранее двухмерном сердечнике по схеме (см.рисунок) при подборе емкости конденсатора в правой части схемы удается получить колебания с частотой, равной частоте в левой части с амплитудой ок. 5 вольт. Без конденсатора осциллограф С1-68 вообще ничего не видит.Каким образом энергия может передаваться в правую часть, в которой вначале вообще нет никакой энергии ?


Если форма сигналов в катушках одинаковая, то осцыл на 1 омном резисторе показывает или 5мВ, или вечняк...😀😘
Срочно выпрямить и закольцевать 😳
Впрочем 5мв тоже вечняк😀😳

MSN | Post:147975 - Date: 11.12.08(03:41)
Тищ Пост: 147912 От 10.Dec.2008 (18:34)
Не знаю нащет температуры , но с описанним ранее двухмерном сердечнике по схеме (см.рисунок) при подборе емкости конденсатора в правой части схемы удается получить колебания с частотой, равной частоте в левой части с амплитудой ок. 5 вольт. Без конденсатора осциллограф С1-68 вообще ничего не видит.Каким образом энергия может передаваться в правую часть, в которой вначале вообще нет никакой энергии ?



В схеме нет ошибок? А то как-то страно левый по схеме КТ209 включен, коллектор сразу на землю и база второго тудаже, получается что он первоначально открыт, а прикрывает систему левый КТ209,приоткрываясь и шунтируя контур по питанию.... Может быть... Я так понимаю напряжение генерации на первичном контуре будет что-то около 2В, и ток потребления источника не более 3мА...
НА 1 Ом точно 5В?? Что-то слабо верится...
А параметры транса подробнее можешь описать ?
Измерь ток на шунте 1Ом внутри первичного контура.

_________________
Говорите говорите, я всегда зеваю когда мне интересно. 99,9% всех СЕ устройств, - от неправильных измерений


олег-джан | Post:148039 - Date: 11.12.08(14:27)
Тищ-у вас получился параметрический трансформатор-генератор второго рода(частоты входа-выхода совпадают).
----Задерей Г.П., Заика П.Н. Многофункциональные трансформаторы в средствах вторичного электропитания. М Радио и связь 1989г. 176с мягкий переплет, обычный формат. Цена с доставкой
(Продавец: BS - Shimo, Снежинск.) Цена 240 руб. Заказать----
Еще раз повторяюсь насчет зтой книжонки,она есть в сети отсканеная,а есть на www.alib.ru ,я себе там-же купил в бумаге-читать приятнее...

_________________
Обьективная реальность-бред,вызванный недостатком алкоголя в крови...


Тищ | Post:148075 - Date: 11.12.08(17:14)
Схема такая, как на рисунке.Если отбросить вторичную часть, то получается самый обычный генератор синуса. Осциллограф показывал 0-5 вольт на конденсаторе справа, и 0-30 мв на резисторе. Сердечник -- из двух магнитопроводов от строчников(пост №146915 ),обмотки по 20 витков. Сама схема потребляет около 1 ма ,так что это никакой не вечняк 🙄.

<] [ 1 | ... 12 | 13 | 14 | 15 | 16 | 17 | 18 | 19 | 20 | 21 | 22 | 23 | 24 ] [>
У Вас нет прав отвечать в этой теме.
Форум - Магнитные генераторы - Генератор МЕГ - Генератор Иванова - Стр 22
🏠 Главная | 📚 Содержание | 💬 Форум | 📁 Файлы | 📩 Контакт