[ВХОД]

Главная | Содержание | Форум | Файлы | Контакт
NAVIG
Резонансные генераторы
Магнитные генераторы
Механические центробежные (вихревые) генераторы
Электростатические генераторы
Водородные генераторы
Ветро- и гидро- и солнечные генераторы
Прочие идеи (разные)
О форуме
Транспорт
Оружие
Научные идеи, теории, предположения...
Экономия топлива
Коммерческие вопросы
Струйные технологии
Торсионные генераторы
Новые технологии
Барахолка
Патентный отдел
Конструкторское бюро
Нейтронная физика
Торнадо и смерчи
Гравитация и антигравитация
Сделай сам. Советы.
Медицина и здравоохранение
мобильная версия
Печатать страницу
Форум - Резонансные генераторы - Резонансный трансформатор Теслы - Конденсаторы и их верчение - Стр.19
<][1 | 2 | 3 | 4 | 5 | 6 | 7 | 8 | 9 | 10 | 11 | 12 | 13 | 14 | 15 | 16 | 17 | 18 | 19 ]
Post:#165942 Date:09.03.2009 (23:10) ...
Вот схема с разрядником какая то придумалась.
Извините за корявый рисунок-еле нарисовал..
От источника заряжается верхний по рисунку конденсатор. Далее источник отключается..
Внизу-там где стрелочки нарисованы-это разрядники.
При подключении заряженного с1 к схеме-заряжается четвертый конденсатор.Через разрядник он разряжается в нагрузку.
От импульса обратной эдс катушки этот же конденсатор заряжается в обратном направлении,и после разряда схема приходит в исходное состояние.
При этом заряд С1 не расходуется-так как с2 и с3
гальванически его развязывют от цепи нагрузки.
Периодическое изменение заряда С1 происходит из за влияния на распределение зарядов в цепи остаточными зарядами четвертого конденсатора образовавшимися после разрядов (вернее влияние на остальную цепь зарядами образовавшихся в результате разрядов четвертого конденсатора, на тех пластинах С2 и С3 которые подключены к нему гальванически )

пы.сы.
Сильно не бейте так как сам не уверен что будет работать..
Скорее всего работоспособность будет зависеть от величины обратного эдс катушки .
Есть еще мысль попробовать в другое плечо-между С1 иС3 включить еще одну катушку и связать ее с первой индуктивно как в LL контуре Иеронима для увеличения тока в плечах.
Что из этого может получится-не знаю.
Access | Post: 171554 - Date: 31.03.09(11:24)
Если использовать стандартный электролит, может, и не изменится.

stasis2 | Post: 171559 - Date: 31.03.09(11:41)
Как изменится его заряд со временем, относительно такого же второго, тестового, расположенного неподвижно? Не изменится ли вес платформы при его вращении?

ACCESS , ну ты блин как всегда в своём репертуаре!
- Нам хлеба не надо , работы давай.

Всё на свете хрен проверишь , рук не хватит.
Я вот придумал тут одну хрень , см рисунок .
Почти кондёр , домашнего приготовления , правда несколько хитрый .
ДолжОн иметь тягу .
Оцените и покритикуйте плиз .
Идея - ускорение , торможение электронов в спец соленоиде посредствам электрополя.
Там где электроны будут терять скорость думаю получим либо мощную ЭМВ
либо движение соленоида или то и другое вместе .
короче вот )))


У Вас нет прав скачивать этот файл. Зарегистрируйтесь .
proube | Post: 171649 - Date: 31.03.09(19:10)
В торможении электронов теоретически заложен огромный потенциал . Не очень понятно ,что вы предлагаете ,но очень смахивает на работу магнетрона микроволновки ,если я правильно понял.

_________________
"Кролики - это не только ценный мех..."
stasis2 | Post: 171658 - Date: 31.03.09(20:13)
. Не очень понятно ,что вы предлагаете ,но очень смахивает на работу магнетрона микроволновки ,если я правильно понял.

Оно и видать что непонятно , магнетрон здесь не причём , там отдаёться кин энергия резонатору тоесть его электронам (резонатора) а здесь
кин энергия отдаётся полю (электро ) которое привязано к импровизированному конденсатору точнее опять же электронам кондюка посредством их поля.
Да ладно , поживём поглядим скоро проверю сей принцип.

stasis2 | Post: 171659 - Date: 31.03.09(20:13)
дубль

- Правка 31.03.09(20:13) - stasis2
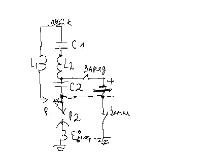
turist1 | Post: 171768 - Date: 01.04.09(10:24)
Версия устройства Капанадзе

L1иL2 связанные индуктивно.
еще в цепь между L1 и разрядником возможно надо диод в прямом направлении..,а нагрузку снимать с третей катушки индуктивно связанной с L1 L2-тогда трансформатор между разрядником и землей можно исключить,а разрядник подключить к непосредственно земле.
При таком включении-чем больше мы нагрузим третью обмотку-тем больше будет ток в двух других,что и требуется.

У Вас нет прав скачивать этот файл. Зарегистрируйтесь .
- Правка 01.04.09(17:39) - turist1
Ivan | Post: 171917 - Date: 01.04.09(22:12)
turist1
Cподобился глянуть на твою схему с твоими новыми обьяснениями. Мой вердикт: не будет работать и по-твоему, по тому как у тя везде цепь прервана и наведением тут дела не исправишь...

_________________
Наука – это несомненное сумасшествие, занятое классификацией своих собственных галлюцинаций. Поэтому не удивительно, что люди науки отвергают исследования, которые считают чужими галлюцинациями. Амиель
turist1 | Post: 171931 - Date: 01.04.09(23:06)
Ivan Пост: 171917 От 01.Apr.2009 (23:12)
turist1
Cподобился глянуть на твою схему с твоими новыми обьяснениями. Мой вердикт: не будет работать и по-твоему, по тому как у тя везде цепь прервана и наведением тут дела не исправишь...

это какая схема?последняя?которая в моем предыдущем посту?
Не знаю- делать не пробывал.Там не показанв цепь подзаряда верхней пластины С2 потенциалом относительно земли при саморазряде конденсатора.
Но принцип понятен,а цепь разомкнута и дрлжна такой быть-в замкнутой что с источника возьмешь то и получишь.
Здесь же источник-заряженный конденсатор с бесконечным внутренним сопротивлением,одна из пластины которого имеет изменяющийся потенциал относительно земли.
именно поэтому при заряде от аккумулятора и нужно еще одно заземление-для того чтобы изначально зарядить верхнюю пластину С2 потенциалом относительно земли.Потом источник и заземление отключается-а положительный заряд относительно земли на пластине конденсатра остается.
P.S
Вот столько лет народ пытается получить лишнее с замкнутых гальванически схем, гоняя токи через источник и пытаясь повторить схемы -Тесла,Грея,Хендершота,и т д.
Как ты думаешь почему результата до сих пор нет?


- Правка 02.04.09(00:21) - turist1
Ivan | Post: 171952 - Date: 02.04.09(02:52)
Отвечал по первой схеме в первом посте ветки.
...Потому что гоняют по замкнутой цепи 1 и те же заряды. А попробовали бы гонять заряды из внешней Среды. Нет, конечно, на то, чтобы гонять заряды в цепи наведением- энергия тоже нужна, но она же не тратится, к тому же- совсем не 1 и тоже- гонять 1 и тот же заряд в цепи, или- ПРОГОНЯТЬ постоянно свежие заряды по цепи. Потому и заземление нужно, и второй отвод соленоида- висит в воздухе...
Мы ведь не сам заряд пользуем, а его энергию...
А вот теперь- внимание- вопрос:
как можно снять энергию со свеженького заряда, к-й пробегает по цепи как бы случайно и всего- 1 раз? Энергия-то у него есть и он ей с удовольствием поделится... Да-да, я имею в виду ту самую температуру, т.е.- ЭМВ...

_________________
Наука – это несомненное сумасшествие, занятое классификацией своих собственных галлюцинаций. Поэтому не удивительно, что люди науки отвергают исследования, которые считают чужими галлюцинациями. Амиель
- Правка 02.04.09(14:19) - Ivan
<][1 | 2 | 3 | 4 | 5 | 6 | 7 | 8 | 9 | 10 | 11 | 12 | 13 | 14 | 15 | 16 | 17 | 18 | 19 ]
У Вас нет прав отвечать в этой теме.
Форум - Резонансные генераторы - Резонансный трансформатор Теслы - Конденсаторы и их верчение - Стр 19

Главная | Содержание | Форум | Файлы | Контакт