[ВХОД]
16.05.26(04:11)

skif.biz

Альтернативная энергия. Оставь надежду, всяк сюда входящий...

🏠 Главная | 📚 Содержание | 💬 Форум | 📁 Файлы | 📩 Контакт
 
Резонансные генераторы
Магнитные генераторы
Механические центробежные (вихревые) генераторы
Электростатические генераторы
Водородные генераторы
Ветро- и гидро- и солнечные генераторы
Прочие идеи (разные)
О форуме
Транспорт
Оружие
Научные идеи, теории, предположения...
Экономия топлива
Коммерческие вопросы
Струйные технологии
Торсионные генераторы
Новые технологии
Барахолка
Патентный отдел
Конструкторское бюро
Нейтронная физика
Торнадо и смерчи
Гравитация и антигравитация
Сделай сам. Советы.
Медицина и здравоохранение

📱 | 🖨️

Форум - Прочие идеи (разные) - Схемотехника - Помогите, посоветуйте с электроникой (ассорти) - Стр:1
[ 1 | 2 | 3 ] [>
Модератор: malval55
malval55 | Post:206110 - Date: 24.10.09(19:12)
В этой ветке предлагаю искать ответы на возникшие у вас вопросы по электронике.. задавайте, уверен найдутся среди нас не только обладающие опытом и знаниями, но и готовые помочь нуждающимся..

malval55 | Post:206113 - Date: 24.10.09(19:16)
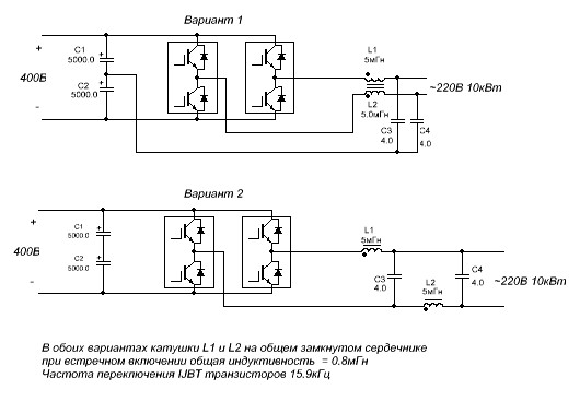
прошу совета у опытных электронщиков, какой вариант выходного фильтра для мощного инвертора с синусоидальным выходом предпостительней?
основной критерий - максимальное подавление пульсаций ШИМ частотой 15.9кГц.

P.S. паралельно электролитам (это 5х1000мкФ) на каждом стоит быстрый кондар на 1мкФ, плюс на каждом моуле полумоста на входе питания снаберный кондео на 4.7мкФ -эти цепи не показаны на схеме


Размер: 35.55 KB

sw1972 | Post:206135 - Date: 24.10.09(23:00)
По моему первый вариант неплохой за исключением одного момента: к точке соединения кондёров С1 и С2 не следует подключать точку соединения к-ров С3 и С4, так как С1 и С2 - электролитические и имеют большой импеданс. Лучше точку соединения С3 и С4 соедините с линией "-400В", тогда получится фильтр синфазных помех(относительно провода "-400В" ). Добавьте ещё дополнительный фильтр дифференциальных помех, тоесть дроссель такого же вида, но на выходе конденсатор стоит, этот конденсатор соединить со вторым выводом первой обмотки и вторым выводом второй обмотки.
Дифференциальный фильтр - непосредственно на выходе инвертора, а синфазный - после дифференциального.
В некоторых нюансах могу ошибиться.

_________________
Хорошее - враг лучшего


elektron_blin | Post:206145 - Date: 24.10.09(23:40)
1. Попробуй С3 и С4 настроить на последовательный резонанс 15,9кгц с этими индуктивностями.
2. Параллельно электролитам припаяй высокочастотные кондёры.
3. Во второй сх. попробуй последовательно с нагрузкой поставить Фильтр пробку - параллельный контур настроенный на первую гармонику то есть 15,9кгц.
4. Удели особое внимание монтажу.

Удачи.

bazarov | Post:206155 - Date: 25.10.09(00:06)
Данные схемы подойдут для чего угодно, кроме реактивных нагрузок. Есть некие разработки на ПИК, там синус делается последовательным исключением обмоток, там синус реальный. Правда есть ступеньки на переходах.

_________________
Не хватит никакого здоровья, чтобы приспособиться к этому глубоко больному обществу(Кришна Мурти)/Горшки не Боги обжигают (многовековая классика)


rezoner | Post:206158 - Date: 25.10.09(00:10)
ШИМ он и в Африке ШИМ. Для любых нагрузок.

bazarov | Post:206161 - Date: 25.10.09(00:17)
При ШИМ на трансформаторах иголка скачет, а на конденсаторную нагрузку мгновенный ток на ключи увеличивается. Хотя ..... можно и дроссель на выход впиндюрить....

_________________
Не хватит никакого здоровья, чтобы приспособиться к этому глубоко больному обществу(Кришна Мурти)/Горшки не Боги обжигают (многовековая классика)


malval55 | Post:206198 - Date: 25.10.09(10:36)
спасибо всем откликнувшимся..
хочу уточнить - на схеме просто многое не показано, стоят конечно ВЧ кондеры паралельно электролитам, и резисторы выравнивания напряжения, и непосредственно на модулях силовых снаберные кондеры.. в силовой электронике не новичек, плотно ей занят с 2005.. работает десятка полтора частотников для управления асинхронниками на мощностях от 7 до 90кВт, и несколько инверторов на 5 кВт с синусом пашут уже пару лет (применял простой фильтр - дроссель и кондер за ним - на осциле чистый синус).. сейчас решил на связанных дросселях, т.к. мощность выше (10кВт номинал, пик -15кВт) и при однофазном выходе большое падение мощности на дросселе на частоте 50Гц, а заказчик на трехфазку не согласен.. мысль была такая - индуктивность для 15.9кГц высокая, т.к. нет общего тока для этих частот, а для 50Гц низкая индуктивность, т.к. ток в катушках течет встречно и одинаков, следовательно и малое падение на фильтре.. практики работы с такими фильтрами на больших мощностях нет, а сроки давят..

malval55 | Post:206199 - Date: 25.10.09(10:47)
bazarov Пост: 206155 От 25.Oct.2009 (01:06)
Данные схемы подойдут для чего угодно, кроме реактивных нагрузок. Есть некие разработки на ПИК, там синус делается последовательным исключением обмоток, там синус реальный. Правда есть ступеньки на переходах.

можно конечно и на ПИК, хотя я предпочитаю Атмеловские процессоры (AVR), но для синуса предпочитаю применят спец. процессор мотороловский MC3PHAC - это процессор с уже зашитой программой именно для 3 фазных применений, а именно для частотного управления асинхронниками.. в силовой части ставлю исключительно интелектуальные модули Mitsubishi (втроены дррайверы и все защиты) - спалить их проблема.. с синус фильтром на выходе прекрасный синус и держит нормально все виды нагрузок.. искажения синуса есть конечно например при включении болгарки на 1 кВт мощности..

bazarov | Post:206237 - Date: 25.10.09(14:00)
malval55 | Post: 206199 - Date: 25.10.09
Я балдею с народа 😕 ..... Ну если знаешь, то чего спрашивать? Тфу....

Лучше для разминки мозгу схемки посочинять всякие можно, от скуки. Авсь найдутся те кому интересно. Полезно будет всем.

Кто первый выложит задачу под конкретную цель?

_________________
Не хватит никакого здоровья, чтобы приспособиться к этому глубоко больному обществу(Кришна Мурти)/Горшки не Боги обжигают (многовековая классика)


malval55 | Post:206241 - Date: 25.10.09(14:18)
bazarov Пост: 206237 От 25.Oct.2009 (14:00)
malval55 | Post: 206199 - Date: 25.10.09
Я балдею с народа 😕 ..... Ну если знаешь, то чего спрашивать? Тфу....

Лучше для разминки мозгу схемки посочинять всякие можно, от скуки. Авсь найдутся те кому интересно. Полезно будет всем.

Кто первый выложит задачу под конкретную цель?


я писал, что не работал с фильтрами на связанных дросселях, за дефецитом времени и невозможностью дома проверить на максимальной мощности и попросил совета, ошибки могут дорого стоить..
всем откликнувшимся благодарен..

P.S. для разминки уже занимаюсь разработкой в помощь одному из скифовцев..


malval55 | Post:206246 - Date: 25.10.09(14:47)
не совсем так, не надо преобразовывать прямоугольные импульсы в синусоидальные, эти прямоугольные импульсы в своей ширене (ШИМ) несут информацию о синусоидальном токе, поданные на индуктивность (обмотку мотора) они интегрируются и ток синусоидальный.. но использовать в таком виде в розетке дома не получается (активным нагрузкам и индуктивным они нравятся, а емкости входных фильтров некоторой аппаратуры сочтут их помехой и попытаются погасить).. дроссель фильтра и выполняет функцию интегрирования тока, поэтому после него и на осциллографе прекрасное синусоидальное напряжение.. потери мощности конечно есть, реально на простом фильтре потери на частоте ШИМ порядка 20-30Вт, это устраивает, а вот потери на дросселе на частоте 50Гц при больших мощностях огромны (киловаты)..


rezoner | Post:206263 - Date: 25.10.09(16:17)
sw1972
Дифференциальный фильтр - непосредственно на выходе инвертора, а синфазный - после дифференциального.
В некоторых нюансах могу ошибиться.

Верно! Без дифф.фильтра ВЧ составляющая прямиком замкнется на С3/С4 , а это потери мощности.
Только в дросселе дифф.фильтра в одной из обмоток нужно поменять начало/конец.
С3/С4 нужно завести еще и на общий корпус (болт заземления).

Вторая схема плохо фильтрует синфазную составляющую (относительно общей земли) первого инвертора.


Eduard | Post:207629 - Date: 01.11.09(13:26)
А заказчику обязательна сеть целиком? Если разбить нагрузки по типам - движки/трансы, лампочки/тэны, компьютеры - то получится 3 блока той же суммарной стоимостью, а задача упрощается и схемотехника будет заточена оптимально под свою нагрузку. И мощность будет уже не 10-15, а 3-4 квт, что проще.

_________________
И мню аз яко то имать быть, что сам себе всяк может учить.


LuftKraft | Post:207645 - Date: 01.11.09(14:44)
Народ! вопросик есть. я тут составной транзистор сделал. Идея из двух составных параллельных собрать дарлингтон.

1) правильно-ли я произвел сборку
2) какие характеристики у него могут получиться
3) как подобрать сопротивление R1 в схеме для дарлингтона.

Схемка и сборка вот:



Размер: 261.07 KB


Размер: 136.03 KB

Fema | Post:207659 - Date: 01.11.09(15:32)
To "LuftKraft" - когда собираешь транзисторы в параллельный пакет, то необходимо каждому транзистору последовательно с базозой влепить по резистору (1..30 Ом). Иначе без резисторов возможна ситуация когда одни транзисторы откроются, а несколько соседних так и остануться закрытыми, из за того что переход база-эмитер фактически являются диодами и работают как маловольтовые стабилизаторы напряжения, но из-за сильного разброса характеристик этого перехода на транзисторах будет срабатывать только тот у которого наименьшее напряжение стабилизации напряжения. А добавление резисторов сделает работу транзисторов независимыми от параметров своего соседа, так как разница напряжения осядет на резисторах. Но резисторы нельзя делать слишком большими (начинают тупеть транзисторы по усилению) и нельзя слишком маленькими (начинают соседние транзисторы просаживать напряжение на базе друг другу)
В итоге номинал резистора нужно выбрать максимально большой, но при этом что бы вся сборка еще открывалась от желаемого входного напряжения.

LuftKraft | Post:207665 - Date: 01.11.09(15:54)
На схемке это как будет выглядеть? Мощность резисторов?

queet | Post:207669 - Date: 01.11.09(16:17)
Люфт, у транзисторов, даже в насыщении h21 по любому будет больше 3, по сему один "управляющий" транзистор без проблем будет кормить базы трех "силовых". Так что хватит и 4-х транзисторов. В базы силовых резисторы Ом 10 впослед, как Фема сказал.

Fema | Post:207670 - Date: 01.11.09(16:18)
На схеме - это последовательно к базе КАЖДОГО транзистора припаивается по резистору - по сути схема не изменяется. Резистор же по мощности зависит от тока базы, и выбирается такой мощности что бы поменьше грелся. Если вдруг резисторы будут чернеть или плавить припой и отваливаться - то это верный признак что мощность резистора недостаточна и стоит найти размером побольше.
А по входу на управление действительно незачем ставить целую "пачку" транзисторов, может хватить и одного нормального транзистора как сказал выше "queet"

malval55 | Post:207671 - Date: 01.11.09(16:22)
LuftKraft, соединение по схеме Дарлингтона применяют для увеличения коэффициента усиления мощных биполярных транзмсторв, который обычно мал, при этом общий коэффициент усиления равен произведению коэффициентов усиления примененных транзисторов. Обычно выбирают первый транзистор менее мощный, но с большим коэфф.усиления.. вы так же должны понимать, что в таком включение падение напряжения на ключе у вас не может быть менее 0.7В.. а так как на выходе у вас параллельно включены биполярные транзисторы и вам придется в их базы включить выравнивающие резисторы (в предудущем посте вам о них уже сказали), то выходное напряжение на ключе будет еще больше..
в качестве первого транзистора вы поставили такую же сборку из 3 мощных транзисторов - в этом нет необходимости, раскачать три выходных транзистора с успехом может и один..
-------------------
может быть вы напишите требуемые вам харрактеристики ключа (максимальные напряжения и ток, частота переключения, характер нагрузки..) и вам предложат более оптимальное решение..

LuftKraft | Post:207673 - Date: 01.11.09(16:43)
Всем спасибо, я правильно понимаю конструкцию с ваших слов? :




Размер: 139.92 KB

malval55 | Post:207674 - Date: 01.11.09(16:46)
LuftKraft Пост: 207673 От 01.Nov.2009 (16:43)
Всем спасибо, я правильно понимаю конструкцию с ваших слов? :


только R3 и R4 должны быть подключены непосредственно к эмиттеру первого транзистора, а не через R2..

Gandalf | Post:207675 - Date: 01.11.09(16:47)
bazarov Пост: 206237Кто первый выложит задачу под конкретную цель?

Есть старая давно обсуждаемая и никем так и не решённая из кустарей цель: сделать из доступных элементов, без использования высокотехнологичного промышленного оборудования отладки, преобразователь напряжения с несколькими входами с работающим режимом примешивания с выходом импульсного типа на нагрузку.


Пояснение.


Дано:
1. Источник напряжения переменного тока 180-280V.
2. Источник напряжения постоянного тока 12V.
3. Источник напряжения постоянного тока 0-380V.
4. Нагрузка напряжения постоянного тока 12V мощностью до 2kW.

Задача:
Организовать импульсный преобразователь напряжения на ШИМ с последующим выпрямлением с выборочным процентным адаптационным механизмом отбора мощности от цепей источников с возможностью одновременного примешивания от двух источников и эффективностью не менее 89% для преобразования источника переменного тока и 93% для преобразования источников постоянного тока.
Первичным источником питания является “Источник напряжения постоянного тока 0-380V”, в случае нехватки мощности организуется примешивание недостающей составляющей от “Источник напряжения переменного тока 180-280V” вплоть до полного перехода на данный источник питания; в случае, если “Источник напряжения переменного тока 180-280V” не даёт минимального напряжения для возможностей преобразователя (к примеру, отсутствие напряжения или напряжение менее 180V), примешивание организуется от “Источник напряжения постоянного тока 12V”; в случае невозможности обеспечения потребляемой мощности (просадка по исходящей линии до 10V) происходит выключение всех цепей до момента возобновления обеспечения необходимого питания.

Для тех, кто далёк от электроники:
Имеем несколько источников питания.
Питаем нагрузку от главного источника.
Если нагрузка превышает возможности первичного источника, дополнительная мощность берётся из вторичного источника или от третичного источника, если вторичный недоступен.
Примешивание – это схема добавления мощности в несущую цепь импульсного преобразования, когда при нехватки питания от одной цепи, в работу включаются другие независимые цепи (в данной задаче, включается вторая или третья цепь или происходит отключение нагрузки).

Как видим, задача без фанатизма, никаких сверхзадач или организации сверхсложного мультипримешивания от неограниченного числа источников и т.п. космотехнологий.
Но что-то никто пока не смог грамотно решить данную проблему не в промышленном масштабе, а хотя бы в масштабе самодельного единичного 2kW-ного устройства.

LuftKraft | Post:207677 - Date: 01.11.09(16:57)
значит вот так. а резистор R1 ?

----

вобсчето мне интересен больше максимальный ток коллектора при минимальном токе открытия и максимальной возможной частоте включения выключения . нагрузка индуктивная 1 виток и очень низкоомная набрана из пучков изолированных проводов. а-ля литц. по приблизительным подсчетам индуктивность порядка <=0.2 микрогенри активное сопротивление меньше 0,005 Ом


Размер: 143.72 KB

malval55 | Post:207680 - Date: 01.11.09(17:32)
LuftKraft Пост: 207677 От 01.Nov.2009 (16:57)
вобсчето мне интересен больше максимальный ток коллектора при минимальном токе открытия и максимальной возможной частоте включения выключения . нагрузка индуктивная 1 виток и очень низкоомная набрана из пучков изолированных проводов. а-ля литц. по приблизительным подсчетам индуктивность порядка <=0.2 микрогенри активное сопротивление меньше 0,005 Ом


вы не указали напряжение источника, но при такой нагрузки вряд ли напряжение велико.. я посоветовал бы транзисторы MOSFET с минимальным сопротивлением открытого канала, например IRFP2907 - предназначены для применения в 42 вольтовых системах автоматики (макс. напряжение 75В), сопротивление открытого канала 4.5мОм, ток макс. 209А (при длительности включения не более 130сек)..


[ 1 | 2 | 3 ] [>
У Вас нет прав отвечать в этой теме.
Форум - Прочие идеи (разные) - Схемотехника - Помогите, посоветуйте с электроникой (ассорти) - Стр 1
🏠 Главная | 📚 Содержание | 💬 Форум | 📁 Файлы | 📩 Контакт