[ВХОД]

03.04.26(13:02)

skif.biz

Альтернативная энергия. Оставь надежду, всяк сюда входящий...

🏠 Главная | 📚 Содержание | 💬 Форум | 📁 Файлы | 📩 Контакт

📱 | 🖨️

Форум - Прочие идеи (разные) - Схемотехника - Помогите, посоветуйте с электроникой (ассорти) - Стр:2
<] [ 1 | 2 | 3 ] [>
Модератор: malval55
Первый пост темы: malval55 Post: #206110 От:24.10.2009 (19:12)
В этой ветке предлагаю искать ответы на возникшие у вас вопросы по электронике.. задавайте, уверен найдутся среди нас не только обладающие опытом и знаниями, но и готовые помочь нуждающимся..
Eduard | Post:207684 - Date: 01.11.09(17:49)
LuftKraft, может помогут готовые решения:

2SC4119 N-DARL+D 1500V 15A 250W B (цена неизвестна, в наличии нет)
2SD1632 N-DARL+D 1500V 4A 80W (58 руб.)
2SD2331 N-DARL+D 1500V 3A (50 руб.)

Из последних двух можно набрать в параллель нужный ток. И не забываем, что при параллельном соединении в эмиттер каждому нужно ставить резистор 0.05-0.1 Ом.

_________________
И мню аз яко то имать быть, что сам себе всяк может учить.


LuftKraft | Post:207686 - Date: 01.11.09(18:00)
будет использоваться в блокинг генераторе ...возможны "Желательные" обратные оч кратковременные многочисленные выбросы вольт эдак в 1000 - 15000 а то может и более.

питание зажигания 12 вольт .

malval55 | Post:207692 - Date: 01.11.09(18:29)
Gandalf Пост: 207675 От 01.Nov.2009 (16:47)
Дано:
1. Источник напряжения переменного тока 180-280V.
2. Источник напряжения постоянного тока 12V.
3. Источник напряжения постоянного тока 0-380V.
4. Нагрузка напряжения постоянного тока 12V мощностью до 2kW.

Задача:
Организовать импульсный преобразователь напряжения на ШИМ с последующим выпрямлением с выборочным процентным адаптационным механизмом отбора мощности от цепей источников с возможностью одновременного примешивания от двух источников и эффективностью не менее 89% для преобразования источника переменного тока и 93% для преобразования источников постоянного тока.
Первичным источником питания является “Источник напряжения постоянного тока 0-380V”, в случае нехватки мощности организуется примешивание недостающей составляющей от “Источник напряжения переменного тока 180-280V” вплоть до полного перехода на данный источник питания; в случае, если “Источник напряжения переменного тока 180-280V” не даёт минимального напряжения для возможностей преобразователя (к примеру, отсутствие напряжения или напряжение менее 180V), примешивание организуется от “Источник напряжения постоянного тока 12V”; в случае невозможности обеспечения потребляемой мощности (просадка по исходящей линии до 10V) происходит выключение всех цепей до момента возобновления обеспечения необходимого питания.

возможный вариант устройства - двух ступенчатое преобразование, сперва входные напряжения преобразуются в постоянное напряжение и заряжают емкость (промежуточная шина DC), а второй ступенью это напряжение преобразуется в выходное 12В..
каждый вход снабжен своим импульсным преобразователем, но пороги окончания заряда разные:
1-й вход 0-380В - наивысшее, например 25В
2-й вход 180-260В - среднее, например 20В
3-й вход 12В - низшее, например 15В
если первый источник может обеспечить достаточно энергии, то напряжение на промежуточной шине высокое и преобразователи других источников спят.. при снижении напряжения ниже порога 2-го источника его преобразователь начинает добавлять энергию (первый преобразователь не отключается).. ну а если и его не хватает и напряжение садится дальше, то в работу подключается третий источник..
перепад напряжения на промежуточной шине на выходном напряжении не сказывается, так как ШИМ преобразователь второй ступени стабилизирует выходное напряжение..
контроль минимального напряжения на источнике 12В компаратором с отключением устройства..
желательно при старте устройства задержать включение преобразователей 2 и 3 источников давая возможность основному зарядить емкость промежуточной шины..
конечно лучше контроль работы устройства доверить микроконтроллеру..
=================
P.S. задача сходная с той, которуя я решал, только на 10кВт и синуса 220В на выходе.. основной вход - ветряк, второй 180-280 - Чубайс (у меня его не было), резервный - аккумуляторы (у меня были на большее напряжение).. только я еще при избытке мощности по основному входу сливал ее в аккумулятор..

malval55 | Post:208140 - Date: 03.11.09(19:09)
Gandalf, хотелось бы услышать ваше мнение о предложенном варианте решения..

Eduard | Post:208718 - Date: 06.11.09(09:33)
У меня вопрос по максимальному напряжению транзистора. Для конкретности возьмем КТ851Б. Максимальные напряжения: Uce = 250 v, Ucb = 300 v, Ube = 5 v. Но очевидно, что если приложить к переходу коллектор-база 300 в, то на эмиттере будет не менее 295 в, а это больше, чем допустимые 250 в. В чем тут загвоздка?

_________________
И мню аз яко то имать быть, что сам себе всяк может учить.


tera | Post:208736 - Date: 06.11.09(11:15)
Eduard Пост: 208718 От 06.Nov.2009 (09:33)
У меня вопрос по максимальному напряжению транзистора. Для конкретности возьмем КТ851Б. Максимальные напряжения: Uce = 250 v, Ucb = 300 v, Ube = 5 v. Но очевидно, что если приложить к переходу коллектор-база 300 в, то на эмиттере будет не менее 295 в, а это больше, чем допустимые 250 в. В чем тут загвоздка?

Это обратные токи. Которые через базу, нет усиления, через эмиттер они приводят к разогреву коллектора. А обратные токи это температура вот и разница. А так Uкэ и 300 и 350 кратковременно может держать.

_________________
“Я есмь и путь, и истина, и жизнь. Никто не приходит к Отцу иначе, кроме как через Я”


Eduard | Post:208755 - Date: 06.11.09(14:40)
Неее, насчет обратных токов есть специальный параметр - Ucer, который означает максимальное напряжение коллектор-эмиттер при том, что между базой и эмиттером включен резистор 100 ом (иногда 10 ом), чтобы удержать потенциал базы вблизи потенциала эмиттера. Или указыватся напряжение коллектор-эмиттер при отключенной базе?

_________________
И мню аз яко то имать быть, что сам себе всяк может учить.


tera | Post:208762 - Date: 06.11.09(15:12)
Одни замеры с общей базой другие с общим эмитером. Вот там вся и канетель.

_________________
“Я есмь и путь, и истина, и жизнь. Никто не приходит к Отцу иначе, кроме как через Я”


shura-i | Post:208764 - Date: 06.11.09(15:20)
Не хочу показаться умным, но кажеся речь всё-таки не о токах, а напряжениях 😀
Вот тут [ссылка] значения параметров такие же, но буковок в названиях параметров побольше:
Uкэо гр(Uкэо max),B =250
Uкбо max,B =300
Uэбо max,B =5
Вот как такие параметры определяются:
Uкбо.макс – максимально допустимое постоянное напряжение коллектор – база при
токе эмиттера, равном нулю.
Uэбо.макс – максимально допустимое постоянное напряжение эмиттер – база при
токе коллектора, равном нулю.
Uкэо.гр – граничное напряжение между коллектором и эмиттером транзистора при
разомкнутой цепи базы и заданном токе эмиттера.

Так что, я думаю, это просто неточности в обозначениях параметров. При измерении различных параметров транзистор находится в различных режимах, отсюда кажущееся несоответствие одного другому.
PS, tera правильно сказал, и значительно короче. Я не сразу заметил. 😀

missioner | Post:224323 - Date: 13.01.10(21:26)
bazarov Пост: 206237 От 25.Oct.2009 (14:00)
malval55 | Post: 206199 - Date: 25.10.09
Я балдею с народа 😕 ..... Ну если знаешь, то чего спрашивать? Тфу....

Лучше для разминки мозгу схемки посочинять всякие можно, от скуки. Авсь найдутся те кому интересно. Полезно будет всем.

Кто первый выложит задачу под конкретную цель?
Цель конкретная,заряжать независимый аккумулятор сигнализаций и автономного котла на 12 вольт от бортовой сети Камаза на 24 вольт.Подключение к одному из 24-вольтовой пары не допускаем,от этого они будут по разному заряжаться,проверено. Придумал схему,на эскизе переключатель-коммутатор с некоторой частотой переключает плюсовой вывод мощного кондёра. Требуется заменить переключатель(он сделан на релюшке и контакты сгорают за три месяца) на транзисторный ключ,жду варианты,Схема должна быть до гениальности простой,как и выкладываемая,чтобы можно было шустро переделать


Размер: 7.98 KB

_________________
Здесь хранится СЕ суперавтотрансгенератор https://www.skif.biz/index.php?name=Forums&file=viewtopic&p=875842#875842 https://disk.yandex.ru/d/T_H9tIHpXVb8dw Дополненная версия с видео: https://disk.yandex.ru/d/RUQMOtXIHzRo7Q


Eduard | Post:250309 - Date: 10.06.10(09:16)
Имеется мешок симисторов ТС106-10-8. Проблема стара, как мир. Заводы, их выпускавшие, не договорились про расположение выводов. Анод у них у всех на радиаторе, а две остальные ноги - это катод и управление. Прикол в том, что симистор работает при любых полярностях на аноде и управляющем электроде, поэтому даже если включить его в цепь как У-А, а отпирать через К, работать будет. Звонится К-У одинаково в любом направлении как резистор. Вся разница только в том, что в правильном включении он выдержит 10А, а в неправильном от силы 0.5А. Вопрос, как же все-таки узнать расположение выводов неразрушающим способом?


Размер: 27.04 KB

_________________
И мню аз яко то имать быть, что сам себе всяк может учить.


Gysmi | Post:259088 - Date: 30.07.10(20:23)
Номер2-самый фирменный,затем 1.Номер3-на подделку больше похож.Буковки К и У на радиаторе не соответствуют что-ли цоколёвке.Вариант 2 точно должен соответсвовать цоколёвке в справочнике.

Eduard | Post:259090 - Date: 30.07.10(20:30)
Прошу меня извинить, что не отписался по результатам, думал, что никому не интересно. Я нагружал их на лампочку 24V 20W и подавал напругу не помню сколько, вольт 10-15. Открывал тычком пинцета и мерял напряжение на крайних выводах при разных включениях. При правильном включении это напряжение ниже. Все симисторы оказались с одинаковой распиновкой, а именно, (У) у всех справа. Ни одно животное не пострадало 😕

_________________
И мню аз яко то имать быть, что сам себе всяк может учить.


Eduard | Post:262673 - Date: 18.08.10(12:34)
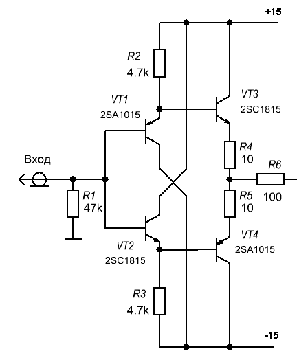
Столкнулся с проблемой, не знаю, куда дальше копать...
Изобретаю широкополосный усилитель. На входе у него эмиттерный повторитель (на схеме). Проблема в том, что он возбуждается на частотах от 50 до 100 МГц. Когда я сделал для него жестяной корпус и как следует зашунтировал питание емкостями, склонность к возбуждению уменьшилась, но не исчезла. Сейчас состояние такое: с открытым входом (как на рисунке) все ОК, с закороченным входом тоже ОК. Если закорачивать вход петлей провода длиной 30 см, возбуд. Когда я этот провод сматываю в 3 витка, частота снижается где-то до 20 МГц, а амплитуда растет раза в 3. Если в эти три витка плавно вставляю ферритовый стержень, то частота снижается, амплитуда растет, а потом колебания срываются. Если ко входу подключаю коаксиальный кабель 30 см, а другой конец корочу - возбуд. А если 100 ом, все ОК. Если по плате жамкать пальцами, то амплитуда играет, но не исчезает, за исключением входа - если взяться за вход, возбуд исчезает.

Не ожидал, что годами проверенная схема поведет себя так. Какие будут мысли...
Глючный повторитель.
Глючный повторитель.
Размер: 6.90 KB

_________________
И мню аз яко то имать быть, что сам себе всяк может учить.


олег-джан | Post:262679 - Date: 18.08.10(12:52)
Eduard | Post: 262673


Скажи честно-ты транзисторы другие воткнул?
по обратному току коллектора не отбраковывал?😶

п.с.если память не изменяет-это японческая схемка,а они
очень скурпулезно к этому делу подходили...и эти транзисторы
были заточены для таких каскадов...это не кт315б....

_________________
Обьективная реальность-бред,вызванный недостатком алкоголя в крови...


Eduard | Post:262681 - Date: 18.08.10(13:06)
Нет, схема один-в-один. Не знаю, чья схема, кажется, в Хоровиц-Хилле тоже она где-то есть. И как раз на связке кт315-кт816 плюс кт361-кт817 эта схема у меня работала на индуктивный транс, нормально было всё...

Пока что выкрутился тем, что последовательно с входом цепляю 100 ом, с большой петлей всё равно возбуд, но не такой яростный, и сжатием петли удается заглушить, а с коаксиалом вообще всё норм.

_________________
И мню аз яко то имать быть, что сам себе всяк может учить.


MSN | Post:262682 - Date: 18.08.10(13:09)
Eduard Пост: 262673 От 18.Aug.2010 (13:34)
... Если ко входу подключаю коаксиальный кабель 30 см, а другой конец корочу - возбуд. А если 100 ом, все ОК. ...


сам же и ответил на свой вопрос. Ко входу твоего усила должен подключаться генератор, выходное сопротивление которого 50 Ом. Кабель будет согласован. при КЗ или ХХ он не согласован, возникают всякие нехорошие стоячие волны на частоте длинной линии...
ключевое слово, -согласование каскадов.

_________________
Говорите говорите, я всегда зеваю когда мне интересно. 99,9% всех СЕ устройств, - от неправильных измерений


олег-джан | Post:262683 - Date: 18.08.10(13:12)
Ко входу твоего усила должен подключаться генератор, выходное сопротивление которого 50 Ом. Кабель будет согласован. при КЗ или ХХ он не согласован, возникают всякие нехорошие стоячие волны на частоте длинной линии...


тогда номинал R1 с ошибкой...

_________________
Обьективная реальность-бред,вызванный недостатком алкоголя в крови...


Eduard | Post:262685 - Date: 18.08.10(13:15)
:( Он у меня задуман как входной высокоомный повторитель, для усиления сигналов с микросхем генератора, после регуляторов, т.е. выходное у предыдущих каскадов в пределах 500 ом - 2к. И что мне дальше делать?

пс. То есть, для меня загадка, как они обратно на вход попадают?

_________________
И мню аз яко то имать быть, что сам себе всяк может учить.


олег-джан | Post:262686 - Date: 18.08.10(13:22)
а частоты твоих генераторов в каком диапазоне?
и почему именно эта схема?хотя,я в курсе,что ты не равнодушен к транзисторам..
можно еще поставить по входу согласующий трансик...желательно
на аморфном железе,гаммамет такие делает-на нем 50гц-10Мгц пропускает
нормально-проверено....есть еще импорт какой-то...

да,еще можно в питание дроссельки попробовать врезать..

_________________
Обьективная реальность-бред,вызванный недостатком алкоголя в крови...


Eduard | Post:262689 - Date: 18.08.10(13:28)
Диапазон задуман ПТ - 20 МГц, напряжение 2 вольта.
Транс ставить не хоцца...
Надо еще попробовать транзисторы с поменьше бета на входе. А может, просто диоды воткну. Отпишусь к вечеру.
Пошёл на рынок за арбузом.

_________________
И мню аз яко то имать быть, что сам себе всяк может учить.


ert_zeb | Post:262696 - Date: 18.08.10(14:40)
Такие параметры вполне по силам входному усилителю С1-118 (вроде бы). Такой чёрный пластмассовый бытовой осциллограф.
Там симметрично два полевика и два-три каскада биполярных тр-ров стоят. Причём с минимумом заморочек на экранирование. Да и сами детали от быт. техники применялись, включая слюдяные "КМ-ки".

PS: Собственно к чему я это брякнул. Входное сопротивление усилителя на полевиках или лампах побольше. Ну и проблем с согласованием поменьше.

Eduard | Post:262742 - Date: 18.08.10(20:56)
Всё, ничего хорошего не смог придумать. Поставил последовательно со входом резистор 100 ом, работает. Пробовал другие транзисторы (кт315, кт502), тоже возбуд, только частоты пониже, 20-25 МГц. Оставлю так, как есть.
Раньше я пару раз применял эту схему, работала нормально, но в обоих случаях сигнал снимался с выхода операционника. По-видимому, она не любит реактивностей на входе, а любит активность 100-200 ом.

ert_zeb, с полевиками будет следующая разработка 😀

_________________
И мню аз яко то имать быть, что сам себе всяк может учить.


Forex | Post:262748 - Date: 18.08.10(21:34)
Диапазон задуман ПТ - 20 МГц, напряжение 2 вольта.


Мн-э ?
Зачем же тогда себя, так мучить ? 🤢
Поставь обычный оп или обычный буфер (что под рукой ) и всё ..

Eduard | Post:262755 - Date: 18.08.10(22:17)
Интересно, а обычный - это какой? Под рукой у меня, например, 544уд2, частота единичного усиления 10 Мгц, значит, из повторителя можно выжать 1 МГц. Еще под рукой LM318, получится 500 кГц. Ну и т.д. Пример можно? А то, может быть, у тебя под рукой россыпи AD8xx.

_________________
И мню аз яко то имать быть, что сам себе всяк может учить.


<] [ 1 | 2 | 3 ] [>
У Вас нет прав отвечать в этой теме.
Форум - Прочие идеи (разные) - Схемотехника - Помогите, посоветуйте с электроникой (ассорти) - Стр 2
🏠 Главная | 📚 Содержание | 💬 Форум | 📁 Файлы | 📩 Контакт