[ВХОД]
14.04.26(07:19)

skif.biz

Альтернативная энергия. Оставь надежду, всяк сюда входящий...

🏠 Главная | 📚 Содержание | 💬 Форум | 📁 Файлы | 📩 Контакт
 
Резонансные генераторы
Магнитные генераторы
Механические центробежные (вихревые) генераторы
Электростатические генераторы
Водородные генераторы
Ветро- и гидро- и солнечные генераторы
Прочие идеи (разные)
О форуме
Транспорт
Оружие
Научные идеи, теории, предположения...
Экономия топлива
Коммерческие вопросы
Струйные технологии
Торсионные генераторы
Новые технологии
Барахолка
Патентный отдел
Конструкторское бюро
Нейтронная физика
Торнадо и смерчи
Гравитация и антигравитация
Сделай сам. Советы.
Медицина и здравоохранение

📱 | 🖨️

Форум - Магнитные генераторы - Магнитные генераторы - Эффективность использования энергии источника в трансах - Стр:9
<] [ 1 | 2 | 3 | 4 | 5 | 6 | 7 | 8 | 9 ]
Модератор: stasis2
Первый пост темы: stasis2 Post: #236773 От:20.03.2010 (17:25)
Здесь будут рассмотрены варианты построения трансформарных систем и то как эффективно в них используется (преобразуется) энергия источника питания. Как известно трансформатор =преобразователь . Электрическая энергия преобразуется в нём в энергию магнитного потока , далее опять в электрическую. Значит есть промежуточное звено где энергия находится в другом виде . Из этого я делаю вывод что уместно уже говориь не о КПД , а о КПЭ (коофициент преобразования энергии) . Обычно первичная обмотка обладает у нас индуктивным сопротивлением ,которое мешает току нарастать мгновенно . А что если мне удалось решить эту проблему и при этом снять с обмотки индукционным способом ?
Мощность магнитного потока измеряется в ампер витках , мощность подводимая от источника не имеет значения для мощности магнитного потока если первичная обмотка не обладает индуктивным сопротивлением . Имеет значение лишь ток который возьмёт первичная обмотка и скорость нарастания последнего . Однако есть чего обсудить. Предложения по улучшению и обсуждение принципов работы только с практиками .😊
matros | Post:243117 - Date: 25.04.10(10:43)
Сделал такой опыт : Транс 270 вт О образный от старого телика на каждом стержне половина первички, намотал поверх первичек одинаковые вторички витков по 15 включил их (вторички) противофазно, на одну первичку подал напругу вторая свободна на вторичке естественно 0 теперь закорачиваю вторую половину первички и на вторичке появляется напруга . Получается всетаки кз вторичка может быть источником.

_________________
Бессмыслица — искать решение, если оно и так есть. Речь идёт о том, как поступить с задачей, которая решения не имеет.(АиБ)


matros | Post:247516 - Date: 27.05.10(18:41)
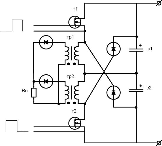
Вот такую весч собрал на двух трансах о образных 270 Вт там сетевая на двух кернах намотана , так вот я одну половину как первичку взял вторую как вторичку и генер на ир2153 после отключения сети при закороченной вторичке еше минуты две робит. правда не совсем так как ожидалось но это наверно изза частоты высокой не ферит всетаки, такчто ферит мотать буду.

Смысл установки, такой при замыкании цепи первички наводится и эдс во вторичке и соответственно растут токи но т.к. первичка и вторичка на разных кернах то МП в сердечниках не исчезают и соответственно при запирании ключа ток в индуктивности идя по инерции заряжает второй кондер затем процесс повторяется с другим трансом. Система работает т.е. возврат энергии в кондеры. причем даже при замкнутой вторичке. Но передача через магнитопровод почему то маленькая думаю изза материала сердечника.

зы можно конечно и один "транс" пмрименить но тогда выёживаться с формой импульсов надо т.е. длина импульса должна быть равна длине паузы затем обратная полярность и также импульс потом пауза сердечник думаю всетаки разомкнутый нужен мож дажепросто стержень.


Размер: 26.61 KB

_________________
Бессмыслица — искать решение, если оно и так есть. Речь идёт о том, как поступить с задачей, которая решения не имеет.(АиБ)


<] [ 1 | 2 | 3 | 4 | 5 | 6 | 7 | 8 | 9 ]
У Вас нет прав отвечать в этой теме.
Форум - Магнитные генераторы - Магнитные генераторы - Эффективность использования энергии источника в трансах - Стр 9
🏠 Главная | 📚 Содержание | 💬 Форум | 📁 Файлы | 📩 Контакт