[ВХОД]
23.04.26(16:03)

skif.biz

Альтернативная энергия. Оставь надежду, всяк сюда входящий...

🏠 Главная | 📚 Содержание | 💬 Форум | 📁 Файлы | 📩 Контакт
 
Резонансные генераторы
Магнитные генераторы
Механические центробежные (вихревые) генераторы
Электростатические генераторы
Водородные генераторы
Ветро- и гидро- и солнечные генераторы
Прочие идеи (разные)
О форуме
Транспорт
Оружие
Научные идеи, теории, предположения...
Экономия топлива
Коммерческие вопросы
Струйные технологии
Торсионные генераторы
Новые технологии
Барахолка
Патентный отдел
Конструкторское бюро
Нейтронная физика
Торнадо и смерчи
Гравитация и антигравитация
Сделай сам. Советы.
Медицина и здравоохранение

📱 | 🖨️

Форум - Транспорт - Летательные аппараты (UFO) - Платформа Гребенникова - Стр:45
<] [ 1 | ... 35 | 36 | 37 | 38 | 39 | 40 | 41 | 42 | 43 | 44 | 45 | 46 | 47 | 48 | 49 | 50 | 51 | 52 | 53 | 54 | 55 | ... | 357 ] [>
Модератор: SergeyA
Первый пост темы: SergeyA Post: #1269 От:29.07.2004 (09:00)
Я обычно начинаю с этой закладки:
http://babochki.narod.ru/vsg.html
там внизу полезные ссылки.
а вот и сама история:
http://www.bronzovka.narod.ru/glava05_2.html

Читая материал, я понял, что со многими проявлениями ЭПС (эффекта полостных структур) я знаком и полностью согласен.
Но чтобы проводить опыты - кроме излучателей, нужны измерители. А как его измерить объективно? Жжение, покалывание в руке и проч. - субъективные факторы. У Гребенникова описан такой прибор. Баночка с соломинкой на паутинке, которая может поворачиваться. Сначала не получалось, потом приспособился.
Могу сказать одно. Индикатор устойчиво работает. Измерителем назвать трудно, поскольку угол отклонения сильно зависит от времени суток (может от чего-то еще).
В качестве "облучателя" пробовал использовать рулончик фотопленки (маленький конус). Направлял на нижнюю часть соломинки. Показания очень слабые и неустойчивые. После повторного прочтения обнаружил, что Гребенников "облучает" верхнюю часть соломинки. Далее еще по другим соображениям рулончик был вставлен в стек кольцевых магнитов. Показания увеличились и стали устойчивыми. Таким образом, я имею объективный работающий индикатор поля ПС. И наконец-то могу номально оценивать и даже грубо сравнивать эти поля.
Фотки разместил по ссылке http://rundex.info/photos/ Если интересно, можете брать и использовать. Уменьшенные изображения - снизу ( не смог згрузить фотки в нужном порядке, он по своему из упорядочивает 😕 и описания не хочет приделывать порядок картинок см. по названию файлов - когда наводишь мышку: 1_small, 2_small, 3_small).
Время экспозиции в каждом положении перед съемкой: 2-3 мин.
После последней фотографии к 23 часам индикатор повернулся еще примерно на 40-50 град. К утру (заметил в 6 часов) вернулся к положению как на фотке и к 8 утра опять от него отклонился, но поменьше чем ночью.
sergrushka | Post:26938 - Date: 04.05.06(10:12)
NICKy 😁 Похоже у тебя совсем нет интуиции - спутал Беса с Артуром. Я бы еще мог подумать, что NEMO-SAS это Артур но никак не Бес 😁 . Артур советовал почитывать журнал НЛО. Краткий дайжест журнала за эту неделю, что мне показалось в нем интересным.
1.Командир погранчасти, когда служил на Курилах несколько раз видел в море животное, похожее на Лохнессое, короче живого динозавра.
2. В России давно занимаются созданием комнат, где возможно увидеть будущее. Якобы янтарная комната и есть сие приспособление. Заснув в ней вы можете увидеть будущее. Но никто не разрешит вам в ней прикорнуть 😁
Автор поста не связан с журналом и не преследовал коммерческих и рекламных целей.

Nick | Post:26940 - Date: 04.05.06(10:22)
Возможно спутал.
А НЛО я сам 01.05.2006 г. видел в 23-00
Не одно, а 2-а.
Первый обект был виден под углом 45 % от земли второй ниже примерно 30 или около этого
Обекты оба были на одном уровне.
Обекты похожи на шары или диски с красными огоньками.
Похоже, что обекты были одинаковые.
Обекты были в 2-2,5 раза больше самой яркой звезды.
И свидетели тоже были.
Теперь жалаею, что не сездил в город хотябы за биноклем и фотоапаратом.

Khabarovskwolf | Post:26941 - Date: 04.05.06(10:41)
to bes,Расскажи как большой конус был сориентирован?И в какие именно часы эффект усиливается,возможно есть система какая-то,которую можно сформулировать.
Могу предположить,что эффект будет интересным,если соорудить второй большой конус.И понаблюдать,сам сейчас сооружаю употел,мягко говоря.Говорил про бумагу какую-то особую,по-подробнее пожалуйста если можно.И почему так решил? С уважением.

_________________
С уважением.


bes | Post:26942 - Date: 04.05.06(10:55)
Dimasen На мыло напишу сейчас.
-------------------------
Видите ли free, работа в том виде, чем я занимался - просто маленькая часть моего хобби. На сегодня я для себя прошел некий этап. Чуть позже,вероятно, что-то из этого продолжу. Поскольку я для себя решил, что платформу
мне не построить, то и решил все, что есть по этой теме просто отдать.Может кому нибудь и нужно будет. Год назад я уже отдал большую часть материалов, и мне сказали, что будет выложено для всех. Но на том форуме так ничего и не появилось. Теперь я сам решил это сделать. Я не очень люблю
форумы, поскольку часто вижу, как человека макают в грязь только за то,что его мнение в коорне отличается от мнения форума. Эта ветка очень во многом совпадает с моим видением проблемы, поэтому я и решился.
По биолокации я занимался достаточно много, хотя и не часто. Есть на это свое мнение, и где-то в середине 70х даже сделал прибор. Работал отлично у 18 человек из 20. Это был маленький биоусилитель. С индикацией. Схема его была приложениа к новым микросхемам, которые только еще собирались запускать в производство. Он реагировал на руку. Отслеживал биоток мышц, которые только собирались повернуть ладонь руки. Ладонь надо было держать вертикально.Когда ладонь собирается повернуться вниз - это можно считать отрицательной реакцией на поле, если вверх - положительной. У меня в комнате вдоль стены проходит геопатогенная зона. Примерно 20 - 30 см. Очень удобно для экспериментов. Прибор этот у меня еще в 80х взял один "исследователь" биополей,
попробовать на несколько дней. После этого пользуюсь рамкой. Мне даже удобнее.
Я просто не ожидал такого количества вопросов, и несколько растерялся. О чем писать в первую, а о чем во вторую очередь. Все как-то сумбурно. А я целый год ГВС не занимался.

Khabarovskwolf | Post:26944 - Date: 04.05.06(11:01)
Nick, :!: я тоже НЛО(во всяком случае никто не разубедит)видел.Все знакомые,кому рассказывал смеются,вдобавок дело было перед самым началом салюта 9го мая в прошлом году.Так получилось,что был тогда один.Так вот на фоне ясного неба (уже после заката)минут за 5-10 до первого залпа краем глаза увидел над рекой(высоту не определил),три еле заметных красных огонька.Не заметил бы еслибы взгляд был смещён даже чуть в другую сторону,потому как они были не ярче чем самая тусклая звезда.Но заметил.Они летели очень быстро,так,как если бы совсем рядом пролетела муха.Но видно,что не высоко над уровнем горизонта,на фоне неба.Возможно как светлячки,только красные и тусклые.Примечательно это было ещё и тем,что в течении не более чем трёх секундного полёта они преодалели наверное километров не менее пяти,опережая друг друга,и взмыли вертикально вверх,прямо как искры от костра.На счёт свидетелей не знаю,я был не в компании.Может кто ещё и видел,не знаю.Сразу говорю,не пил совсем ,и с баржи на реке никаких ракетниц в это время не запускали.Господа,извините за "невтемный" пост.Просто вот к слову поделился.

_________________
С уважением.


djonny | Post:26945 - Date: 04.05.06(11:06)
Nick, и где сие видел ?

sergrushka | Post:26956 - Date: 04.05.06(12:15)
Когда бес начал рассказывать про конус, я подумал, что он построил большой Гребенникова. Но когда он привел фото, сразу понял, что ошибся, он построил его на основе идей Драгона Лорда. Если бы он встал под конус ГВСа, то мог бы потом и не оклематься 😁
Тут один уважаемый мной член форума задал вопрос, как выглядит поле у Арины. У меня, к сожалению, была пластмасса с шестигранниками, расстояние межру параллельными гранями у которых 6мм. Но тем не менее из него я сделал несколько Арин. Поле, которое формирует Арина я нарисовал от руки в фотошопе и прикрепил к посту. Как такое возможно я не знаю 😁
Еще он попытался объяснить этот феномен:
""....Я уже ранее писал на форуме, что по всей видимости, работают "подрезанные" части сот, - две наклонные линии реза отсекают от сот различные части, оставляя отрезки различной длины граней каждой из разрезаемых сот. "Ущербная" сота становится активной, за счет большой периодической структуры (целые ячейки сот) "ущербность" как в голограмме достраивается полем. Плюс к этому, характер "ущербности" вдоль линии реза так же носит периодический характер. А два различных реза - это две периодические "ущербности".
Как думаешь, покатит такая трактовка?.....""
Я могу добавить, что ущербность создает и фаска, она тоже крайние шестигранники ломает. С другой стороны, у меня была выкройка Арины из картона. Она тоже дает такое же биополе, только шарик раза в два меньше 😀 Сама Арина напоминает, по форме рыбу. У ней есть большая челюсть верхняя и меньшая нижняя.
Если Арину ставишь как я нарисовал, большой челюстью вверх, то она выдает положительное биополе, если наоборот, то выдается небольшое отрицательное биополе. 😀 Как это объяснить я тоже не знаю.

bes | Post:26961 - Date: 04.05.06(12:39)
Гспода. Вы уж извените, но я так и не понял про идеи ДЛ о конусе. Уже
несколько сообщений про идеи и технологии. Где они лежат. Лично я делал
по журналу ТМ 6-1984. Там просто нет никаких идей и технологий. Простейшее
описание. Какая технология и идеи могут быть при изготовлении кулька для
семечек. Я в свое время дал ему фотки и описания экспериментов. 4 фотки он
использовал как иллюстрации. Об этом я написал чуть выше.Или здесь намек
на плагиат?

sergrushka | Post:26968 - Date: 04.05.06(13:04)
Гспода. Вы уж извените, но я так и не понял про идеи ДЛ о конусе. Уже
несколько сообщений про идеи и технологии. Где они лежат.?
Вот на этом форуме 😀
[ссылка]
Или здесь намек на плагиат?

Наоборот, понятно стало откуда у Дрокон Лорда появились эти структуры. Так как он на источник не ссылался 😁

bes | Post:26971 - Date: 04.05.06(13:32)
А нельзя ли номер страницs и тему?

Nick | Post:26973 - Date: 04.05.06(13:47)
Nick, и где сие видел ?

[ссылка]
Мои координаты были:
1. Широта 33 град. 17,5"
2. Долгота 51 град 80,2 "
Обьекты были примерно
33 град. 22"
51град 78"
и
33 град. 22"
51град 74"

free_energy | Post:26975 - Date: 04.05.06(13:55)
Извините, можно удалить, но жить не хочется, а сказать очень, что немногоуважаемый DятелL, осадил на дно очень много информации, и сейчас мне просто интересно:

а) он делает это специально,
б) у него склероз,
в) он валенок
г) крыша уже уехала и амбиции ослепили глаза?

Ну да бог с ним, не переживайте bes сильно, в самом принципе никто не сможет продвинутся в разгадке ГВС дальше ЭПС, т.к.той, большей части о которой мог говорить Гребенников никто не знает. Но летать вы будете, и я буду летать и многие тоже успеют. По воде вы ведь ходить не умеете, но тем не менее люди научились плавать, технология та же.

Форум выдает еденичных исследователей которые действитено обладают необходимым знанием, но даже то, что на этом форуме лежит рисунок рабочего бестопливного генератора тоже остается никем не замеченым.

В общем очень прошу рассказать о работе с рамкой, ее размерах, взаимодействии с эпс итд. Можно на мыло.

_________________
\\\"Есть только одно благо — знание, и есть только одно зло — невежество.\\\" Сократ


Ivan | Post:26976 - Date: 04.05.06(13:57)
sergrushka
Поля такие потому, что ты применяешь стр- ру, как собирающую или рассеивающую линзу. Примени правила оптики- дифракцию и интерференцию 😀
Фри- про ЭПС- ошибаетесь 😀

_________________
Наука – это несомненное сумасшествие, занятое классификацией своих собственных галлюцинаций. Поэтому не удивительно, что люди науки отвергают исследования, которые считают чужими галлюцинациями. Амиель


free_energy | Post:26977 - Date: 04.05.06(13:58)
sergrushka, пропустил, кто такая Арина?

_________________
\\\"Есть только одно благо — знание, и есть только одно зло — невежество.\\\" Сократ


Nick | Post:26979 - Date: 04.05.06(14:04)
ФИЗИКА КВАНТОВАННОГО ПРОСТРАНСТВА И ВРЕМЕНИ
[ссылка]
Валентин Золотарев

Nick | Post:26985 - Date: 04.05.06(14:23)
И еще от ГВС.
"...волны, свойственные многоячеистым структурам, спо-собны воздействовать и на живые организмы, меняя их физиологиче-ское состояние, и на «неодушев-ленные» предметы; направленность волн зависит от направленности ячеек. ..."
[ссылка]

NNN | Post:26986 - Date: 04.05.06(14:25)
Известно и задокументировано уменьшения веса металлических шариков.
Берется банка, в нее насыпаются мелкие металлические шарики. Очень точно замеряется вес. Потом эта банка сильно встряхивается несколько раз и снова меряется вес. Вес становиться меньше. Но постепенно , колебаниями, возращается к исходному в течении нескольких минут...
Гдето у меня есть все на компе, только нужно потрудится найти... этой инфе уже несколько лет..

_________________
Nикогда Nе говори Nет


sergrushka | Post:26990 - Date: 04.05.06(14:28)
sergrushka, пропустил, кто такая Арина?

Вот тут посмотри 11 страниц и тебе станет легче 😁
[ссылка]
Бесу - не буду я искать эти посты, это надо просмотреть 3 ветки форума Матрицы, в лом, смотри сам, тем более что там есть очень познавательная и поучительная инфа. Обязательно, если прочитаешь хотя бы одну ветку, появится масса идей.

lord76 | Post:27142 - Date: 05.05.06(22:56)
NNN,
Вот некоторые результаты по тестированию микросхем:
На первом графике виден разброс параметров одного типа ОЗУ, на втором температурная зависимость количества сбоев информации от времени отключения питания.


Размер: 28.93 KB

Monax | Post:27144 - Date: 05.05.06(23:17)
Кто-нибудь подскажите, как сделать пуансон и матрицу для параболлической "антены" на коленке? Или другие варианты...

Не парься, а просто купи детские санки - "тарелку" ( металлические круглые полусферические с ручками).Прессуют их одним штампом ,что и для военных. Поляки в своё время от нас их штабелями вывозили и мастрячили у себя антеннки и нам же втюхивали. Вот такая ,блин,коммерция. :lol:

_________________
Профессиональный пилот стратегической баллистической ракеты


NNN | Post:27145 - Date: 05.05.06(23:47)
lord76, Попробуйте на этом датчике испытать полостные структуры, как он среагирует.
Возможно появится хоть один физический электрический прибор, который сможет регистрировать илучение этих структур. Соломинка на паутинке (по Гребенникову) очень уж "капризна" и "склонна к непостоянству"....

_________________
Nикогда Nе говори Nет


bes | Post:27197 - Date: 06.05.06(12:56)
-

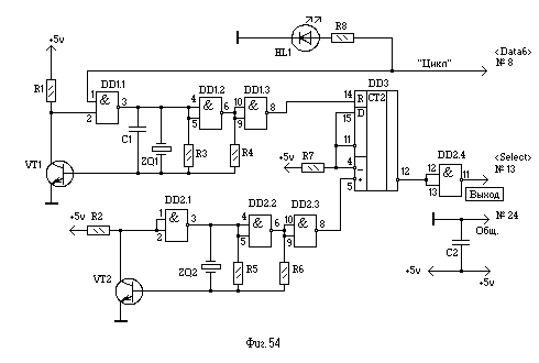
SergeyA | Post:27202 - Date: 06.05.06(14:32)
bes,
А я схемку вот с этой странички собирал.
http://fegal.narod.ru/54.htm
Там и прога для нее есть.
В постах выше и ошибся, действительно, запускаться не хотел именно часовой кварц, не помню как, но я его всетаки "завел".



Размер: 5.37 KB

bes | Post:27204 - Date: 06.05.06(14:40)
Да, ана похожа на то, что и я пробовал. И тоже подбирал кондер. Но у нее оказался шум просто огромный. Я перепробовал много кондеров, и транзисторов. Ставил полевики. Частота была какая-то странная. Иногда схема самаработала без кварца. И я воспользовался часами.

SergeyA | Post:27206 - Date: 06.05.06(14:52)
bes,
Именно так, но вроде удалось. И еще, у нее какое-то время после включения есть дрейф, который минут через пять резко уменьшается. Я когда подносил картонку сверху, то реагировала, сбоку - слабо. Вот я и решил, что воздух хуже двигается, когда картонка сверху и схема нагревается.

<] [ 1 | ... 35 | 36 | 37 | 38 | 39 | 40 | 41 | 42 | 43 | 44 | 45 | 46 | 47 | 48 | 49 | 50 | 51 | 52 | 53 | 54 | 55 | ... | 357 ] [>
🔒 Тема закрыта. Добавление новых сообщений невозможно.
Форум - Транспорт - Летательные аппараты (UFO) - Платформа Гребенникова - Стр 45
🏠 Главная | 📚 Содержание | 💬 Форум | 📁 Файлы | 📩 Контакт