[ВХОД]
28.04.26(23:32)

skif.biz

Альтернативная энергия. Оставь надежду, всяк сюда входящий...

🏠 Главная | 📚 Содержание | 💬 Форум | 📁 Файлы | 📩 Контакт
 
Резонансные генераторы
Магнитные генераторы
Механические центробежные (вихревые) генераторы
Электростатические генераторы
Водородные генераторы
Ветро- и гидро- и солнечные генераторы
Прочие идеи (разные)
О форуме
Транспорт
Оружие
Научные идеи, теории, предположения...
Экономия топлива
Коммерческие вопросы
Струйные технологии
Торсионные генераторы
Новые технологии
Барахолка
Патентный отдел
Конструкторское бюро
Нейтронная физика
Торнадо и смерчи
Гравитация и антигравитация
Сделай сам. Советы.
Медицина и здравоохранение

📱 | 🖨️

Форум - Резонансные генераторы - Резонанс Мельниченко - Резонанс в который раз - Стр:5
<] [ 1 | 2 | 3 | 4 | 5 | 6 ] [>
Модератор: MSN
Первый пост темы: MSN Post: #270141 От:05.10.2010 (15:41)
Доброго всем дня.Эта тема открывается под определенный проект.
В планах исследовать на стенде поведение асинхронных двигателей в резонансе, нагрузить их, снять характеристики и при этом ответить наконец на вопрос: а какой же КПД устройства в резонансе, есть ли та долгожданная прибавка в таких режимах, или все те "сенсации" в этом направлении , что я наблюдаю уже на протяжении скоро десяти лет , это мягко говоря результаты некорректных измерений.
Возможности стенда, кратно:
3-ф сеть, 3 банка переключаемых конденсаторов (1-128)мкф, 3 латра 220/9А, станина для двигателей мощностью вплоть до 11кВт. В наличии несколько двигателей от 1, до 4,5 квт. Нагрузка на вал двигателя предполагается в виде асинхронного же двигателя включенного через ременную передачу с переключаемым 1,01-1,15 коэффициентом редукции в режим асинхронного генератора.
Эксперименты планируем начать где-то в конце октября, - начало ноября. До этого времени данная тема призвана накопить предложения о возможных вариантах включения и проверки двигателя в резонансе. Интересные предложения будут проверены и информация о результатах этих тестов будет обнародована. Итак, ждем интересных предложений.
MSN | Post:271377 - Date: 14.10.10(17:46)
Ребята, jjeekk и Senja когда я выше говорил об условии вхождения АД в режим генерации, это превышение валом синхронной частоты, которая зависит от частоты сети и кол-ва полюсов, я имел ввиду схему когда асинхронник подключен к сети и возбуждается сетью, сеть же для него в этом случае тоже является нагрузкой. Если АД работает в автономном режиме с возбуждением от конденсаторов, то ни о какой синхронной частоте речи быть не может, АД возбуждается в широком спектре частот вращения вала, но частота генерируемого тока естественно будет разной и будет f=n/60*P где n-количество оборотов в мин. вала; P-количество полюсов машины, также будет изменяться и выходное генерируемое напряжение, и в серьезных системах может понадобиться система его стабилизации.

_________________
Говорите говорите, я всегда зеваю когда мне интересно. 99,9% всех СЕ устройств, - от неправильных измерений


jjeekk | Post:271384 - Date: 14.10.10(20:22)
MSN, стобой я полностью согласен, и тем более проверял на собственнын опытах, но все же, какие процессы происходят в режиме генерации.

Gobsek | Post:271393 - Date: 15.10.10(02:17)


MSN Пост: 271377 От 14.Oct.2010 (18:46)
...об условии вхождения АД в режим генерации, это превышение валом синхронной частоты, которая зависит..


помню, есть такой термин - "проскальзывание", в данном случае оно является отрицательным, пользуйся.

transtim | Post:271455 - Date: 16.10.10(12:45)
😊

_________________
www.transtim.by ICQ: 279096416


transtim | Post:271458 - Date: 16.10.10(13:11)
adykiy Пост: 271221 От 13.Oct.2010 (12:26)
Senja и еще есть идея для эксперемента подключить обмотки с кондерами последовательно
тоесть обмотка 1 потом кондер идет второй вывод кондера на начало второй обмотки и так далее
возможно еще попробовать паралельно каждой обмотки подкинуть еще по емкости получиться что то вроде колебательных контуров с последовательным соеденением через емкость
а если есть чем индуктивность замерить да контур в резонанс настроить ...
но это так мысли (прошу не судить строго знаний маловато)


А ну-ну давай свои знания и бредовые идеи(самые бредовые тоже) в схемах изложи. Я третий месяц трахаюсь с проверками разных схем для АГ.Проверим усе.
Смотрите в чем проблема:
Когда ветер сильный -все красиво. Но когда слабый 3-5м/с, а он в основном всегда такой, АГ только возбудился и здох и дальше по новой.
Идея, надо давать подвозбуждение и при маленьких ветрах снимать хоть немного но себе... Проблема как реализовать в железе. 😝😶


Уже реализовано. Новости наши читайте. И именно на слабых ветрах.

_________________
www.transtim.by ICQ: 279096416


transtim | Post:271459 - Date: 16.10.10(13:40)
MSN Пост: 271376 От 14.Oct.2010 (18:33)
adykiy Пост: 271354 От 14.Oct.2010 (12:41)
MSN У тебя какая задача-то ? Ты определись.
Или есть 3-ф сеть и она же и возбуждает, она же и нагрузка, или устройство должно работать автономно. Это совсем разные случаи, второй намного запущенней 🤢


Сейчас задача- есть 3-ф сеть и она же и возбуждает, она же и нагрузка.

Автономия- почти тот же случай если есть инвертор или бесперебойник.Если Фимины коментарии подтвердяться экспериментально,вопрос в автономией решен. У меня на мобильном ветряке стоит многоскоростной ассинхронник серии Т. И он выполнен как однообмоточник с отводами (12 отводов).

Если сеть как возбудитель и как нагрузка, то задача сводится только к превышению оборотов ветряка над оборотами вращающегося на ХХ двигателя. Он кстати может и выводить ветряк из ступора. Задача решается чисто механически. С помощью муфт и редукторов. Идеален вариатор.
Если сети нет, и установка должна быть мобильной, и ОБЯЗАТЕЛЬНОЕ условие это использование асинхронника в качестве генератора, то тогда вариант с конденсаторами.
Но!! необходимо будет решать задачу СТАБИЛИЗАЦИИ напряжения и тока возбуждения при изменении момента передающегося с ветряка, а то и останавливающегося. Задача нетривиальная, могу тебя уверить, почти невыполнимая. В таком случае дополнительно понадобятся буферные аккумуляторы и инвертор.


О как вы правы!!!!
Сколько мы с этим бились! И не только на ветряках. На ГЭСах так же стабильности нет. НИКАКОЙ!
Хотите денег вам сэкономлю? Не надо буферных АБ. И инверторов не надо. Вы так людей разорите.

_________________
www.transtim.by ICQ: 279096416


adykiy | Post:271462 - Date: 16.10.10(13:53)
transtim О как вы правы!!!!
Сколько мы с этим бились! И не только на ветряках. На ГЭСах так же стабильности нет. НИКАКОЙ!
Хотите денег вам сэкономлю? Не надо буферных АБ. И инверторов не надо. Вы так людей разорите.


Хотим и очень.Экономь,ибо в ранешние времена было сказано "Экономика должна быть экономной".🤢

transtim | Post:271526 - Date: 17.10.10(02:18)
adykiy Пост: 271462 От 16.Oct.2010 (14:53)
transtim О как вы правы!!!!
Сколько мы с этим бились! И не только на ветряках. На ГЭСах так же стабильности нет. НИКАКОЙ!
Хотите денег вам сэкономлю? Не надо буферных АБ. И инверторов не надо. Вы так людей разорите.


Хотим и очень.Экономь,ибо в ранешние времена было сказано "Экономика должна быть экономной".🤢


Тогда может еще один совет? Бесплатный. Чего вы лезете в ветряки? Некуда деньги девать? Потренируйтесь сначала на "кошках". Получите стабильный результат на любой другой генерирующей системе. На ветряках надо объединять технологии. Реально работающие технологии.

_________________
www.transtim.by ICQ: 279096416


adykiy | Post:271542 - Date: 17.10.10(08:56)
transtim
Тогда может еще один совет? Бесплатный. Чего вы лезете в ветряки? Некуда деньги девать? Потренируйтесь сначала на "кошках". Получите стабильный результат на любой другой генерирующей системе. На ветряках надо объединять технологии. Реально работающие технологии.

Да дело в том,что в ветряки я уже влез.Их есть у меня, три штука.Это одно из нескольких направлений. Из серии двух яиц но в трех корзинках. Раньше не хватало времени, сейчас средств на полномаштабные исследования.С теплом,водой уже все решено.Осталось решить электроэнергию(хотя бы в минимальном обьеме) и топливо для машин. Все вроде движеться,но медленно.Кризис мля...😎

P.S.Самая большая проблема, что книжкам верить нельзя.Все приходиться проверять .🤬

transtim | Post:271562 - Date: 17.10.10(12:30)
adykiy Пост: 271542 От 17.Oct.2010 (09:56)
transtim
Тогда может еще один совет? Бесплатный. Чего вы лезете в ветряки? Некуда деньги девать? Потренируйтесь сначала на "кошках". Получите стабильный результат на любой другой генерирующей системе. На ветряках надо объединять технологии. Реально работающие технологии.

Да дело в том,что в ветряки я уже влез.Их есть у меня, три штука.Это одно из нескольких направлений. Из серии двух яиц но в трех корзинках. Раньше не хватало времени, сейчас средств на полномаштабные исследования.С теплом,водой уже все решено.Осталось решить электроэнергию(хотя бы в минимальном обьеме) и топливо для машин. Все вроде движеться,но медленно.Кризис мля...😎

P.S.Самая большая проблема, что книжкам верить нельзя.Все приходиться проверять .🤬


Если ветряки на базе АГ, то скиньте в личку характеристики. Может вам дешевле будет наша технология, чем научными изысканиями заниматься.

_________________
www.transtim.by ICQ: 279096416


bazarov | Post:277171 - Date: 24.11.10(21:51)
dobrman Пост: 270678 От 09.Oct.2010 (23:18)
Еще ссылка [ссылка] ПОЛУЧЕНИЕ ДОБАВОЧНОЙ АКТИВНОЙ ЭЛЕКТРИЧЕСКОЙ МОЩНОСТИ (ДАЭМ).

Дурь.

_________________
Не хватит никакого здоровья, чтобы приспособиться к этому глубоко больному обществу(Кришна Мурти)/Горшки не Боги обжигают (многовековая классика)


MSN | Post:280170 - Date: 18.12.10(23:04)
В качестве анонса:
Ну вот, наконец-то стенд готов на 99%, по быстрому проверил одну из возможных схем параллельного резонанса в 3ф двигателе.
image

мотор АО2-32-4У3 3квт/1500 в качестве нагрузки АИР100S4 3кВт/1500 в режиме генерации на сеть. Передача через ременный вариатор. НА валу мотора под нагрузкой 1482 об/мин, на валу генератора 1503об/мин, таким образом коэффициент редукции установлен = 1,014; генератор отдает в сеть ~800вт, мотор при этом потребляет ~1545вт. Для КПД 0,83 и 0,8 мотора и генератора это нормально, при этом общий косинус у мотора ~0,5. Идеально для резонанса. Двигатель недогружен. Ну чтож, попробуем.
Включаю емкости параллельно фазным обмоткам. Величины резонансных емкостей получается примерно по 68uF. Токи с ~4,5 А падают до 2,6А, средний косинус растет до COS_f=0,95. Прекрасно.
Потребляемая мощность ...... не изменяется.... ну почти, падает всего на ватт 30-40.😈

RU Продолжение следует,
UA Далi буде. 😀

_________________
Говорите говорите, я всегда зеваю когда мне интересно. 99,9% всех СЕ устройств, - от неправильных измерений


adykiy | Post:280173 - Date: 18.12.10(23:13)
MSN Включаю емкости параллельно фазным обмоткам. Величины резонансных емкостей получается примерно по 68uF. Токи с ~4,5 А падают до 2,6А, средний косинус растет до COS_f=0,95. Прекрасно.
Потребляемая мощность ...... не изменяется.... ну почти, падает всего на ватт 30-40.😈



Сергей , а емкости считал или подбирал.
А на фига на звезду , звезду вешать. Или свои идеи...И как замастырил ременной вариатор.
Фото стенда, плиз.

MSN | Post:280183 - Date: 18.12.10(23:48)
Зачем звезду на звезду ? так были соединены банки конденсаторов. Спешил, не хотелось перекоммутировать. В составе стенда есть три банка переменных конденсаторов 1-256uF с шагом в 1uF. Дальше проведу тест: треугольник конденсаторов на моторную звезду. Решающего значения это иметь не будет. Увидишь. Изменятся номиналы емкостей, но ничего кардинально не измениться. Емкости подбирались, по минимуму тока потребления каждой фазы. НО можно и просчитывать, методика известна.
Конечно буду проверять и свои идеи и те схемы (в частности ротовертер) что муссировались на скифе и преобразователь 1ф в 3-ф как у транстимов. А собстенно для чего потрачено столько времени и денег на оборудование стенда ?
Вариатор это собственно два шкива, каждый из которых состоит из двух дисков-тарелок с изменяемым расстоянием между ними, что приводит к изменению коэффициента передачи. Чертежи вариатора, если есть интерес, могу сбросить.
Фото стенда выложу позже, нужно будет взять с собой фотоаппарат, на тлф. качество не очень.

_________________
Говорите говорите, я всегда зеваю когда мне интересно. 99,9% всех СЕ устройств, - от неправильных измерений


adykiy | Post:280186 - Date: 18.12.10(23:55)
За вариатор спасибо , сбрось конечно.
Сейчас меня больше Валерина схема интересует, по дяде Васе. Ее бы поюзать професионально. Еще мне притащили МИ-32 исполнительный двигатель(электромашинный усилитель мощности). Очень интересный агрегат.Могу передать на испытания.Он живой, рабочий и не очень большой.


Размер: 63.55 KB

MSN | Post:280188 - Date: 19.12.10(00:03)
Валерину схему поюзаем обязательно. Кста.., напомнил, к НГ дядя ВАСЯ (реальный дядя из одноименной ветки) обещал дать свою фирменную схему. Посмотрим... 😀

_________________
Говорите говорите, я всегда зеваю когда мне интересно. 99,9% всех СЕ устройств, - от неправильных измерений


jjeekk | Post:280204 - Date: 19.12.10(00:41)
MSN, попробуй запустить мотор, переключить питание всего на одну обмотку через ЛАТР, и уменьшить напряжение питания. А, потом ту-же обмотку пустить в последовательный резонанс. Интересно насколько можно снизить напряжение питания одной обмотки в резонансе?



MSN | Post:280212 - Date: 19.12.10(01:11)
jjeekk Пост: 280204 От 19.Dec.2010 (00:41)
MSN, попробуй запустить мотор, переключить питание всего на одну обмотку через ЛАТР, и уменьшить напряжение питания. А, потом ту-же обмотку пустить в последовательный резонанс. Интересно насколько можно снизить напряжение питания одной обмотки в резонансе?



Снизить питание можно будет в добротность раз.
На холостом ходу добротность максимальна, можно думаю будет получить около 3-х раз, под нагрузкой думаю 1,5-2 раза...
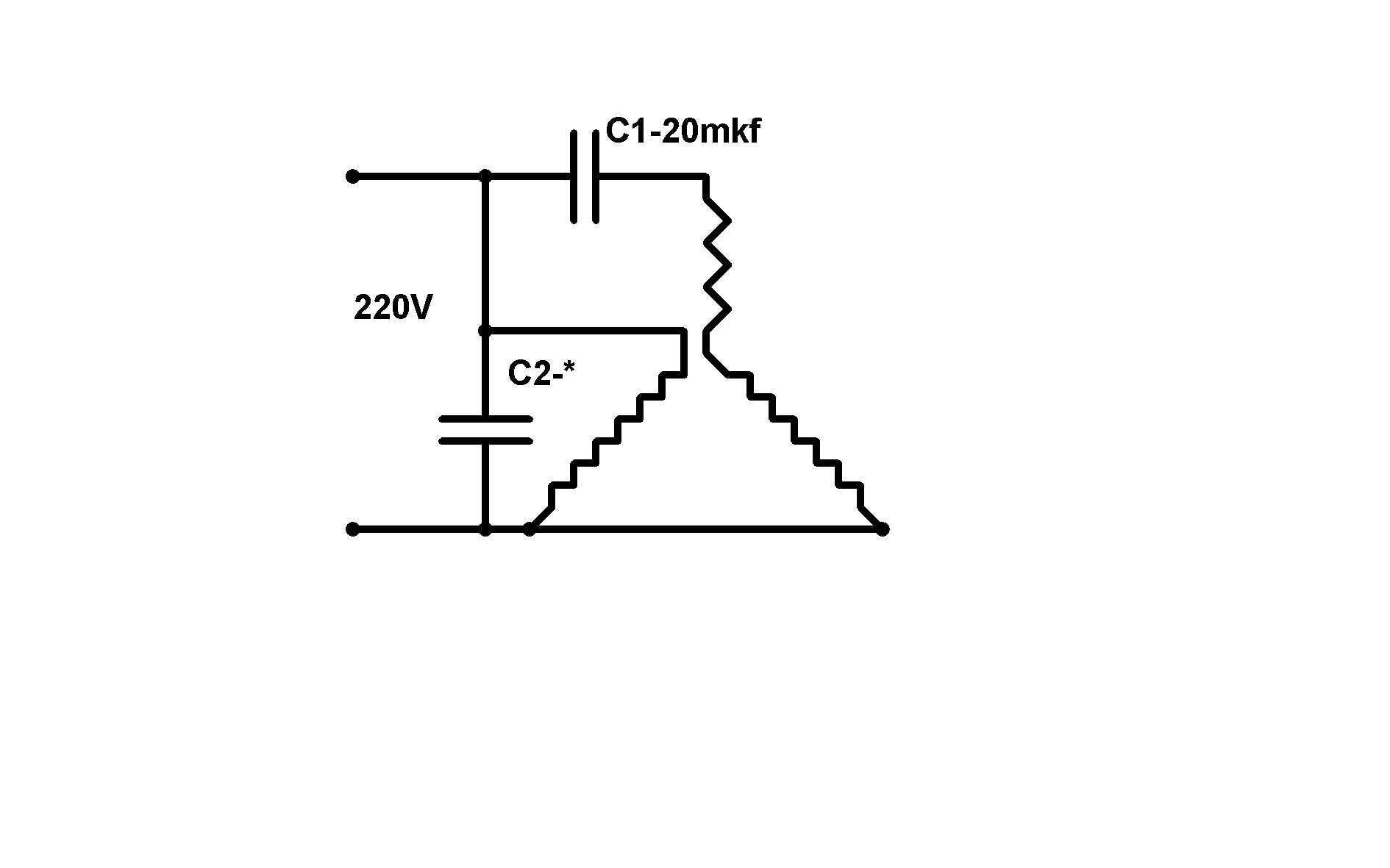
ну и попробовать нагрузить его как генератор с фазосдвигающими конденсаторами? Можно и на вал нагрзуть, благо стенд это сделать позволяет. Что-то типа вот так ?

image

_________________
Говорите говорите, я всегда зеваю когда мне интересно. 99,9% всех СЕ устройств, - от неправильных измерений


adykiy | Post:280233 - Date: 19.12.10(09:11)
MSN Валерину схему поюзаем обязательно. Кста.., напомнил, к НГ дядя ВАСЯ (реальный дядя из одноименной ветки) обещал дать свою фирменную схему. Посмотрим... 😀


А если б к схеме коментарии автора приложить, то вааще бы "ГОД ПРОЖИТ НЕ ЗРЯ".🤢🤢🤢

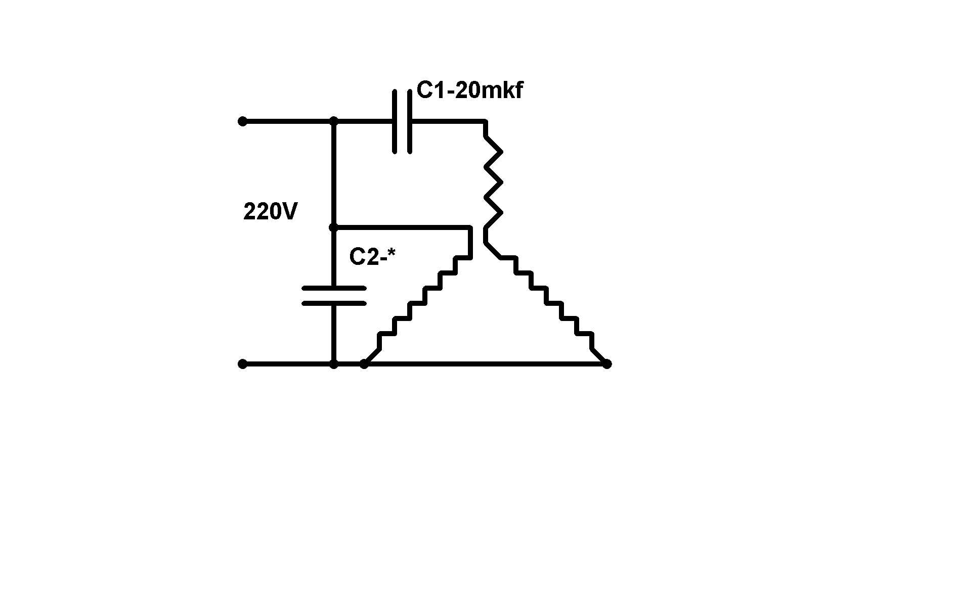
jjeekk | Post:280246 - Date: 19.12.10(12:37)
MSN Пост: 280212 От 19.Dec.2010 (01:11)

Что-то типа вот так ?

image


Да!

valeralap | Post:280257 - Date: 19.12.10(14:08)
Все схемы которые мы пробовали для ротовертера применялась именно эта схема включения ДВОЙНОЙ РЕЗОНАНС.


Размер: 76.69 KB

_________________
Чтобы слушать Иисуса Христа, нужно быть, хотя бы его апостолом!


adykiy | Post:280258 - Date: 19.12.10(14:12)
valeralap Все схемы которые мы пробовали для ротовертера применялась именно эта схема включения ДВОЙНОЙ РЕЗОНАНС.


А по Дяде Васе что применялось в качестве нагрузки.Тут ведь уже не двойной, а параметрический резонанс.


Размер: 63.55 KB

MSN | Post:280264 - Date: 19.12.10(14:23)
valeralap Пост: 280257 От 19.Dec.2010 (14:08)
Все схемы которые мы пробовали для ротовертера применялась именно эта схема включения ДВОЙНОЙ РЕЗОНАНС.

Привет Валера, спасибо что заглянул. Проверим конечно, твоя схема обязательно в планах. Собственно вот здесь она представлена.

Саша уточни точками начала и концы обмоток. Дело в том, что классическая звезда соединяется началами или концами в кучу, вот так:
image


в твоем варианте последовательно соединенные обмотки могут иметь два варианта подключений НК-КН и НК-НК.

_________________
Говорите говорите, я всегда зеваю когда мне интересно. 99,9% всех СЕ устройств, - от неправильных измерений


valeralap | Post:280267 - Date: 19.12.10(14:39)
adykiy | Post: 280258 Не возражаю против этой схемы, она тоже интересная. Просто у нас в опытах применялась с двойным резонансом.

_________________
Чтобы слушать Иисуса Христа, нужно быть, хотя бы его апостолом!


valeralap | Post:280268 - Date: 19.12.10(14:45)
MSN | Post: 280264 Привет! Обрати внимание схемы малость отличаются в последний что мной переведена в резонансе две обмотки не относительно центральной точки соединения звездой.

_________________
Чтобы слушать Иисуса Христа, нужно быть, хотя бы его апостолом!


<] [ 1 | 2 | 3 | 4 | 5 | 6 ] [>
У Вас нет прав отвечать в этой теме.
Форум - Резонансные генераторы - Резонанс Мельниченко - Резонанс в который раз - Стр 5
🏠 Главная | 📚 Содержание | 💬 Форум | 📁 Файлы | 📩 Контакт