[ВХОД]

07.04.26(12:19)

skif.biz

Альтернативная энергия. Оставь надежду, всяк сюда входящий...

🏠 Главная | 📚 Содержание | 💬 Форум | 📁 Файлы | 📩 Контакт
 
Резонансные генераторы
Магнитные генераторы
Механические центробежные (вихревые) генераторы
Электростатические генераторы
Водородные генераторы
Ветро- и гидро- и солнечные генераторы
Прочие идеи (разные)
О форуме
Транспорт
Оружие
Научные идеи, теории, предположения...
Экономия топлива
Коммерческие вопросы
Струйные технологии
Торсионные генераторы
Новые технологии
Барахолка
Патентный отдел
Конструкторское бюро
Нейтронная физика
Торнадо и смерчи
Гравитация и антигравитация
Сделай сам. Советы.
Медицина и здравоохранение

📱 | 🖨️

Форум - Резонансные генераторы - Резонанс Мельниченко - Резонанс в который раз - Стр:6
<] [ 1 | 2 | 3 | 4 | 5 | 6 ]
Модератор: MSN
Первый пост темы: MSN Post: #270141 От:05.10.2010 (15:41)
Доброго всем дня.Эта тема открывается под определенный проект.
В планах исследовать на стенде поведение асинхронных двигателей в резонансе, нагрузить их, снять характеристики и при этом ответить наконец на вопрос: а какой же КПД устройства в резонансе, есть ли та долгожданная прибавка в таких режимах, или все те "сенсации" в этом направлении , что я наблюдаю уже на протяжении скоро десяти лет , это мягко говоря результаты некорректных измерений.
Возможности стенда, кратно:
3-ф сеть, 3 банка переключаемых конденсаторов (1-128)мкф, 3 латра 220/9А, станина для двигателей мощностью вплоть до 11кВт. В наличии несколько двигателей от 1, до 4,5 квт. Нагрузка на вал двигателя предполагается в виде асинхронного же двигателя включенного через ременную передачу с переключаемым 1,01-1,15 коэффициентом редукции в режим асинхронного генератора.
Эксперименты планируем начать где-то в конце октября, - начало ноября. До этого времени данная тема призвана накопить предложения о возможных вариантах включения и проверки двигателя в резонансе. Интересные предложения будут проверены и информация о результатах этих тестов будет обнародована. Итак, ждем интересных предложений.
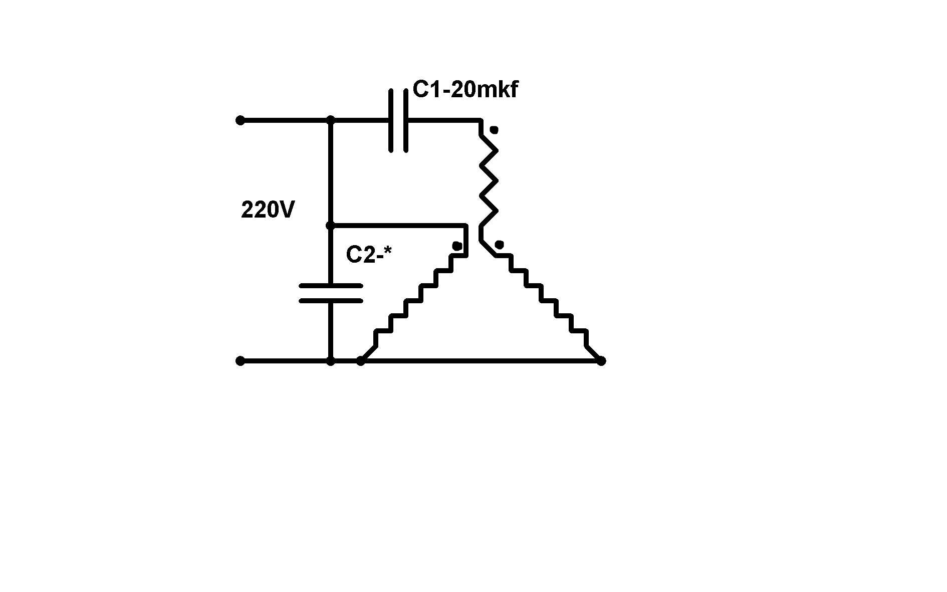
adykiy | Post:280269 - Date: 19.12.10(14:50)
MSN Саша уточни точками начала и концы обмоток. Дело в том, что классическая звезда соединяется началами или концами в кучу, вот так:
image


в твоем варианте последовательно соединенные обмотки могут иметь два варианта подключений НК-КН и НК-НК.


Это не мой вариант, а вариант Валеры. И я больше чем уверен, что соеденение генерирующих обмоток НК-НК.Просто нужно разработать надежную схему комутации, что-бы любой тупорылый не смог ничего сжечь, и конечно подобрать конденсаторы.
Сложность еще в том что при запуске,первоначальном выходе на режим и рабочем ходе, величины конденсаторов и индуктивность обмоток будет разной.


Размер: 73.00 KB

MSN | Post:280295 - Date: 19.12.10(17:38)
valeralap Пост: 280268 От 19.Dec.2010 (14:45)
MSN | Post: 280264 Привет! Обрати внимание схемы малость отличаются в последний что мной переведена в резонансе две обмотки не относительно центральной точки соединения звездой.

звиняйте, я так и не понял, что значит в резонансе две обмотки не относительно центральной точки соединения звездой ?
НА схеме можешь точками проставить начала обмоток ?

_________________
Говорите говорите, я всегда зеваю когда мне интересно. 99,9% всех СЕ устройств, - от неправильных измерений


valeralap | Post:280347 - Date: 19.12.10(20:38)
MSN | Post: 280295 Просто эти схемы похожи и ты не очень внимательно посмотрел, возьми открой их обе и сравни поймешь, что схемы разные. При работе они сильно отличаются по параметрам.

_________________
Чтобы слушать Иисуса Христа, нужно быть, хотя бы его апостолом!


MSN | Post:280415 - Date: 20.12.10(01:33)
valeralap Пост: 280347 От 19.Dec.2010 (20:38)
MSN | Post: 280295 Просто эти схемы похожи и ты не очень внимательно посмотрел, возьми открой их обе и сравни поймешь, что схемы разные. При работе они сильно отличаются по параметрам.

я прекрасно вижу, что эти схемы отличаются.
Меня интересует как включались обмотки, те что последовательно, включались встречно, или согласно? Можешь начала обмоток обозначить точками ?

_________________
Говорите говорите, я всегда зеваю когда мне интересно. 99,9% всех СЕ устройств, - от неправильных измерений


valeralap | Post:280434 - Date: 20.12.10(10:59)
MSN | Post: 280415я прекрасно вижу, что эти схемы отличаются.
Меня интересует как включались обмотки, те что последовательно, включались встречно, или согласно? Можешь начала обмоток обозначить точками ?

Соединение звездой, фазировка обмоток согласно принятого в классике, все как по учебнику. Пробовал у резонансных обмоток на ходу менять фазировку, эффект интересный но я его не использовал, вернулся к классической фазировке.

_________________
Чтобы слушать Иисуса Христа, нужно быть, хотя бы его апостолом!


jjeekk | Post:280473 - Date: 20.12.10(19:01)
valeralap Пост: 280434 От 20.Dec.2010 (10:59)
Пробовал у резонансных обмоток на ходу менять фазировку, эффект интересный.


А, можно подробней, про интерестный эффект?

valeralap | Post:280480 - Date: 20.12.10(19:34)
jjeekk | Post: 280473А, можно подробней, про интерестный эффект?

При правильном классически принятом включении, вращающееся магнитное поле статора тянет ротор за собой, то есть ротор запаздывает за вращением магнитного поля статора. При смене полярности на ходу происходит скачок и магнитное поле толкает ротор тот как-бы опережает вращающееся поле статора. При этом сильно падает напряжение резонансных обмотках статора и нужно увеличивать емкость чтобы напряжение стало как до переворота фаз обмоток двигателя. Из этого эффекта я делаю вывод, что двигатель становится принудительно в генераторный режим при номинальном числе оборотов. Хотя точно известно для перехода асинхронника в режим генерации ему требуется превышение оборотов на десять процентов от номинальных.
В довесок. Дядя Вася тоже что то повествовал в своем интервью на закрытой пресс конференции в своем сарае для немногочисленной аудитории.😎

_________________
Чтобы слушать Иисуса Христа, нужно быть, хотя бы его апостолом!


adykiy | Post:280483 - Date: 20.12.10(19:41)
В

adykiy | Post:280484 - Date: 20.12.10(19:41)
Валера посмотри начала и концы обмоток на схеме, пост [ссылка]
Я не налажал?

valeralap | Post:280486 - Date: 20.12.10(20:02)
adykiy | Post: 280484 Валера посмотри начала и концы обмоток на схеме, пост [ссылка]
Я не налажал?

По классике при соединении звездой либо концы всех трех обмоток либо начала соединяются в месте образуя среднюю точку. Так что твой рисунок привольно изображен.

_________________
Чтобы слушать Иисуса Христа, нужно быть, хотя бы его апостолом!


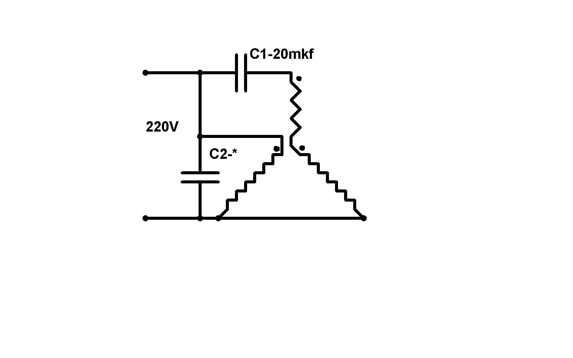
adykiy | Post:280492 - Date: 20.12.10(20:20)
valeralap Я не налажал?

По классике при соединении звездой либо концы всех трех обмоток либо начала соединяются в месте образуя среднюю точку. Так что твой рисунок привольно изображен.



Я как раз не про классику, а про это:
При смене полярности на ходу происходит скачок и магнитное поле толкает ротор тот как-бы опережает вращающееся поле статора. При этом сильно падает напряжение резонансных обмотках статора и нужно увеличивать емкость чтобы напряжение стало как до переворота фаз обмоток двигателя.


Размер: 73.00 KB

valeralap | Post:280496 - Date: 20.12.10(20:28)
adykiy | Post: 280492 Я как раз не про классику, а про это:
При смене полярности на ходу происходит скачок и магнитное поле толкает ротор тот как-бы опережает вращающееся поле статора. При этом сильно падает напряжение резонансных обмотках статора и нужно увеличивать емкость чтобы напряжение стало как до переворота фаз обмоток двигателя.

Все правильно, но только так обмотки соединяются уже после разгона движка. На старте по классике.

_________________
Чтобы слушать Иисуса Христа, нужно быть, хотя бы его апостолом!


adykiy | Post:280499 - Date: 20.12.10(20:35)
valeralap Все правильно, но только так обмотки соединяются уже после разгона движка. На старте по классике.


Я понял Валера, спасибо. Но я как-то традиционно, хочу сделать через жопу. То есть вал в вал соеденяю с генератором постоянного тока, аккумуляторы и пр.пр. Разгоняю АД геной в двигательном режиме, а потом уже АД крутит генератор постоянного тока. Все смеються, я плачу.😕

jjeekk | Post:280502 - Date: 20.12.10(20:54)
valeralap Пост: 280480 От 20.Dec.2010 (19:34)
При смене полярности на ходу происходит скачок и магнитное поле толкает ротор тот как-бы опережает вращающееся поле статора.

В довесок. Дядя Вася тоже что то повествовал в своем интервью на закрытой пресс конференции в своем сарае для немногочисленной аудитории.😎

Валера, как думаеш, в генераторном режиме тоже самое с ЭДС самоиндукции получится, а-ли нет?

valeralap | Post:280507 - Date: 20.12.10(21:06)
jjeekk | Post: 280502 Валера, как думаеш, в генераторном режиме тоже самое с ЭДС самоиндукции получится, а-ли нет?

Не...т!😎

_________________
Чтобы слушать Иисуса Христа, нужно быть, хотя бы его апостолом!


jjeekk | Post:282944 - Date: 05.01.11(11:10)
valeralap Пост: 280480 От 20.Dec.2010 (19:34)
При правильном классически принятом включении, вращающееся магнитное поле статора тянет ротор за собой, то есть ротор запаздывает за вращением магнитного поля статора. При смене полярности на ходу происходит скачок и магнитное поле толкает ротор тот как-бы опережает вращающееся поле статора.


То есть, при таком включении конденсатор разряжаясь на обмотку, толкнет ротор?🙄

jjeekk | Post:282954 - Date: 05.01.11(13:31)
host Пост: 10260 От 04.Oct.2005 (20:20)
Он говорит, я тебе уже фактически все намекнул: импульс, емкости и очень важно вовремя переключать.


Разряжающийся конденсатор дает импульс в обмотке, чем выше емкость конденсатора, тем импульс дольше по времени, а значит медленее должен вращаться ротор. То есть переключать обмотку надо пока ротор не набрал полные обороты.

<] [ 1 | 2 | 3 | 4 | 5 | 6 ]
У Вас нет прав отвечать в этой теме.
Форум - Резонансные генераторы - Резонанс Мельниченко - Резонанс в который раз - Стр 6
🏠 Главная | 📚 Содержание | 💬 Форум | 📁 Файлы | 📩 Контакт