[ВХОД]
30.05.26(19:42)

skif.biz

Альтернативная энергия. Оставь надежду, всяк сюда входящий...

🏠 Главная | 📚 Содержание | 💬 Форум | 📁 Файлы | 📩 Контакт
 
Резонансные генераторы
Магнитные генераторы
Механические центробежные (вихревые) генераторы
Электростатические генераторы
Водородные генераторы
Ветро- и гидро- и солнечные генераторы
Прочие идеи (разные)
О форуме
Транспорт
Оружие
Научные идеи, теории, предположения...
Экономия топлива
Коммерческие вопросы
Струйные технологии
Торсионные генераторы
Новые технологии
Барахолка
Патентный отдел
Конструкторское бюро
Нейтронная физика
Торнадо и смерчи
Гравитация и антигравитация
Сделай сам. Советы.
Медицина и здравоохранение

📱 | 🖨️

Форум - Резонансные генераторы - Электронные генераторы (схемотехника) - Разгон качера - Стр:9
<] [ 1 | 2 | 3 | 4 | 5 | 6 | 7 | 8 | 9 | 10 | 11 | 12 ] [>
Модератор: Yarston
Первый пост темы: Yarston Post: #140632 От:10.11.2008 (19:16)
Всем привет
На днях эксперементировал с ВВ качером на кт805. Фитонил так себе, но имели место интересные физиологические эффекты. Пока не сгорел последний кт805. Потом пробовал с кт809, кт816, кт853 - не работает. Сначала подумал, что где-то пробило вторичку (на неё несколько раз по неосторжности дуга попадала), сделал новую - 80 витков на болванке калибра 80 мм - так же. Как правило, простые схемы капризны в наладке и требуют более качественных компонентов. Поискал в гугле, яндексе, яху - схема одна и та же.
Кто - нибудь знает, как улучшить эту схему с сохранением основных свойств? И ещё, имеет ли она отношение к тесле с разрядником по эффектам?
Yarston | Post:291214 - Date: 27.02.11(19:53)
При том, что её и в реальном генераторе, называемом "качер" - нет (ну или не должно быть, при прямых руках), а некоторые утверждают обратное.

Maximusua | Post:291218 - Date: 27.02.11(20:20)
Yarston Пост: 291214 От 27.Feb.2011 (19:53)
При том, что её и в реальном генераторе, называемом "качер"

А с каких шишей фитонка ?

dedivan | Post:291220 - Date: 27.02.11(20:27)
Maximusua Пост: 291218 От 27.Feb.2011 (20:20)

А с каких шишей фитонка ?

Дык еще она и не со всяким транзистором бывает.
Вот с картинки с первым будет, а со вторым ни в жисть.

_________________
я плохого не посоветую


Maximusua | Post:291222 - Date: 27.02.11(20:34)
dedivan Пост: 291220 От 27.Feb.2011 (20:27)
Дык еще она и не со всяким транзистором бывает.

Проверено ! Именно так !

Yarston | Post:291226 - Date: 27.02.11(20:40)
Maximusua | Post: 291218 - Date: 27 Feb 2011 20:20
А с каких шишей фитонка ?

С высоких вольтов, вестимо.
В универе опыт показывали - катуха из медной трубки, витков десять. К ней подключается ген на лампе, и с конца катухи ~30 см факел жарит в воздух.
Необычно? Да. Загадачно? Никаких загадок.
Внимание! Момент истины😳
image
Между катушками никакой связи. Все детали - стандартные.


Размер: 20.16 KB

Yarston | Post:291228 - Date: 27.02.11(21:03)
И, кстати, схема весьма толерантна к значениям индуктивности - они могут различаться на 3 порядка и более😬
image



Размер: 23.24 KB

SergeyA | Post:291235 - Date: 27.02.11(21:31)
Дык он так и работает. Без связи.

Yarston | Post:291238 - Date: 27.02.11(21:37)
Собственно, о чём и речь - что ничего необычного в этом нет. А некоторые мутят воду, мол, лавины, "кивки", "фитоны", эфирные вихри - какой только ахинеи не понаплели. На последнем рисунке - коллекторное 1.4 в макс. Какой там лавинный пробой? Про остальное вообще промолчу:)

shkaf | Post:291276 - Date: 28.02.11(08:01)
гуглим работа транзистора в барьерном режиме или барьерный режим транзистора.. т е база коллектор гальванический замкнуты..идеальные условия для генерации.
кста..получается идеальный сверхрегенератор-приемник (усилитель преобразователь и дедектор в одном транзисторе)

все уже давно используется на практике в чем новизна то ??
[ссылка]
В. Поляков все расписал давным давно..весь механизм что как и почему..уходим от стереотипов что для генерации обязательно должна быть катушечка возбуждения и коллекторная катушка типа как у качера..
1
1
Размер: 1.85 KB

_________________
На Бога уповаем. http://www.skif.biz/files/e5a7f3.jpg


vodoprovodchik | Post:291285 - Date: 28.02.11(11:44)
+++И действительно.... Если первичную обмотку трансформатора Тесла запитывать синусом, то на выходе обычный коэффициент трансформации,+++

не-а,,,как раз таки и идёт волна с коронным разрядом на конце удлинительной катухи. Потому и предпочтительнее пользовать синус в накачке длинной линии - меньше шума 😏 , безопаснее схема . Все мои фотки касательно "теслы" сделаны с применением синусника.
------------------

Беда "тесловиков" то , что абсолютное большинство "паяет" симуляторами 😏 , а симулятор пишется теоретиком который также нивзупногой в практике....


tera | Post:291296 - Date: 28.02.11(12:40)
Это чтобы не греть транзистор и делать катушки на разную длину.


Размер: 9.90 KB

_________________
“Я есмь и путь, и истина, и жизнь. Никто не приходит к Отцу иначе, кроме как через Я”


Олег_джан | Post:291302 - Date: 28.02.11(12:59)
Ярик,смодели,не поленись эту вот схемку...
специально старую нашел,проверенную несколькими поколениями
радиогубителей...
могешь и спаять-расскажи потом,почему один из десятка
транзисторов только в ней работают...
.
.
Размер: 1.38 KB

vodoprovodchik | Post:291522 - Date: 01.03.11(19:50)
bazarov....
дык я ничё,ж...протифф не имею. Китайский шарик наверняка имеет другое заполнение/на публику/ чем обычная лампочка/буферный газ/ , а возбуждать его можно хоть блокингом хоть "длинной линией". Я такую штуку не ломал, но думаю ,что стояк с проволокой в серёдке такого шарика как раз не Тесла/любых модификций/, а импульсный транс. Для ВЧ гена размеры катухи маловаты,,, или она работает гдето на 20Мгц /ет можно пощупать приёмником/...хотя - маловероятно! дело в том что уже на 1Мгц не будет эффекта бегающих жгутовых разрядов , - будут постоянные "факела" на стекло!! Значитца - блокинг!!!!

Yarston | Post:291771 - Date: 02.03.11(20:55)
Вот ещё вариант в тему - SSTC. Это тоже обычный LC генератор, отлично считающийся и работающий без всяких лавин, только на лампе. При желании можно сделать почти точную копию, но на мосфете. В котором тоже нет никаких лавин в штатном режиме, в каком его используют все специалисты, ценящие свою работу и не хотящие её потерять.


Размер: 32.14 KB

Yarston | Post:291795 - Date: 02.03.11(23:00)
Предлагаешь переименовать? Можно, но смысл-то не поменяется.
С качером разобрался, и давненько уже - это обычный LC ген. Следовательно, его "разгон" - это в первую очередь, нормальный расчёт. А потом уже сборка с подстроечниками - я предпочитаю подстраивать индуктивность.
Схема была собрана (Шембеля, был такой мужик), 100 Вт лампочка в поле светилась наполовину, потом вторичка тупо перегорела. Давненько я её мотал, не под те мощности. А единственный транзюк (мосфет) сидел себе на радиаторе 35*35 мм и не бухтел. Ещё и прикручен неплотно.
или продолжаем зкзекуцию?
В чём экзекуция? В том, что заставляете сомневаться в вашей вменяемости (не только к тебе относится)? Да уж, я прям почти расстроился:)
Как ещё понимать, когда показываю пальцем на одну схему, говорю - смотрите, тут лавинный пробой не работает, а ведь это "классическая" схема качера!
А вы мне достаёте целый ворох других, вплоть до стабилизаторов и заявляете - как же, здесь-то работает?

олег-джан | Post:291913 - Date: 03.03.11(21:30)
shkaf | Post: 291909
.не успевают эти амперы за наносекунды проскочить сквозь огромную индуктивность ВВ катушки к базе транзистора !!

а им это всегда требуется?😬
[ссылка]
.
.
Размер: 10.52 KB

_________________
Обьективная реальность-бред,вызванный недостатком алкоголя в крови...


shkaf | Post:291940 - Date: 03.03.11(22:34)
Yarston да и улучшать то нечего уже..all off.
две детали осталос транзистор и катушка..поднимай питание подбирай транзистор провода покороче заливай маслом трансформаторным.. вот и улучшишь. Так разгонишь , не остановишь потом.. че тут не понятного..и для чего улучшать то ??

_________________
На Бога уповаем. http://www.skif.biz/files/e5a7f3.jpg


Yarston | Post:291959 - Date: 03.03.11(23:09)
shkaf | Post: 291940 - Date: 03 Mar 2011 22:34
Yarston да и улучшать то нечего уже..all off.
две детали осталос транзистор и катушка

Потому всё плавится и горит. Для начала посчитать надо хоть как-то. А ещё лучше взять готовенькое - но у профи.
dedivan | Post: 291943 - Date: 03 Mar 2011 22:38
Так в этом уже большая разница- пнп или нпн - отрываются разными токами. один от тока электронов, а другой от тока создаваемого положительными ионами.
Совершенно по разному работают.
Неуд.
1. Ионы намертво прибиты в решётке.
2. Переход открывается/закрывается пространственным зарядом. Про ток в ПТУ можешь рассказать. Ток - это уже следствие того, открыт или закрыт переход.
......................
Короче, видео.
width="480" height="390" src="http://www.youtube.com/embed/7SlGX_9s38g?rel=0" frameborder="0" allowfullscreen

Yarston | Post:291975 - Date: 03.03.11(23:59)
Полифазный качер
image



Размер: 19.21 KB

Yarston | Post:292051 - Date: 04.03.11(16:01)
Бикачер.
image



Размер: 24.93 KB

shkaf | Post:292519 - Date: 06.03.11(17:16)
глянем на фотки КАТУШКи ТЕСЛЫ (в инете полно весма впечатляющих ) с искрами с горячего конца там метровые и более разряды ударяют на вершину из окружающего пространства.. если посмотреть на все это немного под другим углом не как метатель искр во вне а наоборот как из вне прилетает какой громандный поток энергии то можно припухнуть малость..вот же оно ЕС..обращаем внимание как расширяется канал разряда ближе К вершине катушки, а начинается с маненького волоска.. вот она лавина.

1
Размер: 59.00 KB

_________________
На Бога уповаем. http://www.skif.biz/files/e5a7f3.jpg


JuriNM | Post:292673 - Date: 07.03.11(08:58)
может схема моего качера поможет...
8c0406.rar
Размер: 267.50 KB

Yarston | Post:292700 - Date: 07.03.11(11:49)
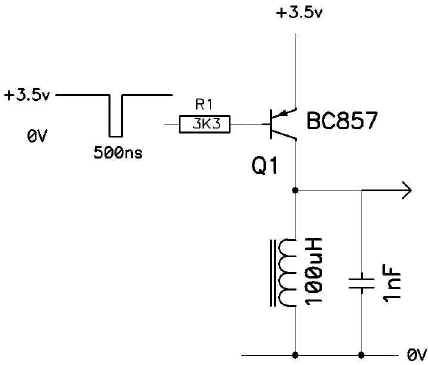
Если кто-нибудь ещё скажет, что на схеме ниже - блокинг, или что там где-то чё-то лавинно пробивается, или ещё какой бред, то ему поможет только увеселительный круиз по реке Стикс.
image



Размер: 42.06 KB

Yarston | Post:292715 - Date: 07.03.11(12:47)
Либо ты просто уже "остановился" и время отведенное
твоему обучению закончилось в институте.
Оно ещё не закончилось.
Yarston, дед предложил тебе глянуть на то чего в программе нет,
нет модели "лавины", её надо самому готовить зная о разрядах.

Естественно, я этих качеров кучку уже перепаял, а не только моделил в лтспайсе. Мой опыт говорит, что лавинный пробой ведёт к быстрой деградации транзистора, поэтому все без исключения мои удачные конструкции включали в себя защиту от пробоя обоих переходов транзистора. Только так можно поднять напругу, не опасаясь спалить транзистор.
А феты - это вообще песня, они работают лучше биполярников, но в них пробой подзатворного диэлектрика - эта мнгновенная смерть всего тразюка. Естественно, в них ни о каком ЛП в рабочем режиме речь идти не может. Зато перегрузку по току держат намного больше, чем биполярники.
Создаётся впечатление, что этот твой дед ни одного более-менее мощного качера не сделал:)

Yarston | Post:292975 - Date: 08.03.11(11:35)
Забавно, что два качера, подключенных к 1 источнику, дают импульс круче (и мощнее, а точнее, даже 2 импульса), чем 1 качер. Сговор с целью увеличения эффективности, тсзать:) На параллельном включении это не очень заметно, какие-то десятки процентов, а при последовательном - уже разы.
image



Размер: 22.96 KB

<] [ 1 | 2 | 3 | 4 | 5 | 6 | 7 | 8 | 9 | 10 | 11 | 12 ] [>
У Вас нет прав отвечать в этой теме.
Форум - Резонансные генераторы - Электронные генераторы (схемотехника) - Разгон качера - Стр 9
🏠 Главная | 📚 Содержание | 💬 Форум | 📁 Файлы | 📩 Контакт