[ВХОД]
24.04.26(14:48)

skif.biz

Альтернативная энергия. Оставь надежду, всяк сюда входящий...

🏠 Главная | 📚 Содержание | 💬 Форум | 📁 Файлы | 📩 Контакт
 
Резонансные генераторы
Магнитные генераторы
Механические центробежные (вихревые) генераторы
Электростатические генераторы
Водородные генераторы
Ветро- и гидро- и солнечные генераторы
Прочие идеи (разные)
О форуме
Транспорт
Оружие
Научные идеи, теории, предположения...
Экономия топлива
Коммерческие вопросы
Струйные технологии
Торсионные генераторы
Новые технологии
Барахолка
Патентный отдел
Конструкторское бюро
Нейтронная физика
Торнадо и смерчи
Гравитация и антигравитация
Сделай сам. Советы.
Медицина и здравоохранение

📱 | 🖨️

Форум - Магнитные генераторы - Генератор НЕГ - электродинамический капаген (Vaden) - Стр:1
[ 1 | 2 ] [>
Модератор: Vaden
Vaden | Post:301381 - Date: 10.04.11(13:46)

Привет всем любознательным и увлеченным!
Хочу привлечь ваше внимание к схеме этого генератора, потому что она проста в изготовлении и дешева по деталям.Сам я собрал ее за выходные,но возникли некоторые не состыковки в показаниях осциллографа.Хотелось бы найти головы за интересованые в постройке генератора.

image

Описание работы схеме находятся
[ссылка]

xx0 | Post:301398 - Date: 10.04.11(15:02)
Ну что сказать, результатов именно вашей работы не видно вообще, разногласий что и где, вы бы предоставили результаты, а так вилами по воде...

_________________
http://xx0ru.livejournal.com/


Vaden | Post:301403 - Date: 10.04.11(15:35)
Мои результаты вот:после сборки схемы у меня получается на точках А и Б одинаковые импульсы без смещений по 5 штакетин в каждом. Длительность импульса 5ms период 1ms.

kriotron | Post:301404 - Date: 10.04.11(15:43)
результаты...это да..
берём UPS от компа (с заряженым аккумом, хе-хе), нагружаем на 1-ый МОТ, искрим ч/з разрядник во второй МОТ, по идее на выходе 2-го МОТа должно быть 220 Вольтей...А там ЙУХ заночевал и варежку оставил. Рахрядник на 1200В это сложно, но оно есть. А 220 нет 🙄. Наверное, (ну как я не догадался по Наудину) надо иттириево-стронциево-рубидиевый разрядник в вакуумно-аргоновой среде, О!!! Тогда оно засамопитается и сгинет в 5-ом измерении ввиду лавины энергии.🙄

_________________
Не бойся делать то, чего не знаешь. Ковчег построил любитель - профи создали Титаник.


Vaden | Post:301405 - Date: 10.04.11(15:52)
Для начала надо с логикой схемы разобраться. С катушками и свечой это уже эксперимент. вот!

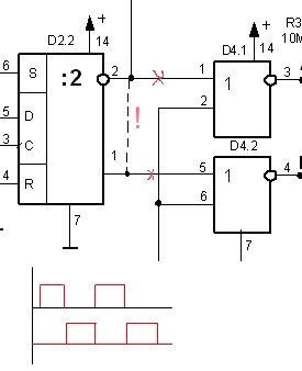
Balbes | Post:301409 - Date: 10.04.11(16:41)
Vaden Пост: 301403 От 10.Apr.2011 (16:35)
Мои результаты вот:после сборки схемы у меня получается на точках А и Б одинаковые импульсы без смещений по 5 штакетин в каждом. Длительность импульса 5ms период 1ms.

Вот так чтоли? (Рис1)
Если так, смотри рис.2. Потыкай осцилом в точках отмеченых красным крестиком. Если осцил покажет то что ниже на диаграмме (считай что длительность равна, в пейнте хреново рисавать одинаково) то ппц D4, если иное (импульсы один под другим) то или ппц D2 или перемычка (показана пунктиром) и фсе равно ппц D2.
П.С. Забыл подписать первый рисунок, считай его рис1.


Размер: 17.33 KB
Рис 2
Рис 2
Размер: 30.69 KB

_________________
"Офицеры - народ хамский, но для государства полезный, а посему, жалование им надлежит платить вовремя и в кабаки пущать беспрепятственно!" © Петр I


Gobsek | Post:301410 - Date: 10.04.11(16:46)
Vaden Пост: 301381 От 10.Apr.2011 (14:46)

... Хотелось бы найти головы за интересованые в ..



Что-то слышал о скозных токах и мертвом времени ?

Balbes | Post:301411 - Date: 10.04.11(17:01)
Гобсек, Посмотри внимательнее на схему и нарисуй диаграммы потом поймешь что сквозных токов не будет.😳

_________________
"Офицеры - народ хамский, но для государства полезный, а посему, жалование им надлежит платить вовремя и в кабаки пущать беспрепятственно!" © Петр I


dedivan | Post:301413 - Date: 10.04.11(17:17)
Vaden Пост: 301405 От 10.Apr.2011 (16:52)
Для начала надо с логикой схемы разобраться.

Рано еще.

Нужен сначала простой опыт- накачиваем индуктивность одним импульсом
допустим 8 мкс -разряжаем
второй раз восемь по одной микросекунд- опять разряжаем.
Сравниваем.

потому как требует проверки главное-
Домен ЛЕГКО (!) меняет ориентацию своей полярности под действием пакетов БЫСТРЫХ (за счет быстроты – МОЩНЫХ) внешних импульсных магнитных возмущений. Причем ПОРЦИЯМИ, от достигнутого (см. магнитный гистерезис).

Второе ПРАВИЛО: Присутствие ДЛИТЕЛЬНОГО ОДИНОЧНОГО внешнего импульсного магнитного воздействия даже более мощного по амплитуде, чем в пакете быстрых, имеет эффектом гораздо МЕНЬШИЙ поворот ориентации полярности ДОМЕНОВ.


Смущает понятие МОЩНОГО - поэтому заменим на одинаковые по амплитуде.

_________________
я плохого не посоветую


Balbes | Post:301414 - Date: 10.04.11(17:27)
Сдесь скорее не в накачке импульсами прикол. А принцип работы частотника заложен, когда нужный импульс формируется из кучки более коротких импульсов. При такой работе схемы более благоприятное действие тока на катушку и т.д. Таким же образом лучьше управлять скоростью ДПТ.

_________________
"Офицеры - народ хамский, но для государства полезный, а посему, жалование им надлежит платить вовремя и в кабаки пущать беспрепятственно!" © Петр I


dedivan | Post:301417 - Date: 10.04.11(17:44)
Balbes Пост: 301414 От 10.Apr.2011 (18:27)
При такой работе схемы более благоприятное действие тока на катушку и т.д.

Это что за лирика? Приятсвенное...
Счас уже кариес с морщинами научились в процентах мерять.

Ну к- подробнее плииз.

_________________
я плохого не посоветую


Balbes | Post:301420 - Date: 10.04.11(17:50)
Меньше потери на нагрев и использование тока от ЭДС самоиндукции на обратном ходе.
А в %-х ты Деда и сам прекрасно знаешь..

_________________
"Офицеры - народ хамский, но для государства полезный, а посему, жалование им надлежит платить вовремя и в кабаки пущать беспрепятственно!" © Петр I


dedivan | Post:301421 - Date: 10.04.11(18:01)
Balbes Пост: 301420 От 10.Apr.2011 (18:50)
А в %-х ты Деда и сам прекрасно знаешь..


Вот что смущает- намек идет про гистнрнзис, и в то же время настоятельно разговор про феррит. Маленький у феррита гистерезис.
Это уж тогда железо надо брать.
И гонять по частным петлям гистерезиса, с надеждой
залезть выше чем от одного гладкого импульса.



Размер: 8.81 KB

_________________
я плохого не посоветую


dedivan | Post:301425 - Date: 10.04.11(18:12)
Здесь меда нет- это уже сто раз проверено.
Другое дело второй трансформатор - через искровик.
Вот здесь импульсы очень сильные и короткие- не успевает феррит
повернуться.
Так что пачка коротких импульсов - здравое решение.
Но это всего лишь способ поймать энергию от искры.

Но тогда двухтактная двухполярная раскачка- это роскошь.
Достаточно и однополярной накачки по типу флэйбэка.

Ну и все проще- генератор пачек накачки- преобразование пачки
в один импульс намагничивания и съем энергии в паузе между пачками.

Все проще и реально.
паяйте.

_________________
я плохого не посоветую


Balbes | Post:301426 - Date: 10.04.11(18:18)
Оно и так работает по типу флайбека. Каждая половина по очереди. В итоге на выходе получаешь двуполярные почти прямоугольники.
Диаграмма (примерная) на первичке и вторичке первого транса:
Диограмма
Диограмма
Размер: 6.71 KB
На вторичке и первичке второго транса.
На вторичке и первичке второго транса.
Размер: 6.19 KB

_________________
"Офицеры - народ хамский, но для государства полезный, а посему, жалование им надлежит платить вовремя и в кабаки пущать беспрепятственно!" © Петр I


dedivan | Post:301431 - Date: 10.04.11(18:37)
Balbes Пост: 301426 От 10.Apr.2011 (19:18)
В итоге на выходе получаешь двуполярные почти прямоугольники.

Вот я и говорю- двухполярные- это лишние сложности.
Из за которых опыт и встал.
Для опыта хватит и однополярного .
Главное получить этот прямоугольник.

_________________
я плохого не посоветую


Balbes | Post:301442 - Date: 10.04.11(19:08)
Получить его не сложно, почти😘. Для максимального использования нужно подгонять индуктивности, или частоту следования импульсоф. Поскольку первичка короткая, то индуктивночть и емкость обмотки маленькие - частота резонанса большая😳. Значит нужно подстраиваться под резонансную частоту вторичной обмотки, которая будет намного ниже.
Кстати IRF540 маловат по напряжению сток-исток, при разрыве (закрытии канала) ЭДС самоиндукции может превысить напряжение пробоя и тогда транзику ппц. Да тут есче и dU/dt гемор творить будет по его схемке, так что транзикам жись медом не покажется😕

_________________
"Офицеры - народ хамский, но для государства полезный, а посему, жалование им надлежит платить вовремя и в кабаки пущать беспрепятственно!" © Петр I


dedivan | Post:301443 - Date: 10.04.11(19:15)
Balbes Пост: 301442 От 10.Apr.2011 (20:08)
Получить его не сложно, почти😘.

Так а чего сидим? Это и есть СЕ. Больше НИЧЕГО не надо.

или не так просто?

_________________
я плохого не посоветую


Balbes | Post:301451 - Date: 10.04.11(19:40)
Изначально писалось что импульсы должны быть такими
image

Или такими
image

Потом что их нужно "порубать"
image

Но в итоге приплыли😕 к цифровой рубке на одинаковые куски, из которых получится прямоугольник, но ни как не ото чудище что выше. Рубать нужно при помощи ШИМ (как в частотнике). А это уже софсем другая схема...
Рубить нужно примерно так:
Мясорубка для синусоиды.
Мясорубка для синусоиды.
Размер: 2.95 KB

_________________
"Офицеры - народ хамский, но для государства полезный, а посему, жалование им надлежит платить вовремя и в кабаки пущать беспрепятственно!" © Петр I


Gobsek | Post:301458 - Date: 10.04.11(20:12)
Gobsek Пост: 301410 От 10.Apr.2011 (17:46)
Vaden Пост: 301381 От 10.Apr.2011 (14:46)

... Хотелось бы найти головы за интересованые в ..



Что-то слышал о скозных токах и мертвом времени ?


Ну хуй с ними, со свозняками, а Миллера шо, уже тоже отменили ?

😬😬😬😬

Balbes | Post:301460 - Date: 10.04.11(20:19)
А кто такой этот МЫлер? И при чем онный сдеся?

_________________
"Офицеры - народ хамский, но для государства полезный, а посему, жалование им надлежит платить вовремя и в кабаки пущать беспрепятственно!" © Петр I


dedivan | Post:301469 - Date: 10.04.11(20:33)
Gobsek Пост: 301458 От 10.Apr.2011 (21:12)
а Миллера шо, уже тоже отменили ?


Да они его еще не знают. Сам представляешь теперь какая у них дорога будет.
Транзистор греется... сцуко...
Трансформатор прошибает... она же.
Ну и так далее.

_________________
я плохого не посоветую


Balbes | Post:301475 - Date: 10.04.11(20:46)
Вы об этом? Так я же писал что нужно подстраиваться под индуктивность.
ППЦ.
ППЦ.
Размер: 6.20 KB

_________________
"Офицеры - народ хамский, но для государства полезный, а посему, жалование им надлежит платить вовремя и в кабаки пущать беспрепятственно!" © Петр I


bazarov | Post:301478 - Date: 10.04.11(21:00)
Или я идиот или с ТМ что-то не то... Балбес, ради смеха прогони такое включение через свой всесильнй симулятор... радости хочу.... Ещё входной каскад с делителями частот и формирователями прогони, там установи задержку на переключение 2мс.... Интересно просто....

_________________
Не хватит никакого здоровья, чтобы приспособиться к этому глубоко больному обществу(Кришна Мурти)/Горшки не Боги обжигают (многовековая классика)


dedivan | Post:301481 - Date: 10.04.11(21:05)
bazarov Пост: 301478 От 10.Apr.2011 (22:00)
Или я идиот

Или мы оба с тобой....
Базарыч, не пыли, ты же видишь уровень пионеров.
У них даже флэйбэк истоковым повторителем.

Это не важно, разберутся потихоньку , главное цель правильная.
Не отступят- получат.

_________________
я плохого не посоветую


[ 1 | 2 ] [>
У Вас нет прав отвечать в этой теме.
Форум - Магнитные генераторы - Генератор НЕГ - электродинамический капаген (Vaden) - Стр 1
🏠 Главная | 📚 Содержание | 💬 Форум | 📁 Файлы | 📩 Контакт