[ВХОД]
19.04.26(04:48)

skif.biz

Альтернативная энергия. Оставь надежду, всяк сюда входящий...

🏠 Главная | 📚 Содержание | 💬 Форум | 📁 Файлы | 📩 Контакт
 
Резонансные генераторы
Магнитные генераторы
Механические центробежные (вихревые) генераторы
Электростатические генераторы
Водородные генераторы
Ветро- и гидро- и солнечные генераторы
Прочие идеи (разные)
О форуме
Транспорт
Оружие
Научные идеи, теории, предположения...
Экономия топлива
Коммерческие вопросы
Струйные технологии
Торсионные генераторы
Новые технологии
Барахолка
Патентный отдел
Конструкторское бюро
Нейтронная физика
Торнадо и смерчи
Гравитация и антигравитация
Сделай сам. Советы.
Медицина и здравоохранение

📱 | 🖨️

Форум - Резонансные генераторы - Электронные генераторы (схемотехника) - Функциональный генератор на XR2206 - Стр:2
<] [ 1 | 2 ]
Модератор: ПОЯRKOFF
Первый пост темы: ПОЯRKOFF Post: #338276 От:28.11.2011 (14:10)
здравствуйте, подскажите можно ли прикрутить к этому генератору транзистор и им задавать раскачку катушки зажигания?
вот описание схемы :
Диапазон частот разделен на четыре поддиапазона:
1. 1 Гц-100 Гц,
2. 100Гц-20кГц,
3. 20 кГц-1 МГц,
4. 150KHz-2 МГц.
Точно частоту можно выставить, используя потенциометры P2 (грубо) и P3(точно)

Регуляторы и переключатели функционального генератора:
P2 - грубая настройка частоты
P3 - точная настройка частоты
P1 - Амплитуда сигнала (0 - 3В при питании 9В)
SW1 - переключатель диапазонов
SW2 - Синусоидальный/треугольный сигнал
SW3 - Синусоидальный(треугольный)/меандр

Для контроля частоты генератора сигнал можно снять непосредственно с вывода 11.

Параметры:
Синусоидальный сигнал:
Амплитуда: 0 - 3В при питании 9В
Искажения: менее 1% (1 кГц)
Неравномерность: +0,05 дБ 1 Гц - 100 кГц

Прямоугольный сигнал:
Амплитуда: 8В (без нагрузки) при питании 9В
Время нарастания: менее 50 нс (при 1 кГц)
Время спада: менее 30ns (на 1 кГц)
Рассимметрия: менее 5%(1 кГц)

Треугольный сигнал:
Амплитуда: 0 - 3В при питании 9В
Нелинейность: менее 1% (до 100 кГц)
плата в формате .lay [ссылка]
ПОЯRKOFF | Post:338686 - Date: 01.12.11(13:23)
Achiever Пост: 338676 От 01.Dec.2011 (12:57)
А лучше вообще на дебильные вопросы не реагировать - каждый старается сэкономить хоть на копееечку своего времени за счет чужого.
На всех не напасешься.

и вам спасибо за участие 😛

_________________
****Если пред тобою великая цель, а возможности твои ограничены, — все равно действуй; ибо только через действие могут возрасти твои возможности.**** С Уважением Сергей


Eduard | Post:338771 - Date: 02.12.11(05:27)
Тут не прозвучала важная вещь. XR генерит сигналы разной формы - прямоугольник, синус, треугольник, этим он и хорош. Плюс перестройка по частоте в 2000 раз.

Но для опытов с катушками форма сигнала не важна. Важна приличная моща и возможность менять частоту. Поэтому, если мощный каскад будет работать в ключевом режиме, то и подавать на вход ему можно будет ТОЛЬКО прямоугольник, никаких синусов и треугольников. Для таких опытов сгодился бы генератор и попроще, что-нибудь на TL494 или КМОП-логике. Но если есть уже готовый на XR, можно использовать и его.

Если же когда-нибудь понадобится подавать на катушки синус с такой же мощностью, то понадобится мощный усилитель. До 20 кГц подойдет любой УНЧ, а выше - это уже сложно или дорого.

Для опытов желательно иметь возможность менять длительность импульса, XR это позволяет, но не раздельно с частотой, а это несколько неудобно. Частота зависит от суммы токов через 7 и 8 ноги, а скважность от их разности. Это чтоб жить интереснее было 😀

_________________
И мню аз яко то имать быть, что сам себе всяк может учить.


sergeij_dobrojanskij | Post:338862 - Date: 02.12.11(14:21)
если не ошибаюсь то на XR скважность не меняется.
а это существенный показатель.
хотя точно не уверен в том что невозможно изменить скважность, у ХR

__________
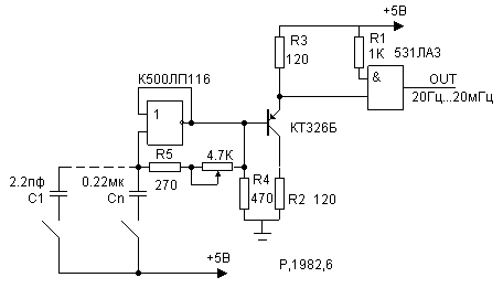
вот нарыл только без скважности но тут кажется можно регулировать скважность
image






Размер: 2.72 KB

_________________
Если катушка не налазит на магнитопровод, внесите коррективы и начинайте всё заново. С уважением к читателям и писателям Сергей Доброжанский sergeij.dobrojanskij@gmail.com


ПОЯRKOFF | Post:338878 - Date: 02.12.11(17:05)
Eduard Пост: 338771 От 02.Dec.2011 (05:27)
Тут не прозвучала важная вещь. XR генерит сигналы разной формы - прямоугольник, синус, треугольник, этим он и хорош. Плюс перестройка по частоте в 2000 раз.

Но для опытов с катушками форма сигнала не важна. Важна приличная моща и возможность менять частоту. Поэтому, если мощный каскад будет работать в ключевом режиме, то и подавать на вход ему можно будет ТОЛЬКО прямоугольник, никаких синусов и треугольников. Для таких опытов сгодился бы генератор и попроще, что-нибудь на TL494 или КМОП-логике. Но если есть уже готовый на XR, можно использовать и его.

Если же когда-нибудь понадобится подавать на катушки синус с такой же мощностью, то понадобится мощный усилитель. До 20 кГц подойдет любой УНЧ, а выше - это уже сложно или дорого.

Для опытов желательно иметь возможность менять длительность импульса, XR это позволяет, но не раздельно с частотой, а это несколько неудобно. Частота зависит от суммы токов через 7 и 8 ноги, а скважность от их разности. Это чтоб жить интереснее было 😀

ну вот ( растроили меня..... может быть можно как нибудь разделить частоту со скважностью? блин а генератор стоящий, для опытов самое оно, усилок можно и ламповый собрать у него частота шире...... проблема с выбором драйвера и трансформатора ( чтоб их не порвало)

_________________
****Если пред тобою великая цель, а возможности твои ограничены, — все равно действуй; ибо только через действие могут возрасти твои возможности.**** С Уважением Сергей


Eduard | Post:339037 - Date: 03.12.11(19:08)
Можно на 8 ногу подключить такой же переменный резистор на землю, что и на 7 ногу. Тогда смысл резисторов будет не "частота", а "длительность импульса" и "длительность паузы".
А я себе купил такую игрушку [ссылка] сегодня приехал из Чайны.

_________________
И мню аз яко то имать быть, что сам себе всяк может учить.


ПОЯRKOFF | Post:339045 - Date: 03.12.11(19:55)
Eduard Пост: 339037 От 03.Dec.2011 (19:08)
Можно на 8 ногу подключить такой же переменный резистор на землю, что и на 7 ногу. Тогда смысл резисторов будет не "частота", а "длительность импульса" и "длительность паузы".
А я себе купил такую игрушку [ссылка] сегодня приехал из Чайны.
тогда смысл резисторов будет не "частота", а "длительность импульса" и "длительность паузы". чуток не понял смысл всех резисторов поменяется ( и на 7 и на 8 ноге)? или я смогу менять и частоту и скважность?

_________________
****Если пред тобою великая цель, а возможности твои ограничены, — все равно действуй; ибо только через действие могут возрасти твои возможности.**** С Уважением Сергей


<] [ 1 | 2 ]
У Вас нет прав отвечать в этой теме.
Форум - Резонансные генераторы - Электронные генераторы (схемотехника) - Функциональный генератор на XR2206 - Стр 2
🏠 Главная | 📚 Содержание | 💬 Форум | 📁 Файлы | 📩 Контакт