[ВХОД]
24.04.26(04:45)

skif.biz

Альтернативная энергия. Оставь надежду, всяк сюда входящий...

🏠 Главная | 📚 Содержание | 💬 Форум | 📁 Файлы | 📩 Контакт
 
Резонансные генераторы
Магнитные генераторы
Механические центробежные (вихревые) генераторы
Электростатические генераторы
Водородные генераторы
Ветро- и гидро- и солнечные генераторы
Прочие идеи (разные)
О форуме
Транспорт
Оружие
Научные идеи, теории, предположения...
Экономия топлива
Коммерческие вопросы
Струйные технологии
Торсионные генераторы
Новые технологии
Барахолка
Патентный отдел
Конструкторское бюро
Нейтронная физика
Торнадо и смерчи
Гравитация и антигравитация
Сделай сам. Советы.
Медицина и здравоохранение

📱 | 🖨️

Форум - Прочие идеи (разные) - новые идеи (прочие) - Математика СЕ - Стр:42
<] [ 1 | ... 32 | 33 | 34 | 35 | 36 | 37 | 38 | 39 | 40 | 41 | 42 | 43 | 44 | 45 | 46 | 47 | 48 | 49 | 50 | 51 | 52 | ... | 56 ] [>
Модератор: Greyver
Первый пост темы: Greyver Post: #374302 От:06.06.2012 (18:31)
Математика - это наука о тождествах 😊 . Поэтому при помощи математики вполне можно определять логические границы наших физических моделей, переведённые в вид математических уравнений. Но сейчас засилие математических моделей приводит к тому, что происходит не смена физических моделей с изменением математического описания, а любыми математическими извращениями стремятся притянуть за уши математическую модель к физической реальности, что Фейнман называл "заметанием трудностей под ковёр".

Поэтому, определив границы за которыми математика оказывается физически несостоятельной, мы автоматически определим границы применимости наших физических моделей. И, соответственно, сможем понять, в каком направлении надо двигаться.
Также сюда можно тырить любые математические (и физические) выводы, которые так или иначе могут быть задействованы при построении СЕ.
dedivan | Post:406804 - Date: 08.01.13(23:46)
MSN Пост: 406803 От 08.Jan.2013 (23:32)
Дорисуй на рисуночке второй провод от источника

Скучные вы все электрики и без второго провода у вас никак.
А вот бла-блабла и без второго провода распространяются. Это как?

_________________
я плохого не посоветую


andy8mm | Post:406806 - Date: 09.01.13(00:01)
Магнит впоперек поля, это как?
image
Освежил памятку о ЕБХТ здесь(ветка Про вихри на 1-ой страничке)
[ссылка]
image


MSN | Post:406807 - Date: 09.01.13(00:09)
dedivan Пост: 406804 От 08.Jan.2013 (23:46)
MSN Пост: 406803 От 08.Jan.2013 (23:32)
Дорисуй на рисуночке второй провод от источника

Скучные вы все электрики и без второго провода у вас никак.
А вот бла-блабла и без второго провода распространяются. Это как?

Дед, не встревай. Тут контингент еще не дошел до уровне понимания эквивалентных схем, и что емкостная связь на высоких частотах может "проводить" не хуже провода у электриков.

_________________
Говорите говорите, я всегда зеваю когда мне интересно. 99,9% всех СЕ устройств, - от неправильных измерений


bes | Post:406811 - Date: 09.01.13(01:57)

Твои последователи (вместе с тобою)- применили токовые клещи.
Усек?
Но как и ты - не могут сообразить что они работают лишь с переменкой.


Набери в яндексе "токовые клещи постоянного тока" и узнаешь то, чего нет у Перышкина.


shkaf | Post:406815 - Date: 09.01.13(04:51)
Ну и с таким же успехом включай первичкой не трубку а центральный проводник и трансик прекрасно будет трансформировать. И коли на трубке появится переменное напряжение генератора, то сама трубка-вторичка так же прекрасно будет излучать ЭМ волну в радиофир.
Точно так же как просто два проводничка а не трубки рядом внутри феритовых колечек.
67
67
Размер: 10.52 KB
нр
нр
Размер: 9.54 KB

_________________
На Бога уповаем. http://www.skif.biz/files/e5a7f3.jpg


shkaf | Post:406818 - Date: 09.01.13(06:04)
dedivan Пост: 406801 От 08.Jan.2013 (23:11)
shkaf Пост: 406791 От 08.Jan.2013 (19:52)
Есть коаксиальные трансформаторы БХТ в нем вторичка так же внутри трубки и такой транс как и обычный трансик нагружает первичную цепь током вторички

"Неправильно ты бутерброд ешь"
Поле в ебхт очень хорошее, но не надо его нагружать током.
Надо поперек его ставить магнит и заряды пойдут под его действием,
но поперек поля. Тока в прямой цепи не будет.

Погоди погоди дед, когда речь шла про сварочный ХТ транформатор с вторичкой-трубкой внутри ферит.колец и про другие.. [ссылка]
image

image
бутерброды у тебя были правильные, а сейчас что изменилось те же бутерброды стали неправильные ??
Мильоны таких трансформаторов прекрасно работают бинокли и т.д.
Dedivan:
заряды пойдут под его действием,
но поперек поля. Тока в прямой цепи не будет.
Так можно вакумную лампу устроить с кривой траекторией движения зарядов,(типа магнетрон) однако ток анода всравно будет энергия в поле.
А если БХТ флейбек, то ток вторички ЕСТЬ а тока первички и так ноль коли разрыв цепи первички. Что еще нужно?
Ежели прямоход- не будет тока в прямой цепи, не будет и во вторичной. Энергия сообщена полю и ты это прекрасно знаешь.

_________________
На Бога уповаем. http://www.skif.biz/files/e5a7f3.jpg


Greyver | Post:406872 - Date: 09.01.13(18:04)
Виталя Пост: 406799 От 08.Jan.2013 (22:11)
Greyver, проверили твоё "изоБредение"😊. Результат, как иследовало ожидать, = Хрен Вам.😊😬🤢🤬

"проверили" - эт на чём? У тебя что, высоковольтный ген на 30 МГц в гараже завалялся?
Короче, описание девайса для проверки - в студию! (самому интересно)

_________________
Человек отличается от обезьяны умением не замечать очевидных вещей.


Greyver | Post:406874 - Date: 09.01.13(18:47)
shkaf Пост: 406791 От 08.Jan.2013 (19:52)
Тебе говорт же что энергия в поле волны.. и нахаляву поле не отдает свою энергию больше чем имеет!!!!!!!

shkaf, я понимаю, что ты пользуешся механической моделью среды (эфира) в виде пружинок-резинок-деформаций- и т.д. Поэтому жёстко связан с ЗСЭ. Я пользуюсь принципом Ле-Шателье, при котором "нахаляву поле не отдает свою энергию больше чем имеет" лишь пустые слова, выражающие лишь частное мнение...
Как нибудь напишу, как в резонансном контуре (http://www.skif.biz/index.php?name=Forums&file=viewtopic&p=402519#402519) такая механическая модель с ЗСЭ не действует, хотя ЗСЭ в контуре выполняется именно за счёт нарушения ЗСЭ средой (эфиром) 😊

А вот по существу вопроса
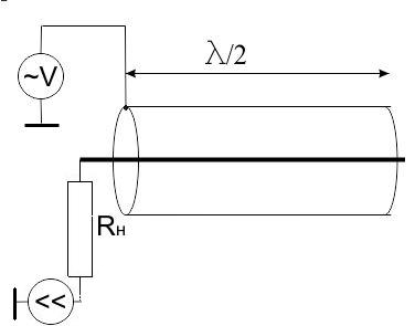
image

напряжение нарисовано на оплётке, а ток по жиле. Что не так?

И почему ты дальше везде рисуешь генератор ТОКА (значёк с <<, ежель не забыл ещё ТОЭ, то так обозначается), подсоединённый ОДНИМ проводом?
Эт всёж генератор тока а не напряжения...

_________________
Человек отличается от обезьяны умением не замечать очевидных вещей.


Greyver | Post:406878 - Date: 09.01.13(19:27)
MSN Пост: 406803 От 08.Jan.2013 (23:32)
на нём имеешь прямые потери активной мощности P=U*I. Чего ты в батарейку возвращать собрался ? 🤢

ток собрался возвращать
А вот ты вместо термостатов дорогих

Термостаты нужны не мне, а gravio, поскольку у него ЗСЭ факт чисто экспериментальный.
Дорисуй на рисуночке второй провод от источника напряжения, первый к медной трубке идет и нарисуй как включался ваттметр.

А на фига мне дорисовывать второй провод? Ведь в этом случае предполагались постоянные напряжения и ток 😊 "Оплётка" тут - простая ёмкость на землю (относительно которой и меряем напряжение), что при постоянке не принципиально.
Тут заковыка в другом - конечно, ваттметром мы меряем ток от одного генератора, а напряжение от другого - но как мы можем об ентом догадаться, просто глядя на "оплётку"?

_________________
Человек отличается от обезьяны умением не замечать очевидных вещей.


MSN | Post:406881 - Date: 09.01.13(19:57)
to Greyver
Чего ты в батарейку возвращать собрался ? smile
ток собрался возвращать

А откуда ты этот ток брать собрался ?

_________________
Говорите говорите, я всегда зеваю когда мне интересно. 99,9% всех СЕ устройств, - от неправильных измерений


Виталя | Post:406883 - Date: 09.01.13(20:13)
Greyver Пост: 406872 От 09.Jan.2013 (18:04)
Виталя Пост: 406799 От 08.Jan.2013 (22:11)
Greyver, проверили твоё "изоБредение"😊. Результат, как иследовало ожидать, = Хрен Вам.😊😬🤢🤬

"проверили" - эт на чём? У тебя что, высоковольтный ген на 30 МГц в гараже завалялся?
Короче, описание девайса для проверки - в студию! (самому интересно)

2 В, до 50 МГц, синус. Но, для проверки твоего изоБредения😊, мне было вполне достаточно и ЭТОГО.😊

_________________
С ув. Виталий.


Виталя | Post:406884 - Date: 09.01.13(20:15)
MSN Пост: 406881 От 09.Jan.2013 (19:57)
А откуда ты этот ток брать собрался ?

Да из "кефира", наверняка.😊

_________________
С ув. Виталий.


dedivan | Post:406887 - Date: 09.01.13(21:11)
shkaf Пост: 406818 От 09.Jan.2013 (06:04)
Так можно вакумную лампу устроить с кривой траекторией движения зарядов,(типа магнетрон) однако ток анода всравно будет энергия в поле.


Повкуривай разницу- в лампе ты должен подсоединить к электродам внешний источник- он и создаст поле, и любое движение зарядов в нем
будет отбирать у него энергию.
А ебхт нет электродов, нет внешнего источника поля , поле внутри него
несколько отличается от лампового.
Его отличие в том, что оно незамкнутое.
Замкнутую цепь в нем создаем только поперек этого поля.
А движение поперек не отжирает энергию.


_________________
я плохого не посоветую


rezoner | Post:406926 - Date: 10.01.13(00:22)
Вот, СЕ без всякой математики.
😬 😬 😬 😬
[ссылка]
Из всего вышесказанного можно сделать следующий вывод. Магнит на счетчик воды – очень практичное устройство. Оно помогает экономить и при этом – совершенно безвредное и простое в использовании

..

«Изобретатель»
Данный Интернет-проект основан на базе ежемесячного белорусского производственно-практического журнала «Изобретатель». Созданный десять лет назад с благословения нашего земляка, лауреата Нобелевской премии Ж. Алферова, за эти годы журнал накопил огромное количество технической информации по многим отраслям. Авторами журнала являются наряду с белорусскими учеными, изобретателями и рационализаторами, их коллеги из многих стран мира.


MSN | Post:406929 - Date: 10.01.13(02:42)
Виталя Пост: 406884 От 09.Jan.2013 (20:15)
MSN Пост: 406881 От 09.Jan.2013 (19:57)
А откуда ты этот ток брать собрался ?

Да из "кефира", наверняка.😊


Да понимаешь-ли Виталя, если бы хоть из кэфира, я бы не прикалывался.
А так, он ведь батарейку собирается током заряжать, а ток этот брать из-той же батарейки 🤢
image

_________________
Говорите говорите, я всегда зеваю когда мне интересно. 99,9% всех СЕ устройств, - от неправильных измерений


shkaf | Post:406976 - Date: 10.01.13(16:42)
dedivan Пост: 406887 От 09.Jan.2013 (21:11)
Повкуривай разницу- в лампе ты должен подсоединить к электродам внешний источник...
А в ебхт нет электродов, нет внешнего источника поля..
Его отличие в том, что оно незамкнутое.
Замкнутую цепь в нем создаем только поперек этого поля.
А движение поперек не отжирает энергию.
Сперва первичку-трубку ебхt надо чем то запитать- пропустить по ней ток!!
И отжирать энергию у внешнего источника питания ЕБХТ будет ток по трубке первички на образования поля (хитрого или не хитрого) внутри трубки и только потом все остальные эффекты..а эфектов то, как поверх трубки пластина конденсатора вторая пластина сама трубка.
Хороший это будет конденсатор или плохой пока не известно хотя интересно. Что то вроде флейбек только конденсаторный.
Как ни крути, а энергию от источника вынь да полож.

_________________
На Бога уповаем. http://www.skif.biz/files/e5a7f3.jpg


Greyver | Post:406981 - Date: 10.01.13(17:22)
Виталя Пост: 406883 От 09.Jan.2013 (20:13)
2 В, до 50 МГц, синус. Но, для проверки твоего изоБредения😊, мне было вполне достаточно и ЭТОГО.😊

Нарисовал тут картинку вчерновую, ХП в разрезе и суть "прибавки".

Можно очень грубо оценить величину "халявы" в сём девайсе.
Входные данные: генератор на 30 МГц (воздушный коаксиал длиной 5 метров, больше в гараже не поместится 😊)), амплитуда напряжения 1 Вольт (можно сказать "стандартная", так считать легче). В итоге у меня получилась амплитуда плотности тока "халявы" в жиле порядка 0.2 мА 😕 (без учёта площади сечения жилы).
Если учесть, что ентот ХП будет "фонить" во все стороны как последняя... -- как полуволновая антенна, на что указал shkaf -- и очень плохой КПД съёма этого тока, оплётка по отношению к жиле образует короткозамкнутый виток -- и ... Короче, совсем не удивительно, что такую "халяву" до сих пор никто не заметил...

И чем этот ток "ловил"?


Размер: 21.05 KB

_________________
Человек отличается от обезьяны умением не замечать очевидных вещей.


Greyver | Post:406983 - Date: 10.01.13(17:38)
MSN Пост: 406881 От 09.Jan.2013 (19:57)
to Greyver
Чего ты в батарейку возвращать собрался ? smile
ток собрался возвращать

А откуда ты этот ток брать собрался ?

Сам же писал
на нём имеешь прямые потери активной мощности P=U*I

где ключевое слово - "ПОТЕРИ".
А теперь подумай - ток через светодиод УЖЕ ПРОШЁЛ, и чего его не "слить" обратно в батарейку? 😬

ПС. Да, если не в курсе: я не "связан" ЗСЭ, а ориентируюсь на более общий принцип - принцип Ле-Шателье. Так что рассуждения типа "энергия потратилась и больше её взяться неоткуда" не принимаются.

_________________
Человек отличается от обезьяны умением не замечать очевидных вещей.


Greyver | Post:406984 - Date: 10.01.13(17:48)
Виталя Пост: 406884 От 09.Jan.2013 (20:15)
MSN Пост: 406881 От 09.Jan.2013 (19:57)
А откуда ты этот ток брать собрался ?

Да из "кефира", наверняка.😊

Ты не поверишь, но у меня (пока чисто теоретически) получается, что ПОЛОВИНА энергии в обычном LC-контуре, находящемся в резонансе, БЕРЁТСЯ из "кефира", тем самым поддерживая ЗСЭ.
Как будет время, напишу тут, тем более уже shkaf'у "обещал".

_________________
Человек отличается от обезьяны умением не замечать очевидных вещей.


dedivan | Post:406985 - Date: 10.01.13(17:51)
shkaf Пост: 406976 От 10.Jan.2013 (16:42)
Сперва первичку-трубку ебхt надо чем то запитать- пропустить по ней ток!!



Не совсем так.
Почему в бане без трусов на гармони не играют?
Оказывается можно прищемить кое что.
Но это кое что можно прищемить и в тисках.
Только движения разные.
Гармонь надо растягивать, сжимать а тиски крутить поворачивать винт.
У тисков сжатие вторично по отношению к вращению винта.
Ебхт- это тиски.

_________________
я плохого не посоветую


Greyver | Post:406986 - Date: 10.01.13(18:01)
MSN Пост: 406929 От 10.Jan.2013 (02:42)
image

Дык и я прикалываюсь 😊
Однако
в каждой шутке есть доля шутки, а остальное правда (с)
тому же Мюнхаузену достаточно было махать в воде руками, чтобы высунуться из неё по пояс (увеличить КПД на 50%).
Правда, с лошадью он бы не потянул 😬

_________________
Человек отличается от обезьяны умением не замечать очевидных вещей.


shkaf | Post:406987 - Date: 10.01.13(18:07)
dedivan Пост: 406985 От 10.Jan.2013 (17:51)
shkaf Пост: 406976 От 10.Jan.2013 (16:42)
Сперва первичку-трубку ебхt надо чем то запитать- пропустить по ней ток!!

Почему в бане без трусов ....
У тисков сжатие вторично по отношению к вращению винта.
Ебхт- это тиски
С веником в баню нужно ходить, а не с гармошкой и тисами !
И чтобы тисы ебхт сжали яйца, нужно затратить энерги чтоб покрутить винт тисов ебхт, и пока не покрутишь вспатевши, яйца не прижмешь.

_________________
На Бога уповаем. http://www.skif.biz/files/e5a7f3.jpg


Greyver | Post:406989 - Date: 10.01.13(18:09)
shkaf Пост: 406976 От 10.Jan.2013 (16:42)
И отжирать энергию у внешнего источника питания ЕБХТ будет ток по трубке первички на образования поля (хитрого или не хитрого) внутри трубки и только потом все остальные эффекты..

Отжирать-то будет, но только в момент запуска. Потом всё енто дело в резонансе бултыхаться будет, так шо потом токмо омические потери в "проводах" и никакого "...на образование поля...".

ПС. Сразу не заметил насчёт "тока по трубке". Тепловой ток по трубке здесь совершенно лишний, и только снижает общий КПД. Не зря ж талдычу: ОДИН провод от генератора НАПРЯЖЕНИЯ.
А токи "поляризации" в трубке сами возникнут, к сожалению 😕

_________________
Человек отличается от обезьяны умением не замечать очевидных вещей.


shkaf | Post:406990 - Date: 10.01.13(18:19)
Greyver Пост: 406989 От 10.Jan.2013 (18:09)
shkaf Пост: 406976 От 10.Jan.2013 (16:42)
И отжирать энергию у внешнего источника питания ЕБХТ будет ток по трубке первички на образования поля (хитрого или не хитрого) внутри трубки и только потом все остальные эффекты..

Отжирать-то будет, но только в момент запуска. Потом всё енто дело в резонансе бултыхаться будет, так шо потом токмо омические потери в "проводах" и никакого "...на образование поля...".

А причем тут омическое сопротивление?? не такое оно уж большой в медной трубке. И энергия всех колебаний резонанса это энергия взятая у источника питания.

_________________
На Бога уповаем. http://www.skif.biz/files/e5a7f3.jpg


Greyver | Post:406991 - Date: 10.01.13(18:26)
shkaf Пост: 406990 От 10.Jan.2013 (18:19)
И энергия всех колебаний резонанса это энергия взятая у источника питания.

Опять тупо ЗСЭ... а ты LC-контур в термостат сував, шоб такое утверждать? 😭

_________________
Человек отличается от обезьяны умением не замечать очевидных вещей.


<] [ 1 | ... 32 | 33 | 34 | 35 | 36 | 37 | 38 | 39 | 40 | 41 | 42 | 43 | 44 | 45 | 46 | 47 | 48 | 49 | 50 | 51 | 52 | ... | 56 ] [>
У Вас нет прав отвечать в этой теме.
Форум - Прочие идеи (разные) - новые идеи (прочие) - Математика СЕ - Стр 42
🏠 Главная | 📚 Содержание | 💬 Форум | 📁 Файлы | 📩 Контакт