[ВХОД]
18.04.26(14:47)

skif.biz

Альтернативная энергия. Оставь надежду, всяк сюда входящий...

🏠 Главная | 📚 Содержание | 💬 Форум | 📁 Файлы | 📩 Контакт
 
Резонансные генераторы
Магнитные генераторы
Механические центробежные (вихревые) генераторы
Электростатические генераторы
Водородные генераторы
Ветро- и гидро- и солнечные генераторы
Прочие идеи (разные)
О форуме
Транспорт
Оружие
Научные идеи, теории, предположения...
Экономия топлива
Коммерческие вопросы
Струйные технологии
Торсионные генераторы
Новые технологии
Барахолка
Патентный отдел
Конструкторское бюро
Нейтронная физика
Торнадо и смерчи
Гравитация и антигравитация
Сделай сам. Советы.
Медицина и здравоохранение

📱 | 🖨️

Форум - Сделай сам. Советы. - Домашнему мастеру - Зарядка для акб от AlexSoroka. - Стр:1
[ 1 | 2 | 3 | 4 | 5 | 6 | 7 | 8 | 9 | 10 | 11 | ... | 24 ] [>
Модератор: AlexSoroka
AlexSoroka | Post:464700 - Date: 31.03.15(13:26)
Спасибо за поддержку.

Но после всех этих лет и попыток нести Знание в массы, мне как-то надоело писать и получать реки говна от недоучек в ответ, а также рассказки о полезности зарядок "из магазина" внутри которых проводки на 0.5мм2 сечения с гордой надписью "развивает 10Ампер тока" а схема представляет собой трансформатор и два диода + "показометр амперов".

Так что всем кто хочет понять глубину задницы, в котрой находится "теория работы свинцового АКБ" - прошу ЧИТАТЬ на мой сайт:
[ссылка]

Глоссарий и основные ответы на вопросы: [ссылка]
(без знания того что тут написано - я вообще на письма "вопрошающих" не отвечаю)

Восстановление АКБ, то что нужно знать:
[ссылка]

Методики обслуживания:
[ссылка]

ВНИМАНИЕ !!! Все современные АКБ автомобильные(продаваемые как автомобильные) идут по технологии кальций-кальций или "гибрид" (+пластина обычная а (-) с кальцием) поэтому даже один глубокий разряд АКБ приведет к потере АКБ 70-90% его ёмкости!

Подробнее читать тут: [ссылка]

Я произвожу зарядные устройства, которые реализуют все мои знания о процессе заряда и восстановления свинцовых АКБ всех типов.


Kasper | Post:464718 - Date: 31.03.15(14:14)
Спасибо Алекс. Будем изучать....

_________________
Думать, привилегия умных!


dedivan | Post:464730 - Date: 31.03.15(14:56)
AlexSoroka Пост: 464700 От 31.Mar.2015 (14:26)
даже один глубокий разряд АКБ приведет к потере АКБ 70-90% его ёмкости

Разряд разряду - рознь.
Одно дело стартером, другое лампочкой и третье -хитрым способом.
А все аккумуляторы начинают свою жизнь с пробной разрядки до 6 вольт еще на заводе. Технология такая.

_________________
я плохого не посоветую


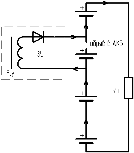
Svas | Post:464738 - Date: 31.03.15(15:55)
у зарядников нету защиты от следующей ситуации:
имеется 4 последовательно соединённых АКБ 12В на общее напряжение 48В. К каждому АКБ подключено свое персональное зарядное устройство. Допустим, в одной АКБ произошел обрыв. Подключаем нагрузку 48В, стартерными токами, не зная про обрыв. От оставшихся в живых 3-х аккумуляторов по цепи потечет ток и выжгет диод в зарядном устройстве того аккумулятора, который в обрыве.
Как избежать?

Svas | Post:464742 - Date: 31.03.15(16:06)
oooshiva Пост: 464740 От 31.Mar.2015 (16:59)
А в данной ситуации диод и не пустит через себя ток. Ибо обратный.

ибо прямой

Svas | Post:464748 - Date: 31.03.15(16:17)
дак они все такие



Размер: 4.02 KB

Aspirant1 | Post:464749 - Date: 31.03.15(16:18)
AlexSoroka | Post: 464700 - Date: 31.03 (19:56)
Но после всех этих лет и попыток нести Знание в массы, мне как-то надоело писать и получать реки говна от недоучек в ответ

Одному такому деятелю дал распечатку твоего сайта, работает автомехаником в автопарке, более 100 единиц техники. А он мне в ответ этого не может быть, о аккумуляторах уже давно ВСЕ известно и ничего придумать нового нельзя!
Я развернулся и ушел

Kasper | Post:464772 - Date: 31.03.15(18:04)
Svas Пост: 464748 От 31.Mar.2015 (17:17)
дак они все такие

ставь предохранитель после диода на ток около границы выгорания диода. Импульсный ток он пропустит и диод его выдержит. А постоянный перегреет нить и он разорвет цепь.

_________________
Думать, привилегия умных!


ZU | Post:464773 - Date: 31.03.15(18:04)
dedivan
...А все аккумуляторы начинают свою жизнь с пробной разрядки до 6 вольт еще на заводе. Технология такая.

на заводе понятное дело свинец из одного ведра, намазки из одного корыта - параметры пластин идентичные. т.е. при разряде до 6В =по вольту на банку видимо допустимо, зато выявит явный брак.
А вот в разрядке Алекса не понятно зачем режим разряда -1-sur10 сделан с выкачкой, поскоку в б.у. акумах наверняка банки уже разные и переполюсовка весьма вероятна, при нагрузке на лампу тем паче (она ж холодная при импульсном режиме).
Я из 20 акков 7Ач одной партиии (из 80 кВА ЮПСа APC ) таким макаром примерно половину добил на лампочку 50Вт.

Алекс, я прально понял что тута можно чего спросить??

dedivan | Post:464784 - Date: 31.03.15(18:56)
Kasper Пост: 464772 От 31.Mar.2015 (19:04)
ставь предохранитель

Не предохранитель а мощный диод.
Такой штоб терпел рабочий ток.
Он может быть дешевым низкочастотным- он не выпрямляет высокую частоту,
но обязательно дубовым.



Размер: 12.14 KB

_________________
я плохого не посоветую


andy8mm | Post:464786 - Date: 31.03.15(19:04)
ZU, режим -1-sur10 это как входной контроль,
принесли акб с Х ампер*часов( на ночь поставил и утром видишь что в нем было вначале циклов)
прокачал акб и отдал уже с Х+15 А*ч
это есть четкий критерий по емкости.

xx0 | Post:464820 - Date: 31.03.15(21:47)
Не вижу смысла спрашивать, алекс делает доброе дело по закосу бабла с доверчивых аккумуляторщиков 🤢

_________________
http://xx0ru.livejournal.com/


Svas | Post:464826 - Date: 31.03.15(22:17)
dedivan Пост: 464784 От 31.Mar.2015 (19:56)
Не предохранитель а мощный диод.Такой штоб терпел рабочий ток.
Он может быть дешевым низкочастотным- он не выпрямляет высокую частоту,
но обязательно дубовым.

думал про жырные диоды, есть таблетки ДЛ153-800, у них при разрядном токе 100А падение всего 0,65В. Но каждому теплоотвод нужен на 65Вт мощщи. Бесперебойник делаю в дом из 8шт 3СТ-215N. Доступ есть к каждой банке АКБ, решаю вопрос с побаночным зарядом.



Размер: 89.21 KB

dedivan | Post:464828 - Date: 31.03.15(22:24)
Ну ты же не 100 ампер сразу берешь.
Там обычный рабочий ток потечет.
Сколько у тебя- киловатт? 20 ампер.

_________________
я плохого не посоветую


Svas | Post:464830 - Date: 31.03.15(22:31)
бесперебойник 7,5кВа (5кВт)
жырные диоды имеет смысл установить на одну общую плиту, поскольку по статистике отказывает 1-2 банки, только их придется изолировать.

dedivan | Post:464832 - Date: 31.03.15(22:47)
И че- на два часа?
Это не для этих аккумов режим.
Пересчитывай на 10 часов.

_________________
я плохого не посоветую


Svas | Post:464834 - Date: 31.03.15(22:53)
за 2 часа можно успеть соптимизировать нагрузки под 10 часов работы, да дёрнуть дизель-генератор на быструю зарядку АКБ. Большие аккумы выгоднее держать для такого.

ZU | Post:464951 - Date: 01.04.15(14:24)
andy8mm Пост: 464786 От 31.Mar.2015 (20:04)
ZU, режим -1-sur10 это как входной контроль...

Андрей,я же не про то...а про то что выкачка приводит к переполюсовке у б.у.шных АКБ.
Вот я и спросил у Алекса накой она нужна - мож для чего ещщё??

andy8mm | Post:464985 - Date: 01.04.15(15:37)
ZU, переполюсовки ячейки при разряде до 10,5 ещё нет
1. 10,5/5 = 2,1 Вольта на ячейку (допукстим одна банка ушла в ноль и готова переполюсоваться)
2. 10,5/6 = 1,75 Вольта на ячейку (если равномерно все 6 разряжены - это терпимо кратковременно)

dedivan | Post:464995 - Date: 01.04.15(16:15)
Svas Пост: 464834 От 31.Mar.2015 (23:53)
за 2 часа можно успеть соптимизировать нагрузки под 10 часов работы, да дёрнуть дизель-генератор на быструю зарядку АКБ. Большие аккумы выгоднее держать для такого.


Это понятно. Я про то что такие аккумы не предназначены для таких режимов и долго не живут, можно буквально за2-3 раза загубить их.
Устройство их пластин не рассчитано на интенсивный газоотвод при больших токах- рассыпается намазка на них.
Для кратковременных режимов специальные акки выпускают с совсем другой
конструкцией пластин. Есть множество патентов на эту тему.


_________________
я плохого не посоветую


Svas | Post:465014 - Date: 01.04.15(16:46)
dedivan Пост: 464995 От 01.Apr.2015 (17:15)
Устройство их пластин не рассчитано на интенсивный газоотвод при больших токах- рассыпается намазка на них.

что такое "большие токи"? для аккума 3СТ-215N ток зарядки 0,1С=21,5А
тут может быть влияют не токи а плотность тока в конце заряда, выше которой пластины высыпаются?

dedivan | Post:465026 - Date: 01.04.15(17:02)
А почему заряда?Они и при разряде очень хорошо кипят- посмотри.
Это вопрос цены- завод может сделать и более тонкие намазки, поставить больше пластин- но это дороже. Или рулонная конструкция- посмотри аккумы Leoch
они для электроавтомобилей там как раз разряд на пару часов.
Там совсем другая конструкция- это не прихоть производителя-
а требования заказчика.

_________________
я плохого не посоветую


Svas | Post:465033 - Date: 01.04.15(17:18)
по количеству побаночного выделившегося водорода при разряде всей батареи определяют самые херовые, которые переполюсовались. Таких бывает до 10% от количества в батарее. И не надо внутрь лазить щупами тестера.

dedivan | Post:465036 - Date: 01.04.15(17:23)
Ты все таки загляни внутрь.
Нагрузи и загляни- если кипят- значит ток велик для них-
уменьшай и найдешь тот ток. который для них приемлим.

_________________
я плохого не посоветую


Svas | Post:465044 - Date: 01.04.15(17:30)
oooshiva Пост: 465040 От 01.Apr.2015 (18:27)
А чем воняет при кипении аккумулятора?

Ливером воняет. Когда понюхаешь, начинаешь печенью/лёгкими кашлять на пол. А в конце заряда - летит самая вкусняшка: стибин SbH3(сурьмянистый водород) - неорганическое бинарное химическое соединение сурьмы с водородом, имеющее чесночный запах. Также свинец обычно загрязнен мышьяком, в конце заряда выделяется арсин.
Аккумулятор стебётся над нами😬

[ 1 | 2 | 3 | 4 | 5 | 6 | 7 | 8 | 9 | 10 | 11 | ... | 24 ] [>
У Вас нет прав отвечать в этой теме.
Форум - Сделай сам. Советы. - Домашнему мастеру - Зарядка для акб от AlexSoroka. - Стр 1
🏠 Главная | 📚 Содержание | 💬 Форум | 📁 Файлы | 📩 Контакт