[ВХОД]
22.04.26(01:48)

skif.biz

Альтернативная энергия. Оставь надежду, всяк сюда входящий...

🏠 Главная | 📚 Содержание | 💬 Форум | 📁 Файлы | 📩 Контакт
 
Резонансные генераторы
Магнитные генераторы
Механические центробежные (вихревые) генераторы
Электростатические генераторы
Водородные генераторы
Ветро- и гидро- и солнечные генераторы
Прочие идеи (разные)
О форуме
Транспорт
Оружие
Научные идеи, теории, предположения...
Экономия топлива
Коммерческие вопросы
Струйные технологии
Торсионные генераторы
Новые технологии
Барахолка
Патентный отдел
Конструкторское бюро
Нейтронная физика
Торнадо и смерчи
Гравитация и антигравитация
Сделай сам. Советы.
Медицина и здравоохранение

📱 | 🖨️

Форум - Резонансные генераторы - Резонанс Авраменко - Реально повторяемые конструкции! - Стр:3
<] [ 1 | 2 | 3 ]
Модератор: baгmaleу
Первый пост темы: baгmaleу Post: #35477 От:28.08.2006 (19:22)
Народ! Хватит бессмысленно тыкать пальцами в клаву! Давайте перейдём к конкретным и легкоповторяемым конструкциям и экспериментам. Кто готов дать для затравки реальный образец?
Маестро | Post:80851 - Date: 22.09.07(00:02)
"еще как надо".....

Ну тогда записывайте 😀

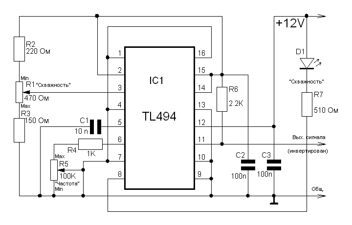
Коротко о работе:
Выводы 1,2 и 15,16 - входы усилителей ошибки, подключены так что в работе не участвуют.
вывод 3 - напряжение на нем устанавливает скважность(0,8в и менее -> максимальная, 3,5в и более -> минимальная)
вывод 4 - регулировка мертвого времени, в данном случае установлено на минимум(а вообще-то им тоже можно регулировать скважность).
вывод 5 - подключение конденсатора(задает частоту, на схеме ето С1, если надо больше частота, то конденсатор поменьше, и наоборот).
вывод 6 - подключение резистора(R5. он тоже задает частоту , изменяя его мы изменяем частоту, последовательно с ним установлен R4, для ограничения максимальной частоты)
вывод 7 - общий, "-" питания
вывод 8,11 - колекторы внутрених транзисторов
вывод 9,10 - емитеры, етих же транзисторов
один из них работает на выход, второй на индикацию установленой скважности, туда же можно подключить и частотомер, будет и индикация частоты.
вывод 12 - напряжение питания +7...40В
вывод 13 - вход выбора режима работы, если подана лог. 1 то двух тактный режим, если лог. 0 то импульсы на всех выходах появляются одновременно, что и использовано в нашем случае.
вывод 14 - выход источника опорного напряжения +5В.

частота генератора может быть от 1 до 300 кГц.
Fosc=1.1/(R*C)

Скважность от 0 до 96%


Сама схема
Размер: 8.91 KB

_________________
Истина где-то рядом


Маестро | Post:80852 - Date: 22.09.07(00:06)
еще кусочек 😀

Структурная схема TL494
Размер: 12.14 KB

_________________
Истина где-то рядом


Маестро | Post:80853 - Date: 22.09.07(00:12)
И последнее.

у меня ета схемка собрана на макетной плате, и успешно работает.
выход инвертирован, так как после него у меня подключена К561ЛА7 - все 4 елемента которой запаралелены, и работают как драйвер для полевика(ето так... временно пока нормальный куплю 😀 )


Вот вроде и все, у кого какие вопросы, предложения пишите.


Размер: 5.72 KB

_________________
Истина где-то рядом


queet | Post:80854 - Date: 22.09.07(00:55)
Маестро | Post: 80851
Не мешало бы последовательно со светиком "скважность" включить резистор для ограничения тока. А то не ровен час светику гаплык настанет.😊

Маестро | Post:80874 - Date: 22.09.07(10:32)
queet Пост: 80854 От 22.Sep.2007 (01:55)
Не мешало бы последовательно со светиком "скважность" включить резистор для ограничения тока. А то не ровен час светику гаплык настанет.😊


Правильно!!! у меня то он есть, но рисуя схемку в 12 часов обязательно что-то забудешь дорисовать 😀
уже поменял картинку.

_________________
Истина где-то рядом


AndreyZ | Post:81130 - Date: 24.09.07(20:59)
Маестро Пост: 80832 От 21.Sep.2007 (19:56)

и еще надо добавить, дорогуватую, у нас в Киеве в розницу ~50$

кому надо шото проще то можете сделать на той же TL494 она же КА7500.
там правда только прямоугольник, но частоту и скважность регулировать можно легко.
если интересно кому - пишите, нарисую схемку.


"Что такое Верблюд? - это Лошадь которую сделал коллектив!"...

_________________
Не надо ломиться в открытую дверь, дайте я её закрою!


lazj | Post:81255 - Date: 25.09.07(21:18)
Андрей Z, гутная мелкосхема 😀 а мощность увеличить , ведь наверняка у вас выход усилен... не подскажете?

_________________
"Наука - это то, чего быть не может. То что может быть - это уже технический прогресс" (П.Л. Капица) "Делай, что должно и будь, что будет.."


kriotron | Post:81275 - Date: 26.09.07(06:20)
Дла увеличения мощности ставят полевичок IRFZ44N,IRL2905,можно и составной транзюк Дарлингтона 2N3055 (КТ825, 827 наше .овно тоже потянет) воткнуть или оптрон (если частота небольшая будет). Некуёво работает микроха УНЧ TDA2052 (20-20000 Гц)ищите datasheet.

_________________
Не бойся делать то, чего не знаешь. Ковчег построил любитель - профи создали Титаник.


bolt | Post:83461 - Date: 12.10.07(11:29)
на счет генератора.
Как бы это сделать на avr с индикацией и кнопками для регулировки частоты и скважности. И что бы можно было бы алгоритм переключения портов менять по своему. И подключать ШИМ. Что-то много я хочу, но мне кажется так универсальней будет.

_________________
Трахаю и тибедохаю. Старик Хотабыч.


bolt | Post:83598 - Date: 12.10.07(22:20)
В принципе генератор нашел [ссылка]
Только бы в коде разобраться и переделать. Хотя бы для того, что бы можно было бы алгоритм переключения портов менять по своему

_________________
Трахаю и тибедохаю. Старик Хотабыч.


bolt | Post:83602 - Date: 12.10.07(22:56)
Да и еще, какой регистр можно поставить на 12 вольт, просто на вскидку не помню К561ИР2 или 176 ????

_________________
Трахаю и тибедохаю. Старик Хотабыч.


ilnur | Post:97773 - Date: 24.01.08(14:32)
Очень информативная тема. Мжет кто нибудь подскажет какие диоды для вилки целесообразнее использовать.

proggi | Post:97774 - Date: 24.01.08(14:45)
Да да, сколько времени прошло но ничего реального никто не предложил.

Harry-run | Post:140938 - Date: 12.11.08(17:06)
собрал генератор на мультивибраторе с регулируемой частотой.
где-то на 1 кГц подаю на катушку зажигания, от нее вилка из двух восоковольтных диодов, искры летят. Конструкция плевая, а работает реально.

lazj | Post:140962 - Date: 12.11.08(19:46)
Harry-run, и "реально работает" это что значит? Что на выходе? Искры это забава для дурачков. Цель какова? Что достигнуто?

_________________
"Наука - это то, чего быть не может. То что может быть - это уже технический прогресс" (П.Л. Капица) "Делай, что должно и будь, что будет.."


niklz | Post:141127 - Date: 13.11.08(18:13)
гнитную связь можно-создав промежуточную обмотку между двумя полуобмотками бифиляра.Подумайте и подскажите в чем я ошибаюсь-только сильно не бейте!😎

niklz | Post:141129 - Date: 13.11.08(18:14)
Что за ересь -набрал длинный пост а результат-1 строка!😕

niklz | Post:141131 - Date: 13.11.08(18:28)
Я хотел высазать идею о применении бифилярной катушки -для снятия противоэдс
изменяя взаимную магнитную связь полуобмоток- зкранированием одной от другой
в момент снятия -применив вспомогательную промежуточную обмотку с коммутацией в ней тока экранировки.Такой своеобразный магнитный экран!Кстати может быть тоже бифиляром.При этом одна полуобмотка становится последовательным контуром а вторая парралельным.Снимаем с последовательного(парралельно емкости активная нагрузка).Еще интереснее когда она включенна между контурами.Ну ясно одноименные полюса при этом у бифиляра опять же соеденены!Просимулировать в мультисиме
почти невозможно-не представляю как создать подобную модель трансформатора.
Если кто подскажет как и на каком симуляторе легче создать такую модель-буду очень признателен!ИЗВИНЯЮСЬ ЗА ВЫНУЖДЕННЫЙ ФЛУД ПО ТЕХНИЧЕСКИМ ПРИЧИНАМ!😡

bolt | Post:527139 - Date: 07.02.17(11:04)
oooshiva Пост: 527135 От 07.Feb.2017 (10:35)
bolt Пост: 35592 От 29.Aug.2006 (20:50)
Не все то золото, что блестит.
У Болотова при трансмутации индуктивности применялись.

Нейтронов не существует.

Существуют ли нейтроны?


Если в воде палкой мутить, то будут пузыри... Какие из них нейтроны или другая нечесть, как назовешь так и будет, только толку от этого? Есть просто разные пузыри.

_________________
Трахаю и тибедохаю. Старик Хотабыч.


<] [ 1 | 2 | 3 ]
У Вас нет прав отвечать в этой теме.
Форум - Резонансные генераторы - Резонанс Авраменко - Реально повторяемые конструкции! - Стр 3
🏠 Главная | 📚 Содержание | 💬 Форум | 📁 Файлы | 📩 Контакт