[ВХОД]

24.03.26(03:16)

skif.biz

Альтернативная энергия. Оставь надежду, всяк сюда входящий...

🏠 Главная | 📚 Содержание | 💬 Форум | 📁 Файлы | 📩 Контакт

📱 | 🖨️

Форум - Резонансные генераторы - Прочие резонансные генераторы - Зарядка конденсатора от колебательного контура... - Стр:1
[ 1 | 2 | 3 | 4 | 5 ] [>
Модератор: glow
glow | Post:60804 - Date: 07.03.07(11:48)
Вопрос - можно ли зарядить кондер напряжением контура, который находится в резонансе, не влияя на резонанс?


glow | Post:60810 - Date: 07.03.07(12:01)
Народ!!! Это очень важно, ответьте пожалуйста!


yurec | Post:60817 - Date: 07.03.07(12:18)
Ну ты Барин, задачи ставишь!😕
Конечно можно! Вот только как, не знаю. Пока не знаю.😊

И корректней надо задачу ставить. Контур который ты имеешь ввиду - это конденсатор-индуктивность? И от него надо зарядить ещё один конденсатор? Ты хоть сам подумал, что спрашиваешь?

Не в обиду.😶

_________________
Не позволяйте обманывать себя.



glow | Post:60823 - Date: 07.03.07(12:45)
Все верно! Последовательный контур, резонанс напряжений. Я не обижаюсь... Еще ответы!
Вот на рисунке контур...


Размер: 4.52 KB


glow | Post:60828 - Date: 07.03.07(12:54)
Как я понял, таких методов некто еще не придумал? Не верю! Должен быть такой способ!!! Товарищи, отзовитесь!


Serg | Post:60832 - Date: 07.03.07(13:02)
Можно, следай катушечку и помести её в поле своего транса,а к катушечке прицепи кондёр и будет тебе заряженый кондёр и не тронутая цепь.


glow | Post:60838 - Date: 07.03.07(13:13)
Да, но катушечка будет снижать напряжение на трансе, и это зависит от связи... А я имею ввиду зарядить кондер от работающего контура.
К примеру:
входное напряжение 7в, частота - 5кГц, напряжение в контуре - 200в.
Теперь надо зарядить кондер до напряжения 200В и при этом, напряжение на контуре не должно падать. Что скажете?


glow | Post:60839 - Date: 07.03.07(13:16)
Под работающим контуром я подразумеваю емкость и индуктивность подобранные для резонанса на определенной частоте, на контур подается именно эта частота. Теперь от этого дела надо зарядить еще один кондер до напряжения в контуре(которое выше входящего, естественно), не нарушив резонанс. Так задача понятна?


Serg | Post:60840 - Date: 07.03.07(13:19)
В другом варианте это "вечный двигатель" , что-бы забрать без изменений! 😀
Шутка юмора!.


GRN | Post:60845 - Date: 07.03.07(13:41)
glow Пост: 60804 От 07.Mar.2007 (11:48)
Вопрос - можно ли зарядить кондер напряжением контура, который находится в резонансе, не влияя на резонанс?


Нельзя! Без принятия специальных мер, любое даже самое "невинное" "вмешательство" в настроенный колебательный контур изменяет его резонансную частоту.

_________________
Умер 22.09.2007 от остановки сердца.



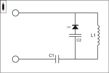
glow | Post:60848 - Date: 07.03.07(13:52)
Вот схема, жду комментариев...


Размер: 8.38 KB


glow | Post:60849 - Date: 07.03.07(13:53)
контур - L1-C1... С2 - любой емкости, лиш бы по напряжению подошел.


GRN | Post:60851 - Date: 07.03.07(13:57)
glow,

Будет "кривой" резонанс. Постройте АЧХ и ФЧХ данного двухполюсника и все будет понятно. Можно теоретически, но можно и практически снять на любой лабораторной установке. Приведите их и тогда можно будет вести разговор далее.

_________________
Умер 22.09.2007 от остановки сердца.



glow | Post:60852 - Date: 07.03.07(13:57)
С2 заряжается до напряжение в контуре, в самом контуре напруга не падает, у меня при входящем напряжении 7в, на контуре 200в, на С2, соответственно, тоже 200в, вернее ~209(за счет диода)! Или велосипед изобрел???


glow | Post:60854 - Date: 07.03.07(14:01)
GRN Пост: 60851 От 07.Mar.2007 (13:57)
glow,

Будет "кривой" резонанс. Постройте АЧХ и ФЧХ данного двухполюсника и все будет понятно. Можно теоретически, но можно и практически снять на любой лабораторной установке. Приведите их и тогда можно будет вести разговор далее.

к сожалению, лабораторной установки у меня нет... Это все делается в домашних условиях... И вот еще момент, ток потребления контуром не зависит от подключения VD1 с С2... Как такое может быть?


GRN | Post:60855 - Date: 07.03.07(14:04)
glow,

Отсутствие исходных данных и условий проведения эксперимента не позволяет сделать выводов. Даже думать трудно. Настолько широко поставлен вопрос.

_________________
Умер 22.09.2007 от остановки сердца.



Eduard | Post:60875 - Date: 07.03.07(14:41)
Дайте правильное определние энергии, и все встанет на свои места. Я определяю энергию как движение, без уточнения, движение чего именно, где и сколько. ЗСИ = сохранение количества движения. КК запасает некоторое количество движения внутри себя. Любая попытка извлечения движения уменьшит его количество в системе. Вот и ответ на ваш вопрос. (НИЗЗЯ!)

_________________
И мню аз яко то имать быть, что сам себе всяк может учить.



glow | Post:60886 - Date: 07.03.07(15:32)
т.е. эта схема работать не будет? И при зарядке С2 напряжение на контуре все равно упадет?


Размер: 8.38 KB


MSN | Post:60913 - Date: 07.03.07(18:25)
И вот еще момент, ток потребления контуром не зависит от подключения VD1 с С2... Как такое может быть?

Элементарно Ватсон, конденсатор С2 зарядился до пикового напряжения 209V и "встал", (другими словами ты изобрел пиковый детектор), а вот если ты добавишь к конденсатору С2 простейшую релаксационную схему и начнешь С2 разряжать например в активную нагрузку, вот тогда твой контур это сразу и прочувствует.
Не влияяя на резонанс можно заряжать конденсатор от колебательного контура, но беда в том, что ты этим самым будешь отбирать у КК всю энергию.

_________________
Говорите говорите, я всегда зеваю когда мне интересно. 99,9% всех СЕ устройств, - от неправильных измерений



GRN | Post:60914 - Date: 07.03.07(18:55)
MSN,

В точку! Но в переходном режиме "кривизны" будет достаточно.

_________________
Умер 22.09.2007 от остановки сердца.



LuftKraft | Post:60924 - Date: 07.03.07(20:48)
ну а почему бы и не сделать тысячу КК ступенчато с заданным шагом потребления...при современных то технологиях ?

а почему бы пироэлектрик или пьезо не включить в схему ?

к примеру вот такой пример из математики
5= 1+1+1+1+1 или
5= 2+3+5-5 или
5= 6-5+2+2 и т.д.
а лепестиричество -то что - особое чтоли ? где этот ЗСИ мифический ? покажите как энергия затраченная возвращается и будет ЗСИ - а то что преобразуется (рассеивается ...разлагается вырождается и прочее прочее) неизвестно куда это не зси - это глюки у шибко вумных или проше сказать зачем воду жалеть если пока вроде хватает. тфу

шо это такое? никакого креатива .. раз индуктивность значит непременно одна ... ? дану скушные какие-то ... под страхом - когдабы приходили и отрезали по фаланге пальца в неделю уж решение бы то нашлось. или ребро бы ломали оддно и тоже - сразу бы включился креатив и стремление решить задачу.

это напоминает когда вы приезжаете в автосервис коробку передач перебрать - вам её чинят пребирают ... ставят все чудесно...только через 3 километра ломается сцепление...вы приходите к мастеру а он вам и говорить "так сказали коробку чинить а сцепление что .. что не велено то не делаем" ...

или к примеру поиграть с самопальными конденсаторами снабженными обкладками вот такой схематичной конструкции :




Размер: 5.47 KB


GRN | Post:60933 - Date: 07.03.07(21:47)
Мы, что в детском саду "играться"? КПП перебрать - это уже не игрушки. Сломать можно и стеклянный х..., который выдан для очень бережного использования.

_________________
Умер 22.09.2007 от остановки сердца.



LuftKraft | Post:60936 - Date: 07.03.07(22:03)
да не в том сцуть ... кпп снимаешь - диск сцепления тоже - и видно и ежу изнощен он или нет ...можно хоть сказать ...чо пот так по тупому видеть что сломано и все равно ставить .... кПП снять поди не шарик возушный пнуть.

Этим вот и отличается специалист от "специалиста" (в кавычках) от злыдня ..


GRN | Post:60946 - Date: 07.03.07(23:41)
LuftKraft,

Хотите? Я Вам ярлык на хвост "прилеплю"?
Не добивайтесь!

_________________
Умер 22.09.2007 от остановки сердца.



Ivan | Post:60950 - Date: 08.03.07(00:33)
glow
Да можно, конечно.

_________________
Наука – это несомненное сумасшествие, занятое классификацией своих собственных галлюцинаций. Поэтому не удивительно, что люди науки отвергают исследования, которые считают чужими галлюцинациями. Амиель



[ 1 | 2 | 3 | 4 | 5 ] [>
У Вас нет прав отвечать в этой теме.
Форум - Резонансные генераторы - Прочие резонансные генераторы - Зарядка конденсатора от колебательного контура... - Стр 1
🏠 Главная | 📚 Содержание | 💬 Форум | 📁 Файлы | 📩 Контакт