[ВХОД]
17.04.26(11:13)

skif.biz

Альтернативная энергия. Оставь надежду, всяк сюда входящий...

🏠 Главная | 📚 Содержание | 💬 Форум | 📁 Файлы | 📩 Контакт
 
Резонансные генераторы
Магнитные генераторы
Механические центробежные (вихревые) генераторы
Электростатические генераторы
Водородные генераторы
Ветро- и гидро- и солнечные генераторы
Прочие идеи (разные)
О форуме
Транспорт
Оружие
Научные идеи, теории, предположения...
Экономия топлива
Коммерческие вопросы
Струйные технологии
Торсионные генераторы
Новые технологии
Барахолка
Патентный отдел
Конструкторское бюро
Нейтронная физика
Торнадо и смерчи
Гравитация и антигравитация
Сделай сам. Советы.
Медицина и здравоохранение

📱 | 🖨️

Форум - Барахолка - Спрос - кто о чём, а я про баньку :-) - Стр:1
[ 1 | 2 ] [>
Модератор: Баньщик
Баньщик | Post:60264 - Date: 03.03.07(10:25)
Доброго здравия, чистоты душевной и телесной всем желаю!
В моем селе ок. 1000 жителей. Большинство пенсионеров. Была у нас общественная баня, закрыли, т.к. не выгодно ЖКХ, не окупаются затраты.
Вот у меня вопрос, есть ли какие конструкторские решения, позволяющие существенно снизить расходы дров на разогрев парной и каменки, а так же котла греющего воду для мытья? Емкость бака для воды 6 куб.м.
Сейчас на прогрев до рабочей температуры каменки расходуется 3 куб.м. дров. На котел 2 куб.м. дров, на отопление помещений - 3 печки, 1 куб.м. Это расход дров на один рабочий день бани. Дрова стоят 400 рублей 1 куб.м. пользуются баней в среднем 20 человек. Стоимость услуги 60 рублей - по корману только пенсионерам. Для остальных не реальная цена, нет заработков.
Есть электричество, возможно три фазы 380 в. подвести.
Спасибо.

_________________
реальность для всх одна, отличаемся мы друг от друга только восприятием этой реальности.


bolt | Post:60326 - Date: 03.03.07(22:54)
Изучай

[ссылка]

[ссылка]

[ссылка]

[ссылка]

[ссылка]
[ссылка]
Там много чего

_________________
Трахаю и тибедохаю. Старик Хотабыч.


GRN | Post:60327 - Date: 03.03.07(23:22)
Баньщик,

Раз прибедняешься, то мозгами пошевели. Только магнитный и электричкский расчеты грамотными должны быть. В литературе есть все для этого. Рисунки в обратной последовательности выстроились - не повините.
В частности расчет нужно делать с этим
[ссылка]
и с этим
[ссылка] .zip
e1e542.gif52bf82.gif
Ну и еще с большим рядом пособий для расчета магнитных и электрических цепей. В производстве подобных устройств нет. Акойл "пыжится", но ??? Хотя в средненькой, да даже "захудалой" мастерской изготовить подобную конструкцию реально. Только прежде пройдите весь цикл разработки рабочей документации (или ГОСТы почитайте хотя бы). И уже по ней работайте. Иначе - "Счастья не видать".


Немного слов
Размер: 21.46 KB
Характеристика Мю
Характеристика Мю
Размер: 18.69 KB

Схема намотки и соединений
Размер: 27.63 KB

_________________
Умер 22.09.2007 от остановки сердца.


Баньщик | Post:60343 - Date: 04.03.07(02:21)
bolt Пост: 60326 От 03.Mar.2007 (22:54)
Изучай

[ссылка]

[ссылка]

[ссылка]

[ссылка]

[ссылка]
[ссылка]
Там много чего

спасибо, изучаю 😀

_________________
реальность для всх одна, отличаемся мы друг от друга только восприятием этой реальности.


Баньщик | Post:60344 - Date: 04.03.07(02:23)
ссылки не работают...

_________________
реальность для всх одна, отличаемся мы друг от друга только восприятием этой реальности.


GRN | Post:60471 - Date: 05.03.07(09:07)
Баньщик,

Работают. Только копируй их в адресное поле новой вкладки и Enter жми.
Но там одни печки, в основном кирпичные.
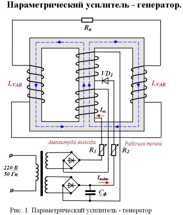
Даю принцип действия параметрического усилителя. У меня электрическое управление параметром Мю с очень широким изменением значения индуктивности.new-1.GIFnew-2.GIFnew-3.GIFnew-4.GIFnew-5.GIFnew-6.GIFnew-7.GIF
1
1
Размер: 23.21 KB
2
2
Размер: 25.81 KB


Размер: 20.17 KB
4
4
Размер: 27.70 KB
5
5
Размер: 32.99 KB
6
6
Размер: 26.34 KB
7
7
Размер: 27.07 KB

_________________
Умер 22.09.2007 от остановки сердца.


Carn | Post:60480 - Date: 05.03.07(14:11)
По поводу экономии дров. Недавно откуда-то сливал инфу, что печь, внутри обложенная известняком, дает на выходе в 1,5 раза больше тепла. Эта информация несколько раз подтверждалась и опровергалась совецкой наукой (ну не может килограмм угля выдать больше калорий, чем это рассчитано современной наукой!). Даже в присутствии катализатора, для горения которой являецца известнык. В Германии тем не менее был выдан патент, в котором катализатором избыточного горения являюца частицы метелла, которые потом отфильтровывают в вытяжной трубе и используют повторно. В заключении статьи говорилось о том, что не смотря на недоказанность и противоречия с современной найкой, пиндосы строят печь на основе этого принципа.
Если интересно, постараюсь найти статью в своих залежах. Правда, прямо сегодня-завтра не гарантирую.

_________________
Из Шамбалы лохом никто не возвращался


FreeMen | Post:60518 - Date: 05.03.07(16:25)
Ну а самая экономная идея, те 20 чел которые хотят париться, садяться на "велотренажоры" и крутят генератор, энергия идёт на разогрев воды. 🤢

_________________
Баланс!...


GRN | Post:60558 - Date: 05.03.07(21:40)
Банщик!
Пост: 60518 От 05.Mar.2007 (16:25)
Ну а самая экономная идея, те 20 чел которые хотят париться, садяться на "велотренажоры" и крутят генератор, энергия идёт на разогрев воды. 🤢


Самое, то, что уйти от решения задачи! Для этого делается все!!! Замалчивание! Ссылки на известные темы и сайты! Лишь бы не выйти на реалии.
Жгите дрова! И пусть у Вас в деревне все пенсионеры пахнут бомжамии. Потому, что все здесь этого хотят. Они живут в отдельных квартирах. И И... имеют. А Вы дурни? Куды со свиным рылом, да в "калашный ряд" претесь? Тута Эфиром занимаются!!! Ваша баня никого здесь не интересует!!! Покрасоваться только ссылками!!! И, то, тему "опускают" по полной программе. Где уж, нам уж.


_________________
Умер 22.09.2007 от остановки сердца.


MSN | Post:60571 - Date: 05.03.07(23:14)
Баньщик,- поясняю, GRN предлагает Вам не "парится" с разными там булеранами, а по быстрячку собрать сверхеденичный генератор, можно и его конструкции и запитать от него ваш водогрейный котел. Спрашиваете как? Элементарно Ватсон, если найдете правильные слова,- он вам подскажет как.

_________________
Говорите говорите, я всегда зеваю когда мне интересно. 99,9% всех СЕ устройств, - от неправильных измерений


vgm | Post:60582 - Date: 06.03.07(03:36)
GRN. Я тоже про баньку! Зачем лично Вам ВД? Мне для того чтобы жить по человечески, и дома тепло и в баньке помыца! Я хочу жить в доме и живу в нем уже год, но я не хочу жить в кочегаке! Банька и ВД не разрывны! Человек должен жить отдельно, в прошлом году я бросил шикарную кватиру и удрал в дом! С уважением.

GRN | Post:60587 - Date: 06.03.07(05:42)
MSN,

Я Вас убедительно прошу: "Не ходите за мной по пятам. У меня только проблемы от Вашего пристального внимания. Мой организм не способен нейтрализовать такое количество яда. Мат может "прорваться", со всеми вытекющими из этого последствиями. Если Вы этого добиваетесь, то пусть Админ выделит нам ринг. Иначе бесправный пользователь против MSNа в Форуме - это очень не равно".

vgm,

GRN. Я тоже про баньку! Зачем лично Вам ВД? Мне для того чтобы жить по человечески, и дома тепло и в баньке помыца! Я хочу жить в доме и живу в нем уже год, но я не хочу жить в кочегаке! Банька и ВД не разрывны! Человек должен жить отдельно, в прошлом году я бросил шикарную кватиру и удрал в дом! С уважением.


Откуда столько сарказма? Почему Вы считаете, что все так плохо? Ведь на самом деле работа трансформатора на "падающей" ветви характеристики Мю не мной описана, а Марковым!!! Только он не смог дать сколь, нибудь путевое объяснение работы трансформатора в режиме полного насыщения. Однако он провел очень серьезные исследования и сделал выводы, которых м.б. сам испугался, и не стал их развивать далее.
Вы же можете хихикать хоть до икоты, однако сути физических процессов это не изменит. Я уже неоднократно говорил по шаманские штучки. "Железо уговорить невозможно"!!!
Можно только разрисовав, свое лицо колотить в "БУБЕН", одновременно подпрыгивая и ухая. Однако график, который приведен мной опубликовал профессор Миткевич в 1933 г. Тогда за вранье ... мало не покажется!
И не ВД это все, что я публикую, а объективная реальность.
Если она, объективная реальность, не укладывается в Ваши и иные безумные идеологические измышления, то я, лично, здесь абсолютно не при делах.
Поэтому, убедительно Вас прошу аппелировать к "железу", может быть Вам и удастся его уговорить делать, то, что Вам хочется видеть. Однако опять придется применять шаманские штучки. Хлопотно - это! И не эффективно.

ПОМЫЦА, это хорошо помыться это еще лучше.

_________________
Умер 22.09.2007 от остановки сердца.


vgm | Post:60589 - Date: 06.03.07(06:04)
GRM.И я удосужился получить от Вас! Сарказм мне не свойственен, про транс. и Мю я даже не упоминал! Простите великодушно!

GRN | Post:60594 - Date: 06.03.07(07:44)
vgm,

Где я лично от себя упоминал ВД???

_________________
Умер 22.09.2007 от остановки сердца.


vgm | Post:60602 - Date: 06.03.07(09:01)
GRN Пост: 60594 От 06.Mar.2007 (07:44)
vgm,

Где я лично от себя упоминал ВД???
Все надоело!

GRN | Post:60620 - Date: 06.03.07(10:22)
vgm Пост: 60602 От 06.Mar.2007 (09:01)
GRN Пост: 60594 От 06.Mar.2007 (07:44)
vgm,

Где я лично от себя упоминал ВД???
Все надоело!


Да без проблем.

_________________
Умер 22.09.2007 от остановки сердца.


Баньщик | Post:60623 - Date: 06.03.07(10:45)
GRN Пост: 60471 От 05.Mar.2007 (09:07)
Баньщик,

Работают. Только копируй их в адресное поле новой вкладки и Enter жми.
Но там одни печки, в основном кирпичные.
Даю принцип действия параметрического усилителя. У меня электрическое управление параметром Мю с очень широким изменением значения индуктивности.

Все так и сделал с сылками, как вы писали...в первом случае браузер пишет "невозможно отобразить страницу", а ZIP не скачивается...не понимаю причины - я пользователь без опыта.
По поводу параметрического усилителя - мне непонятно как можно использовать его... - воду греть им можно?
Извините - туплю, нет соответсвующего образования.

_________________
реальность для всх одна, отличаемся мы друг от друга только восприятием этой реальности.


Баньщик | Post:60625 - Date: 06.03.07(10:50)
Carn Пост: 60480 От 05.Mar.2007 (14:11)
По поводу экономии дров. Недавно откуда-то сливал инфу, что печь, внутри обложенная известняком, дает на выходе в 1,5 раза больше тепла.
........
Если интересно, постараюсь найти статью в своих залежах. Правда, прямо сегодня-завтра не гарантирую.

очень любопытно...попробую...интересно все, что как то связано с экономией энергоресурсов. Спасибо !

_________________
реальность для всх одна, отличаемся мы друг от друга только восприятием этой реальности.


GRN | Post:60632 - Date: 06.03.07(11:19)
Баньщик Пост: 60623 От 06.Mar.2007 (10:45)
GRN Пост: 60471 От 05.Mar.2007 (09:07)
Баньщик,

Работают. Только копируй их в адресное поле новой вкладки и Enter жми.
Но там одни печки, в основном кирпичные.
Даю принцип действия параметрического усилителя. У меня электрическое управление параметром Мю с очень широким изменением значения индуктивности.

Все так и сделал с сылками, как вы писали...в первом случае браузер пишет "невозможно отобразить страницу", а ZIP не скачивается...не понимаю причины - я пользователь без опыта.
По поводу параметрического усилителя - мне непонятно как можно использовать его... - воду греть им можно?
Извините - туплю, нет соответсвующего образования.


Сам такой был. Копируй без пробелов! Убедись! Что адрес в новой странице соответствует тому, который указан. Тогда все получится. Лучше все это, для начала, делать через Word. Туда-сюда операция пустячная. Копировать-вставить. Enter - ну тут уж "сам бог велел".

Так если есть электричество, оно может греть воду и камни, ТЭНы водяные и сухие бывают. Так, что проблем не должно возникнуть. Учитывать следует только "сжигание" кислорода в помещении, да сохранение оболоччки сухих ТЭНов от попадания воды на "поддаче"!!!

Банщики пока еще не придумали, или никогда не думали о комфорте в бане (сауне). Однако есть очень неплохие решения и для этой задачи. Пенсионеров берегите! Им кислород в жаре нужен больше, чем сама жара!!! За хороший воздух в парилке заплатят Вам в "вдвое", а может и "втрое" против обычного. Даже "сердечники" смогут воспользоваться Вашими услугами.
Успехов. Все очень просто.

_________________
Умер 22.09.2007 от остановки сердца.


Andr | Post:60769 - Date: 06.03.07(22:44)
Простой переход с дров на электроэнергию. конечно, никакой экономии не даст.
Это можно сказать сразу даже не вдаваясь в арифметику.

А вот подумать о экономии вообще, возможно и имеет смысл + немножко подумать о ценообразовании.

Греть на 20челов 6 тонн воды 😀
Вполне уместно поставить приличный электрический котел на 1куб, а, возможно, просто проточный, сколько надо воды столько и нагрели.
Парилка -разговор отдельный, можно оставить как есть, а можно рассмотреть вариант GRN.

НО ГЛАВНОЕ, это подумать о увеличении количества челов, т.е, возможно, снижение стоимости билетов 1,5-2 раза решит ваши проблемы и так, если баню будут посещать не 20, а 120 человек.
Успехов!

P/s
Бак с водой можно греть от трубы пропущенной через топлевник каменки. У моего тестя такой вариант работает. Расход дров в целом снизится, если еще и воды брать 1куб. то и подавно. Доработка небольшая и при грамотном подходе можно оставить возможност топить и топку бака, т.е. этакий универсальный вариант получится. и сделать несложн.

Баньщик | Post:61633 - Date: 14.03.07(04:41)
Спасибо всем за участие! На данный момент что либо переделывать в существующей бане, что влечет денежные затраты, нет возможности. Каменку в парилке переложить реально и необходимо. Она сложена так, что греет не только каменку, а и улицу. Так что с этого и начну 😀

_________________
реальность для всх одна, отличаемся мы друг от друга только восприятием этой реальности.


Carn | Post:61635 - Date: 14.03.07(05:26)
Баньщик, прошу прощения что сразу не выложил материал. Его пришлось искать по новому в инете. Итак...

Полуторавековой парадокс

В 1820 году в Петербуге вышла небольшая книжка с длинным названием "Краткое описание изобретенного В.Конгревом нового способа уменьшения наполовину количества сгораемого угля при нагревании котлов и других заводских употреблений с истреблением при этом дыма". Написал эту книгу начальник военно-научного комитета Генерального штаба генерал-майор Гогель, который в своем изложении уделил особенное внимание необычному методу сжигания угля, предложенному Конгревом.
Английский изобретатель предлагал над слоем горящего угля установить решетку с нанесенным на нее слоем известняка (мела). Уголь сгорал в слое, после чего продукты сгорания проходили через известняк, разлагая его на известь и углекислый газ, потом через стенки котла передавали свое тепло воде и выбрасывались через трубу. Конгрев утверждал, что применение этого простого устройства даст отличный результат: снизит расход угля на производство пара почти в три раза!
Посулы изобретателя не были приняты на веру. Его изобретение проверили в Англии при выдачи патента. Проверили их и в России при покупке лицензии военным ведомством. Проверку в 1818 году проводил лично генерал-майор Гогель, который в своей книге привел следующие результаты:
При испытании в котле 104 ведер воды без использования известняка было сожжено 126 английских фунтов угля; При испарении в котле 92,5 ведер воды с использованием известняка было сожжено 42 английских фунтов угля и превращено в известь 126 фунтов известняка; если нет надобности в получении извести, то порция известняка равная одной седьмой от расхода топлива может служить в течении месяца.
Судя по публикациям полуторавековой давности, сжигание угля с известняком в топках котлов применялось тогда достаточно широко, а его преимущества были подтверждены многократными экспериментами и считались общеизвестными (см. например: Ф.Чижов "Паровые машины - история, описания и приложения их..." Спб, 1833 с.100). Но по прошествии некоторого времени идея Конгрева была почему-то забыта, хотя казалось, бы в пользу ее практической ценности говорит 2-3 кратная экономия угля.
Сейчас, когда на повестку дня остро поставлена проблема сбережения энергоресурсов, следовало бы разобраться в этом интересном и отчасти таинственном опыте. Но увы, все попытки заинтересовать специалистов сжиганием угля с известняком - способом, который некогда широко применялся в практике и был незаслужено забыт,- не увенчались успехом.
Одна из моих статей по этому поводу была направленна на заключение члену-корреспонденту АН СССР Г.Кружилину. Первый его ответ гласил :"Противоречит законам - см. учебник Глинки". Когда же редакция "Техника и наука" указала ему, что опытные факты ссылками на учебник не опровергаются и попросила дать более аргументированное заключение, то спустя несколько месяцев было получено следующее: "Все приведенные факты и ссылки верны, но это ничего не доказывает, так как трудно перевести старые меры в современные". По существу, член-корреспондент АН СССР Г.Кружилин уклонился от обсуждения опытных данных.
Спустя некоторое время я обратился с этим вопросом к ректору Московского химико-технологического института им. Д.И.Менделеева, который поручил рассмотреть этот вопрос заведующему кафедрой химии углерода профессору С.Федосееву. С профессором я встретился и беседовал три раза и передал ему копии соответствующих ссылок. Примерно через 4-5 месяцев я получил ответ (устный): "Я проверил все представленные вами материалы. Все правильно, но я ничего не понимаю". От дальнейшего обсуждения опытных фактов профессор уклонился.
Обращался я и в ГКНТ СССР, который направил предложение специалистам ЦКТИ им.И.И.Ползунова :" 1кг условного топлива содержит 7000 килокалорий и больше взять негде - таково было их заключение".
Желая привлечь к этому вопросу внимание, я направил статью в адрес отдела науки журнала "смена", который направил ее не отзыв в два различных НИИ - НИИ катализа СО АН СССР и НИИ электрохимии им. А.М.Фрумкина.
Первые поступили весьма оригинально - статью потеряли, стало быть, их мнение для меня остается тайной. От НИИ электрохимии поступил ответ за подписью старшего научного сотрудника А.Скундина, который подтвердил справедливость вывода член-корреспондента Г.Кружилина и от себя добавил, что увеличить полезно используемую часть внутренней энергии углерода принципиально нельзя - сие, дескать, противоречит законам природы.
Обращался я также к академику М.Стариковичу, спустя примерно полгода, при встрече, он мне сказал: "Я считаю старый промышленный опыт ошибочным, и вряд ли целесообразно искать что-то в этом направлении".
Затем я обратился к академику В.Ржевскому. Спустя месяцев семь-восемь он меня принял. Его мнение: "Я не могу оспаривать достоверность приведенного опытного факта, скорее всего так и было, но ваше теоретическое объяснение эффекта на основе каталитического влияния известняка со ссылкой на физику электронных ламп считаю ошибочным: по-моему, здесь все дело в химии кальция.
В 1985 году я направил это предложение в адрес минуглепрома СССР, оно было передано на заключение специалистам Института горючих ископаемых. В январе 1986 года состоялось обсуждение специалисты ИГИ ( заместитель директора по науке доктор геолого-минералогических наук И.Еремин, доктор технических наук М.Шпирт, кандидат технических наук А.Фитягин и другие ) пришли к выводу: "Изучением сжигания угля в слоях с минеральными добавками широко занимались в 30-х и 50-х годах - сейчас этим вновь начинают заниматься, но никто не заметил никакого увеличения теплоты, получаемой при сгорании углей, а стало, быть старый опыт был ошибочным (опечатки, искажения и прочее), и его следует отнести к числу исторических казусов, и нет ни малейшей нужды тратить силы и средства на его проверку".
Казалось бы, вопрос исчерпан и говорить не о чем. Но вот уже современный факт. В 1966 было выдано авторское свидетельство № 181047 на способ сжигания угля, в несколько раз повышающее эффективность его использования. Суть способа заключается в том, что уголь сжигают совместно с частицами металла (чугуна, железа, меди, алюминия). Согласно авторскому свидетельству металл не расходуется и после отмыва золы может быть использован повторно. Профессор С.Фидосеев и специалисты из ИГИ отнесли эффект повышения эффективности использования угля в данном случае за счет окисления металлов, а их повторное использование не возможным. Значит эксперты госкомизобретения, выдавая авторское свидетельство, допустили ошибку -предположим это, но рассмотрим еще один современный факт.
В книге Ф.Бромберга "Научно-технический прогресс и развитие электроэнергетики основных капиталистических стран", выпущенном издательством наука в 1983 году, сообщается "Американские фирмы разрабатывают... проекты угольных ТЭС со сжиганием угля в ваннах из ожиженного известняка или доломита. Такая схема способна обеспечить более полное сгорание топлива и повысит КПД станций до уровня 45-46% и более."
Вдумаемся в эти цифры. Средний КПД современных станций - 33-35%. Чтобы повысить его на 10-13%, то есть довести до 45-46%, требуется увеличить КПД котлов на 24-31%, а их экономичность уже сегодня уже чрезвычайно высока - 92-93%. Следовательно, столь высокий КПД ТЭС невозможно списать на одно только более полное сгорание топлива в ваннах из ожиженного известняка. Значит сжигание угля с известняком таит в себе какие до конца не выясненные стороны.
Заинтересовавшись эти вопросом я проанализировал энергетические балансы ряда промышленных процессов, в которых продукты сгорания проходят, как и в котле Конгерева, через слой известняка - доменный процесс, получения электрочугуна, сухой способ производства цемента. И что же оказалось, что во всех этих энергия на входе в 1,5-2 раза превышает энергию на входе. Получается, будто происходит нарушение закона сохранения энергии, и это сразу отбивает охоту у современных специалистов вникать в существо дела.
В самом деле - на производство 1 кг цемента сухим способом, расходуется 140 кг условного топлива, или 9,8*105 ккал. Сырьем для цемента является 75% известняк, 25% - оксида кремния, двуокись алюминия, двуокись железа. Используя данные химической термодинамики нетрудно рассчитать, что с учетом теплосодержания расплава и потерь тепла, необходимые затраты энергии на этот процесс должны составлять 12,8*105 ккал - это в 1,3 раза больше, чем подводится (в расчете для простоты принято, что все добавки состоят из двуокиси кремния и что его восстанавливается лишь 50%).
Думается, дело стоит того, чтобы затратить некоторые средства и силы на окончательное установление фактов. И если они подтвердятся, следует приступить к практическому использованию идеи даже в том случае, если теория еще не в состоянии ее объяснить. Вспомним, что паровые машины начали успешно работать задолго до того как появились теоретические основы теплотехники. Самолеты поднялись в воздух до создания теории подъемной силы крыла, история техники изобилует примерами, когда практика обгоняла теорию. Может быть так будет и в этот раз!
http://energy.org.ru/modules.php?name=Sections&op=printpage&artid=88



Кроме того, рекомендую посмотреть еще эту ссылку: эту ссылку
В частности, меня заинтересовала следующая фраза: "Вспомнил я также и непонятный случай из собственной жизни. После войны мы топили печь каменным углем. И вот, чтобы увеличить калорийность топлива, мой отчим время от времени заливал горящий уголь… водой! Этот прием он перенял у французов и немцев, у которых был в плену в Первую мировую…".

Из чего следует желаение объединить эти два процесса - поливать уголь известковой водой. Но естесственно, все это теория, вразумительный ответ может дать только практика. По крайней мере, летом, когда буду перекладывать каменку в бане на даче, хочу обложить ее известняком.

_________________
Из Шамбалы лохом никто не возвращался


Баньщик | Post:61790 - Date: 14.03.07(19:19)
очень любопытная информация, это Вы меня простите - пришлось потратить на меня время, большое Вам спасибо!

_________________
реальность для всх одна, отличаемся мы друг от друга только восприятием этой реальности.


GRN | Post:61792 - Date: 14.03.07(19:22)
Баньщик Пост: 61790 От 14.Mar.2007 (19:19)
очень любопытная информация, это Вы меня простите - пришлось потратить на меня время, большое Вам спасибо!


Очень интересная тема и очень многих касается "покопать" ее так польза будет, а не только расходы на трафик. Здесь люди живут!

_________________
Умер 22.09.2007 от остановки сердца.


Carn | Post:142251 - Date: 19.11.08(11:54)
Сегодня нашел уточнение по теме увеличения тепла при сжигании. По части электрической изоляции. Авось кому понадобицца:

В 1818 году военное ведомство России приобрело английский патент (автор его - Конгрев) на способ сжигания угля в присутствии известняка. Для нагрева в этих условиях одной тонны воды до кипения требовалось в три раза меньше угля. Необходимое количество известняка, находившегося на специальной колосниковой решётке выше горящего угля, составляло от 1/7 до 7/7 (от веса садки угля), причём это количество известняка служило до нескольких сотен часов, затем заменялось на новое. В советское время в СССР пытались снова применить этот способ, но почему-то не получили такого большого дополнительного теплового эффекта, поэтому интерес к этому способу быстро угас. Хотя было известно, что в то время, когда на улицах городов Европы применялись для освещения газовые фонари, существовал способ существенно усилить их свет в видимом диапазоне спектра. Для этого фонарщики помещали, с помощью специально подобранного крепления, в верхнюю часть газового пламени, пластинку из речной ракушки.
Эта пластинка раскалялась добела, что и обеспечивало приемлемое уличное освещение, близкое по своему спектральному составу к солнечному свету.
Мы предположили, что причиной неудач в советское время было особое "Ноу-Хау" способа Конгрева. Рассуждения были основаны на аналогиях с другими процессами.
Так, нержавеющая сталь 20Х13 при охлаждении на воздухе с температуры закалки сильно упрочняется, так как имеет резко сдвинутую вправо TTT-диаграмму (С-образную диаграмму). Если специально позаботиться о минимальной утечке слабого электротока с изделия на Землю, то после выдержки при температуре 1150 град.Ц и охлаждения на воздухе сталь, как говорят технологи, "не примет закалку" <такого сильного прироста твёрдости у мягкой (в состоянии поставки) стали не будет>. Поместив образец упрочнённой при нормальной закалке стали в разогретую до 1250 град.Ц электропечь, предварительно отключенную после набора температуры от электросети и от заземления, можно пронаблюдать, как этот образец будет постепенно нагреваться и приобретать цвет рабочего пространства раскалённой электропечи. Далее, хорошо визуально видно, что образец раскаляется сильнее, чем рабочее пространство печи. После этого эффекта и охлаждения на воздухе растёт диаметр Бринеллевского отпечатка, то есть твёрдость уменьшается. Мы объясняем это тем, что происходит распад псевдомезоатомов гамма-твёрдого раствора стали при температурах гораздо выше полиморфного превращения.
Аналогичное явление наблюдается для титана и его сплавов. То есть речь идёт о влиянии физического вакуума (с его виртуальными частицами) на свойства металлов.
Значит "Ноу-Хау" Конгрева и Европейских фонарьщиков было то условие, что кусочки известняка должны нагреваться с применением очень хороших огнеупоров <для крепления колосниковой решётки у Когрева и пластинок у Европейских фонарьщиков>. Но им тогда было невдомёк, что ключевым при этом является высокое электросопротивление этих огнеупоров при больших температурах, задерживающее приток электронов с Земли в процессе распада возникших ранее псевдомезоатомов. Подобные процессы протекают в сталях, титановых и алюминиевых сплавах. Возможны они и в соединениях кальция <тем более, что самый распространённый изотоп кальция - это кальций 40, ядро которого содержит десять альфа-частиц и не обладает магнитными свойствами, поэтому также, как и гелий 4, кальций 40 не даёт "закручивания" эфирной кристаллической Решётки, а значит, облегчается виртуализация большого количества пар кварк-антикварк, и среди них найдутся такие, что Фейнмановская диаграмма их будет благоприятной для "сохранения во времени" за счёт возникновения временных глюонных связей>.
В научно-исследовательском обществе НИСО "Эфир" были поставлены опыты по сжиганию паров бензина. Кусочки мела помещались в стальную трубу, электрически изолированную от Земли. Путём подбора расстояния между паяльной лампой и мелками, можно было добиться такого положения, что мелки раскалялись добела, отдавая тепло трубе.
В другом опыте струя горячих газов направлялась в керамическую трубу муфельной электропечи, в которую загружались кусочки мела. Печь разогревалась до 900 град. Цельсия, затем отключалась от сети и от заземления. Навеска мела разогревалась затем газами паяльной лампы, причём разогретый мел положительно заряжался относительно Земли до потенциала 1,2 вольта, а в искусственно введённом сопротивлении утечки 18000 Ом ток достигал 75 мкА.
Можно сказать, что в первом опыте разогрев мелков был существенно более сильным, тогда как во втором опыте с помощью платина-платинородиевой термопары было определено, что температура мелков достигла лишь 1150 град. Цельсия.
Вместо паров бензина может сгорать природный газ, который будет заменять уголь.
В предыдущем посте упоминалось о теплотехнической системе, основанной на сгорании газового топлива и использовании тепловой энергии для приведения во вращение фреоновой турбины, вращающей электрогенератор на объекте. Следовательно, если камеру сгорания оснастить специальными, периодически заменяемыми насадками, то можно за счёт их дополнительного разогрева получить некоторое увеличение теплового КПД системы.
Аналогичное решение возможно и для тепловой электростанции или теплоэнергоцентрали, дающей горячую воду для отопления зданий в зимнее время.

_________________
Из Шамбалы лохом никто не возвращался


[ 1 | 2 ] [>
У Вас нет прав отвечать в этой теме.
Форум - Барахолка - Спрос - кто о чём, а я про баньку :-) - Стр 1
🏠 Главная | 📚 Содержание | 💬 Форум | 📁 Файлы | 📩 Контакт