[ВХОД]
16.05.26(10:32)

skif.biz

Альтернативная энергия. Оставь надежду, всяк сюда входящий...

🏠 Главная | 📚 Содержание | 💬 Форум | 📁 Файлы | 📩 Контакт
 
Резонансные генераторы
Магнитные генераторы
Механические центробежные (вихревые) генераторы
Электростатические генераторы
Водородные генераторы
Ветро- и гидро- и солнечные генераторы
Прочие идеи (разные)
О форуме
Транспорт
Оружие
Научные идеи, теории, предположения...
Экономия топлива
Коммерческие вопросы
Струйные технологии
Торсионные генераторы
Новые технологии
Барахолка
Патентный отдел
Конструкторское бюро
Нейтронная физика
Торнадо и смерчи
Гравитация и антигравитация
Сделай сам. Советы.
Медицина и здравоохранение

📱 | 🖨️

Форум - Прочие идеи (разные) - Схемотехника - индуктивность рассеяния вторичной обмотки - Стр:1
[ 1 | 2 ] [>
Модератор: wnur08
wnur08 | Post:651827 - Date: 28.11.19(21:08)
Идея в том , что по теории трансформатора индуктивность рассеяния вторичной обмотки не влияет на основной магнитный поток , то есть не уменьшает его . Из этой теории мы знаем весь магнитный поток вторичной обмотки , то есть поток рассеяния плюс магнитный поток вторички который учавствует во влиянии на основной , зависит от нагрузки . Значит часть нагрузки не влияет на потребление трансформатора.

wnur08 | Post:651829 - Date: 28.11.19(21:09)
Я думаю сделать резонансный трансформатор с большой индуктивностью рассеяния.

zimnyaya | Post:651837 - Date: 28.11.19(21:52)
wnur08 Пост: 651829 От 28.Nov.2019 (21:09)
Я думаю сделать резонансный трансформатор с большой индуктивностью рассеяния.

Может проще взять готовый трансформатор?
Включите его, положите рядом с ним съемную катушку, и получится ваш трансформатор с большой индуктивностью рассеивания

_________________
Желудь-теоретик знает, как вырасти в дуб (c) Кнышев


matros | Post:652830 - Date: 04.12.19(11:47)
Посмотри как у СССРовских сварочников индуктивность рассеяния регулировалась, сближением и отдалением обмоток , т.е максимальная индуктивность у обмотки при достаточной связи будет если первичку и вторичку расположить рядом на магнитопроводе, если еще зазор побольше то индуктивность первички меняется не в очень больших приделах. В такой системе по мимо трансформации происходит одновременно и накопление энергии процессы идут параллельно т.е энергия во вторичке и энергия в первичке это 2 разные энергии в такой схеме а тратимся на одну. Только почемуто энергию накопленную в индуктивности первички в таких конструкциях никто не использует?

_________________
Бессмыслица — искать решение, если оно и так есть. Речь идёт о том, как поступить с задачей, которая решения не имеет.(АиБ)


Ingener | Post:652907 - Date: 04.12.19(19:49)
Вроде бы индуктивность рассеяния трансформатора определяет степень связи обмоток через магнитный поток, т.е. часть потока вследствие геометрических особенностей не будет взаимодействовать со вторичкой. С этого вряд ли можно что-то поиметь. Разве что вредные для силовых ключей выбросы паразитной ЭДС, с которой всячески борются.

mebius | Post:652908 - Date: 04.12.19(19:58)
wnur08 Пост: 651827 От 28.Nov.2019 (21:08)
Значит часть нагрузки не влияет на потребление трансформатора.

Это ошибочное суждение, ибо энергия, содержащаяся в индуктивности рассеяния вторичной обмотке, ака и вся энергия вторичной цепи, взята исключительно из энергии первичного контура.
Индуктивность рассеяния обычно является паразитным фактором. Ее можно частично компенсировать, но рассчитывать на халяву тут нет оснований.

_________________
Всегда нужно быть готовым к тому, что убеждения, которых придерживался в течении долгого времени, могут оказаться ошибочными\\\". П.А.М. Дирак


Vladimir37 | Post:652916 - Date: 04.12.19(22:02)
А если сделать вторичную обмотку по диаметру в несколько раз больше чем обычно делают, на ту часть витков что далеко от магнитопровода, влияние будет меньше.

Ingener | Post:652918 - Date: 04.12.19(22:16)
Полностью убрать влияние вторичной обмотки на первичную можно. Для этого нужно всего лишь обкспечить расстояние между ними....больше, чем длина волны для частоты работы трансформатора 😕

detector | Post:652920 - Date: 04.12.19(22:21)
Ingener Пост: 652918 От 04.Dec.2019 (22:16)
Полностью убрать влияние вторичной обмотки на первичную можно. Для этого нужно всего лишь обкспечить расстояние между ними....больше, чем длина волны для частоты работы трансформатора 😕

А зачем тогда вторичка вообще? Каково её назначение,если изначально она будет удалена от первички?😶

Vladimir37 | Post:652922 - Date: 04.12.19(22:31)
Как то так хочется ?


Не получается , наверное ссылка устарела.

detector | Post:652923 - Date: 04.12.19(22:39)
Vladimir37
Не открывается. Дайте,пожалуйста, ссылку на видео.

Ingener | Post:652924 - Date: 04.12.19(22:53)
detector Пост: 652920 От 04.Dec.2019 (22:21)
А зачем тогда вторичка вообще? Каково её назначение,если изначально она будет удалена от первички?😶

Как зачем? Собирать энергию, излученную первичкой. Как радиоприемники собирают энергию антенны радиостанции. Только крохотную ее часть. А вот если обеспечить сбор всей излученной энергии, то фактически получится трансформатор без обратного влияния.

detector | Post:652925 - Date: 04.12.19(22:57)
Ingener Пост: 652924 От 04.Dec.2019 (22:53)
detector Пост: 652920 От 04.Dec.2019 (22:21)
А зачем тогда вторичка вообще? Каково её назначение,если изначально она будет удалена от первички?😶

Как зачем? Собирать энергию, излученную первичкой. Как радиоприемники собирают энергию антенны радиостанции. Только крохотную ее часть. А вот если обеспечить сбор всей излученной энергии, то фактически получится трансформатор без обратного влияния.

Дружище! И что же ты сможешь снять с такой вторички? Ток интересует,в первую очередь.

tokar_ev | Post:652934 - Date: 05.12.19(07:48)
Ingener Пост: 652918 От 04.Dec.2019 (22:16)
Полностью убрать влияние вторичной обмотки на первичную можно...

По следам трансформатора Маркова - однонаправленный трансформатор - [ссылка]
"...Трансформатор, доработанный для решения этой задачи, изображен на фиг.1 с различными типами магнитопроводов: a - стержневой, b - броневой, с - на ферритовых чашках. Все проводники первичной обмотки 1 находятся только с внешней стороны магнитопровода 2. Его участок внутри вторичной обмотки 3 всегда замкнут огибающей магнитной цепью.

В штатном режиме при подаче переменного напряжения на первичную обмотку 1 весь магнитопровод 2 намагничивается вдоль ее оси. Примерно половина потока магнитной индукции проходит через вторичную обмотку 3, вызывая на ней выходное напряжение. При обратном включении переменное напряжение подается на обмотку 3. Внутри нее возникает магнитное поле, которое замыкается огибающей ветвью магнитопровода 2. В итоге, изменение суммарного потока магнитной индукции через обмотку 1, опоясывающую весь магнитопровод, определяется только слабым рассеянием за его пределы..."

Влияние вторички на первичку легко устраняется так: броневой ферритовый сердечник из двух чашек со вторичкой(2) внутри перемагничивать обмоткой (1) продетой в отверстие для крепёжной шпильки, стягивающей две чашки. Обмотка (1) легко насыщает замкнутый без зазора феррит каждой чашки, а обмотка (2) внутри броневика меняет индуктивность. С подключенным конденсатором ко вторичке получается параметрический резонанс. Между чашками можно создать зазор, который не повлияет на насыщение феррита первичкой, но току вторички не даст влиять на феррит. Таких броневиков можно посадить несколько последовательно на провод первички.
Первичку запитать от источника через конденсатор и ЛИНЕЙНУЮ индуктивность создав резонанс в первичке. Первичка в простейшем случае - просто провод или шпилька через крепёжную дырку броневика.


Размер: 65.34 KB

street | Post:652936 - Date: 05.12.19(09:24)
Идея достаточно безумна, чтоб оказаться действительностью.


Влияние вторички на первичку легко устраняется так: броневой ферритовый сердечник из двух чашек со вторичкой(2) внутри перемагничивать обмоткой (1) продетой в отверстие для крепёжной шпильки, стягивающей две чашки. Обмотка (1) легко насыщает замкнутый без зазора феррит каждой чашки, а обмотка (2) внутри броневика меняет индуктивность.


А вот реализация - недостаточно безумна...

Между чашками можно создать зазор, который не повлияет на насыщение феррита первичкой, но току вторички не даст влиять на феррит.

И, что?...

Первичку запитать от источника через конденсатор и ЛИНЕЙНУЮ индуктивность создав резонанс в первичке.

Экономненько будет. И, что?...

_________________
Главное в мелочах


СовсемДикий | Post:652941 - Date: 05.12.19(09:54)
Осталась придумать где можно применить такой транс. Не забывая что у него все эти коэффициенты по напряжению, по напряжению, Карл.
Хотя многим что по напряжению, что по току, что по мощности что по энергии, все одно и тоже.

Sergej_ | Post:652942 - Date: 05.12.19(09:54)
Ingener Пост: 652918 От 04.Dec.2019 (22:16)
Полностью убрать влияние вторичной обмотки на первичную можно.
Так может уже пора перейти от разговоров к делам? Показать в опыте что этот бесплатный неограниченный источник энергии действительно существует. А то разговаривать и рассказывать как это может быть здорово здесь многие могут, годами говорят, говорят. А результатов зримых ноль.

Ingener | Post:652945 - Date: 05.12.19(10:04)
detector Пост: 652925 От 04.Dec.2019 (22:57)
что же ты сможешь снять с такой вторички? Ток интересует,в первую очередь.

Такой трансформатор конструктивно вряд ли реализуем. Точнее, это уже будет не трансформатор в классическом виде, т.к. для обеспечения расстояния между источником и приемником хотя бы в пределах 10-20см. нужна частота в сотни МГц.

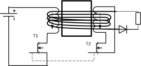
matros | Post:652983 - Date: 05.12.19(14:14)
mebius Пост: 652908 От 04.Dec.2019 (19:58)
wnur08 Пост: 651827 От 28.Nov.2019 (21:08)
Значит часть нагрузки не влияет на потребление трансформатора.

Это ошибочное суждение, ибо энергия, содержащаяся в индуктивности рассеяния вторичной обмотке, ака и вся энергия вторичной цепи, взята исключительно из энергии первичного контура.
Индуктивность рассеяния обычно является паразитным фактором. Ее можно частично компенсировать, но рассчитывать на халяву тут нет оснований.


Нифига, ток первичной и ток вторичной обмотки идут синхронно( возьмем прямой ход) но ток первичной возникает за счет источника, а ток вторичной за счет среды, которая противодействует изменению МП в первичной обмотке. Возьмем транс с разнесенными обмотками первичка на одном керне вторичка закороченная на другом, при росте тока в первичной начинает расти ток во вторичной т.е поля катушек встречны но индуктивности их довольно большие (как у катушки со стержневым магнитопроводов в габаритах катушки) и помимо того что идет трансформация идет накопление энергии в этих индуктивностях в первичной за счет источника во вторичной на халяву т.е. за счет противодействия среды, теперь мотаем такую же третью обмотку но поверх обоих кернов одновременно (нужен диод в ней чтоб прямой ход отсечь)и при обрыве тока в первичке во вторичке синхронно ток уменьшается до ноля но на третью наводится энергия уже 2х индуктивностей. у меня в 1.7 раза ток в съемной был больше чем в первичке.


Размер: 13.60 KB

_________________
Бессмыслица — искать решение, если оно и так есть. Речь идёт о том, как поступить с задачей, которая решения не имеет.(АиБ)


street | Post:652996 - Date: 05.12.19(15:53)
Токарь!
Чего ты потих , как собака в корейском ресторане?...
Мысль-то достаточно безумна...
Развивай!

_________________
Главное в мелочах


sbal | Post:652997 - Date: 05.12.19(16:03)
street Пост: Мысль-то достаточно безумна...
Развивай!
Шо, Богатура вызвать? В последний турпоход 🤢

_________________
в пути...


street | Post:652998 - Date: 05.12.19(16:09)
В очередной!🤢

_________________
Главное в мелочах


wnur08 | Post:653038 - Date: 05.12.19(22:51)
mebius Пост: 652908 От 04.Dec.2019 (19:58)
wnur08 Пост: 651827 От 28.Nov.2019 (21:08)
Значит часть нагрузки не влияет на потребление трансформатора.

Это ошибочное суждение, ибо энергия, содержащаяся в индуктивности рассеяния вторичной обмотке, ака и вся энергия вторичной цепи, взята исключительно из энергии первичного контура.
Индуктивность рассеяния обычно является паразитным фактором. Ее можно частично компенсировать, но рассчитывать на халяву тут нет оснований.

согласен , что энергия берется из первичного контура. И если будет большая индуктивность рассеяния то и энергия будет меньше. Но дело все в том что магнитный поток вторичной обмотки зависит от нагрузки и этот поток влияет на общий поток, который старается уменьшить его что и увеличивает потребление трансформатора. По этому мне кажется если со стороны первичный сделать например параллельный резонанс. Может что нибудь получится.

street | Post:653059 - Date: 06.12.19(09:29)
ИМХО твоя идея жизнеспособна. Вот и СовсемДикий тоже так думает.
Осталась придумать где можно применить такой транс.


Т.е. сам по себе такой транс прибытку не наварит. Неоткуда.
Но вот менять проницаемость сердечника таким способом можно. Т.е. это может быть инструментом для другой системы. МЭГ называется.😶

_________________
Главное в мелочах


олег-джан | Post:653087 - Date: 06.12.19(11:44)
"В органах слабость
За коликой - спазм
Старость - не радость
Маразм - не оргазм"
(И.Губерман)

ну да...на вопрос "ваша самая большая проблема в Израиле?" он
ответил- "соседи"...
а, кстати...транс... есть уже давно...называется "паратранс"...
многие его даже не трансом называют, а генератором..что, имхо, правильнее...
односторонний...

_________________
Обьективная реальность-бред,вызванный недостатком алкоголя в крови...


[ 1 | 2 ] [>
У Вас нет прав отвечать в этой теме.
Форум - Прочие идеи (разные) - Схемотехника - индуктивность рассеяния вторичной обмотки - Стр 1
🏠 Главная | 📚 Содержание | 💬 Форум | 📁 Файлы | 📩 Контакт