[ВХОД]
15.05.26(01:02)

skif.biz

Альтернативная энергия. Оставь надежду, всяк сюда входящий...

🏠 Главная | 📚 Содержание | 💬 Форум | 📁 Файлы | 📩 Контакт
 
Резонансные генераторы
Магнитные генераторы
Механические центробежные (вихревые) генераторы
Электростатические генераторы
Водородные генераторы
Ветро- и гидро- и солнечные генераторы
Прочие идеи (разные)
О форуме
Транспорт
Оружие
Научные идеи, теории, предположения...
Экономия топлива
Коммерческие вопросы
Струйные технологии
Торсионные генераторы
Новые технологии
Барахолка
Патентный отдел
Конструкторское бюро
Нейтронная физика
Торнадо и смерчи
Гравитация и антигравитация
Сделай сам. Советы.
Медицина и здравоохранение

📱 | 🖨️

Форум - Резонансные генераторы - Прочие резонансные генераторы - Трансформаторные странности - Стр:3
<] [ 1 | 2 | 3 ]
Модератор: Waso
Первый пост темы: Waso Post: #28729 От:22.05.2006 (17:31)
Здравствуйте!

Кратко: При намотке трансформатора оказалось что семь витков и 13, из которых 10 намотаны в одну, а 3 в другую(обозначим 7=10-3) - дает разный результат. А именно, во втором случае напряжение на выходе (вторичке) - выше! Я непонимаю как это обьяснить. Надеюсь что тут мне помогут. Либо убедиться в том что Г мы в школе учили, либо что я плохо учился...

Подробнее: На днях налаживал преобразователь напряжения для счетчика Гейгера и наткнулся на непонятный эффект с повышающим трансформатором. Схема преобразователя приведена на рисунке.
image

В качестве повышающего трансформатора использовалась готовая импортная катушка индуктивности, каких сейчас много в продаже. Они в прайсах обозначаются CW68. Я использовал катушку с максимальной индуктивностью, какую смог найти: 680мкГн. Собственно мне нужна была не индуктивность а количество витков побольше. Она использовалась как вторичка. Первичная и детекторная(III) обмотки наматывались поверху тонким лакированным проводом ( ориентировочно Ф 0.08мм ). Так как количество витков во вторичке неизвестно, необходимо было опытным путем подобрать количество витков в первичке, а также обеспечить такой режим в котором схема потребляла бы менее 1мА.

К выходу +HV через 100МОм-ный делитель был подключен цифровой тестер. К коллектору транзистора - осциллограф. Схема питалась от регулируемого источника питания, который имеет встроенные индикаторы напряжения и тока.

Начиная с трех витков в (I) и (III) я при включенной схеме сначала стал наматывать первичку. С увеличением числа витков росло и выходное напряжение. Ну это ладно - скажем, сердечник выходил из насыщения. После 10-го витка оно наконец-то начало падать, но, к сожалению, так и недостигнув нужной мне величины. Тогда я стал доматывать (III) - с ней также был обнаружен экстремум, на 6-и витках, и опять недостаточное выходное напряжение. Надо заметить, что тут экстремум был обусловлен переходом системы в иной колебательный режим. Тоесть на осциллографе до этой поры наблюдались периодические скачки напряжения, которые затем постепенно затухали в колебательном процессе (частота осцилляций ок. 2МГц, период скачков соотв. частоте ок. 15кГц). А после 6-го витка на осциллографе появлялся меандр (ну почти...)частотой ок.2МГц с амплитудой в 2-3 раза ниже чем была максимальная у скачков.

Я вернул обмотку (III) в точку максимума и просто из любопытства мотнул проводом первички пару витков в обратном направлении. Напряжение на выходе выросло. Оказалось что три обратных витка достаточно чтоб получить нужное мне напряжение(400В на выходе удвоителя). По идее 10-3 должно быть эквивалентно 7. Я отмотал первичку до 7 витков и с удивлением обнаружил что это не так. Напряжение падало. Похоже что сердечник снова насыщался. Кароч дальше я уже ничо не понимаю. Но требуемые параметры получил - ток потребления - около 1 мА. 😀

Еще нужно отметить что защитного шунтирующего диода параллельно первичке нет не зря. С ним резко возрастает ток потребления, понятно почему. А сама намотка производилась таким образом, что средняя точка была закреплена на сердечнике, а свободные концы, хоть и были припаяны к плате, всеравно могли свободно наматываться сверху катушки.

Поскольку с доступом на этот сайт у меня последнее время не всегда хорошо, я уже размещал эту тему тут. Там уже успели списать все на паразитные емкости и предложить мне другие варианты схемы. Тут этого делать ненадо. Я почему здесь разместил тему а не на electronix.ru - потомучто помоему она сверхединицей пахнет.
missioner | Post:697310 - Date: 05.11.20(03:36)
Эх... Так и придётся самому найти ещё один транс с двумя одинаковыми обмотками. У Скифов видимо ничего подобного нету...

_________________
Здесь хранится СЕ суперавтотрансгенератор https://www.skif.biz/index.php?name=Forums&file=viewtopic&p=875842#875842 https://disk.yandex.ru/d/T_H9tIHpXVb8dw Дополненная версия с видео: https://disk.yandex.ru/d/RUQMOtXIHzRo7Q


Sergej_ | Post:697315 - Date: 05.11.20(06:36)
missioner Пост: 697282 От 04.Nov.2020 (17:52)
Здесь ЗСЭ точно р...ком встанет
Отчего же, потребление от сети 100 Вт и в нагрузке 100 Вт. Все нормально.

missioner | Post:697317 - Date: 05.11.20(07:03)
Я про направление токов в нижнем трансформаторе, там в сердечнике должны получиться нескомпенсированные магнитные потоки, да похоже и в верхнем тоже и поэтому не мешало бы посмотреть какой финт сделает природа чтобы такого не получилось ... Саму такую систему я бы назвал
"Гальваническим трансформатором"

_________________
Здесь хранится СЕ суперавтотрансгенератор https://www.skif.biz/index.php?name=Forums&file=viewtopic&p=875842#875842 https://disk.yandex.ru/d/T_H9tIHpXVb8dw Дополненная версия с видео: https://disk.yandex.ru/d/RUQMOtXIHzRo7Q


олег-джан | Post:697318 - Date: 05.11.20(07:07)
Не скромничай....надо:
" Гальванический трансформатор Казакова"..

_________________
Обьективная реальность-бред,вызванный недостатком алкоголя в крови...


missioner | Post:697319 - Date: 05.11.20(07:13)
олег-джан Пост: 697318 От 05.Nov.2020 (07:07)
Не скромничай....надо:
" Гальванический трансформатор Казакова"..
😎 😬😏токи там за счёт разностного напряжения...совсем не как должно быть в правильном трансформаторе.

_________________
Здесь хранится СЕ суперавтотрансгенератор https://www.skif.biz/index.php?name=Forums&file=viewtopic&p=875842#875842 https://disk.yandex.ru/d/T_H9tIHpXVb8dw Дополненная версия с видео: https://disk.yandex.ru/d/RUQMOtXIHzRo7Q


missioner | Post:697381 - Date: 05.11.20(21:41)
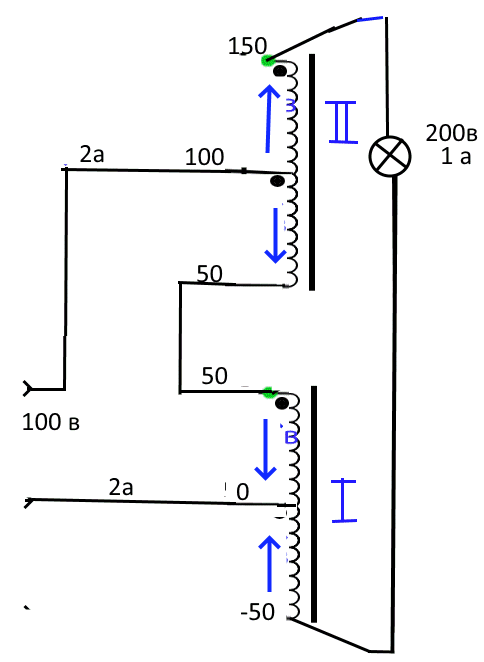
В общем проверил на сильно разных трансформаторах с сильно отличающимися обмотками,один из них мой монстер-транс другой маленький трансформатор от радиолы,напряжение между ними при подключений распределяется совсем не пополам и наверно от этого не совсем хорошая работа. Нужное напряжение по схеме
image
для лампочки появляется но при подключений лампы сильно проседает,наверно в целях соблюдения ЗСЭ, т.е. выход мощности с разными трансформаторами мягко выражаясь немного ограничен Хорошо работает только такая схема
image
но здесь всё по классике,всё в рамках законов. Нужно использовать два одинаковых автотрансформатора ,надо их где-то найти.


Размер: 15.57 KB

_________________
Здесь хранится СЕ суперавтотрансгенератор https://www.skif.biz/index.php?name=Forums&file=viewtopic&p=875842#875842 https://disk.yandex.ru/d/T_H9tIHpXVb8dw Дополненная версия с видео: https://disk.yandex.ru/d/RUQMOtXIHzRo7Q


sbal | Post:697382 - Date: 05.11.20(22:02)
missioner Пост: 697381 От 05.Nov.2020 (21:41)
Нужно использовать два одинаковых автотрансформатора ,надо их где-то найти.
дык тебе намекал ранее: делишь монстра на два. Наслаждаешься 😊

_________________
в пути...


missioner | Post:697384 - Date: 05.11.20(22:24)
sbal Пост: 697382 От 05.Nov.2020 (22:02)
missioner Пост: 697381 От 05.Nov.2020 (21:41)
Нужно использовать два одинаковых автотрансформатора ,надо их где-то найти.
дык тебе намекал ранее: делишь монстра на два. Наслаждаешься 😊
Мне мой монстер ишшо нужон цельным. А так,наблюдение: Хотя при подключений лампы напряжение и проседает сильно,так что не может даже и нить накала зажечь но при разрыве контакта с лампой проскакивает довольно таки мощная искра, как будто разъединяю при том же напряжений которое имеется без лампы...

_________________
Здесь хранится СЕ суперавтотрансгенератор https://www.skif.biz/index.php?name=Forums&file=viewtopic&p=875842#875842 https://disk.yandex.ru/d/T_H9tIHpXVb8dw Дополненная версия с видео: https://disk.yandex.ru/d/RUQMOtXIHzRo7Q


missioner | Post:699837 - Date: 22.11.20(23:07)
Появилась мысля попробовать вход и выход этой
image
системы поменять местами. Интересно что же тогда то будет? Кажется даже невлияние мощности вторички на первичку...

_________________
Здесь хранится СЕ суперавтотрансгенератор https://www.skif.biz/index.php?name=Forums&file=viewtopic&p=875842#875842 https://disk.yandex.ru/d/T_H9tIHpXVb8dw Дополненная версия с видео: https://disk.yandex.ru/d/RUQMOtXIHzRo7Q


sbal | Post:699841 - Date: 22.11.20(23:24)
Мой дед в таких случаях говаривать любил: одна попробовала, в африке.

_________________
в пути...


Forex | Post:699887 - Date: 23.11.20(09:35)
Это ещё на Физтехе первокурсникам обьясняют про три уровня знания и понимания материала.
1. Это когда вроде понимаешь, но не можешь обьяснить.
2. Понимаешь и можешь обьяснить.
3. Когда НЕ возникает парадоксов... 🤢

AlexKP | Post:700655 - Date: 27.11.20(19:24)
3. Когда НЕ возникает парадоксов...


- а как же "гений, парадоксов друг"((С)А.С.Пушкин)?🤢🤢🤢
А... в физтехе их в зародыше глушат🤢🤢🤢

<] [ 1 | 2 | 3 ]
У Вас нет прав отвечать в этой теме.
Форум - Резонансные генераторы - Прочие резонансные генераторы - Трансформаторные странности - Стр 3
🏠 Главная | 📚 Содержание | 💬 Форум | 📁 Файлы | 📩 Контакт