[ВХОД]

29.03.26(02:16)

skif.biz

Альтернативная энергия. Оставь надежду, всяк сюда входящий...

🏠 Главная | 📚 Содержание | 💬 Форум | 📁 Файлы | 📩 Контакт

📱 | 🖨️

Форум - Резонансные генераторы - Прочие резонансные генераторы - Феррорезонанс. Последний секрет. - Стр:4
<] [ 1 | 2 | 3 | 4 | 5 ] [>
Модератор: Сергей.К.
Первый пост темы: Сергей.К. Post: #752026 От:01.11.2021 (09:20)

zimnyaya | Post:754946 - Date: 17.11.21(21:31)
олег-джан Пост: 754934 От 17.Nov.2021 (18:45)
Мазать стыки порошком столь же бесполезно как и смазывать их черной икрой. Использовали везде просто сборные Ш-сердечники,

Если бы эту хрень молодой ляпнул, я бы мож и внимания не обратил....тебе же пид сраку лет уже...
ТС-180, ТС-270...наборные, ленточные с ферритовой пастой на эпоксидке...
После снятия стяжки ещё молотком приходилось лупасить, чтобы разошелся....

Да кому ты обьясняешь, он даже не в курсе, что там О - сердечник из половин, а не наборный.
Что интересно, стыки там полированные и прилегают друг к другу хорошо.
Если краску счистить, это видно, они почти зеркальные.
У меня вот такая версия, что мазали их для того, чтобы при скручивании не произошло расслоение торцов сердечника от сдавливания.
Возможно и неправильная.

_________________
Желудь-теоретик знает, как вырасти в дуб (c) Кнышев


sbal | Post:754947 - Date: 17.11.21(22:07)
Точность, допуски и иже, - никакие, потому смазывали. Не смотря на зеркала, зеркало зеркалом, а сходимость.., и гу-у-у. Проверено не раз.

_________________
в пути...


олег-джан | Post:754949 - Date: 17.11.21(22:16)
Кстати, Зимняя по-ходу права...стыки на самом деле были не высокого класса, но полировки...
А вот стягивались пакеты всего двумя шпильками по центрам....поэтому всегда при стяжке их слегка крутило буквой Z (зю).......
Дела я с ними имел десятками, и ни разу без этой заводской замазки не получалось стянуть без гула....
Зимняя - респект!😈

п.с. Кстати, сама лента тоже не на сухую намотана...может такая же ферропаста...черная...

_________________
Обьективная реальность-бред,вызванный недостатком алкоголя в крови...


Sergej_ | Post:755065 - Date: 18.11.21(18:34)
олег-джан | Post: 754934 - Date: Wed, 17 Nov 2021 (16:45)
Мазать стыки порошком столь же бесполезно как и смазывать их черной икрой. Использовали везде просто сборные Ш-сердечники,

Если бы эту хрень молодой ляпнул, я бы мож и внимания не обратил....тебе же пид сраку лет уже...
ТС-180, ТС-270...наборные, ленточные с ферритовой пастой на эпоксидке...
После снятия стяжки ещё молотком приходилось лупасить, чтобы разошелся....

Да, ты достоин дедушкиного вранья, ты из той же банды безграмотных лгунов, ты точно либо безумен, либо ничего тяжелее бумаги в руках никогда не держал. Если дубасить молотком по ленточному сердечнику, он мало того что сминается и коротит между лентами, он расслаивается, торцы сердечника становятся похожи на расческу, и стянуть его уже невозможно без заводского оборудования, без новой склейки и шлифовки, только на выброс.

Ферритовая паста - это не из технологии, а из области болтовни таких же как ты безграмотных форумных "знатоков". Индукция насыщения у феррита на порядок меньше чем у железа. С тем же успехом можно древесную труху использовать.
И да, тебе лишь бы что то ляпнуть, у тебя даже ТС-180 одновременно наборные и ленточные, сам то понимаешь что написал?

Sergej_ | Post:755069 - Date: 18.11.21(18:39)
zimnyaya | Post: 754946 - Date: Wed, 17 Nov 2021 (19:31)
Да кому ты обьясняешь, он даже не в курсе, что там О - сердечник из половин, а не наборный.

Вы сами похоже ни одного телевизора советского никогда не разбирали, о СССР знаете только по россказням лиспа и из инета.
Странно, но мне почему то не попадались ленточные трансы в телевизорах, уж не знаю почему, может потому что теория и практика это разное. В ширпотребе, в телевизорах СССР не использовали трансы залитые эпоксидом, все было ремонтопригодно. И в разобранных мною многих трансформаторах на ленте никакой пасты не было, максимум - эпоксидка.
А про ферропасту с эпоксидом - это совершенно бесполезная вещь для магнитного зазора, она магнитное сопротивление практически не снижает.

Эпоксидку использовали для склейки сердечника чтобы не гудел, а никакая паста там не нужна. Мю трансформаторного железа и эпоксидки с пастой или без нее отличается на порядки. И ток ХХ зависит только от качеств шлифовки и силы стяжки сердечника. Хотя я уже говорил о том что такой параметр, как ток ХХ для телевизионного трансформатора совершенно бесполезен.

dedivan | Post:755071 - Date: 18.11.21(18:49)
Sergej_ Пост: 755069 От 18.Nov.2021 (18:39)
такой параметр, как ток ХХ для телевизионного трансформатора совершенно бесполезен.

Значит и теорию расчета трансформаторов ты не знаешь.
Есть такой параметр как температура перегрева обмоток, и она зависит именно от тока, причем в квадратичной зависимости.
Наличие лишнего тока требует более толстого провода первички, а это при миллионных тиражах, выливается в копеечку, которую в бытовой аппаратуре как раз и экономили.

_________________
я плохого не посоветую


mebius | Post:755073 - Date: 18.11.21(18:57)
Да, этот параметр особенно важен в слабых провинциальных сетях.

_________________
Всегда нужно быть готовым к тому, что убеждения, которых придерживался в течении долгого времени, могут оказаться ошибочными\\\". П.А.М. Дирак


олег-джан | Post:755078 - Date: 18.11.21(19:27)
при миллионных тиражах, выливается в копеечку, которую в бытовой аппаратуре как раз и экономили

В теликах шли партии и с алюминиевыми вторичками...от 0,35 и выше...

_________________
Обьективная реальность-бред,вызванный недостатком алкоголя в крови...


олег-джан | Post:755083 - Date: 18.11.21(20:04)
Для блаженного:
Хрулев в.м. синтетические клеи и мастики, с 350
стр. 350
стр. 350
Размер: 21.63 KB
.
.
Размер: 25.34 KB

_________________
Обьективная реальность-бред,вызванный недостатком алкоголя в крови...


Sergej_ | Post:755190 - Date: 19.11.21(16:29)
dedivan Пост: 755071 От 18.Nov.2021 (18:49)
Sergej_ Пост: 755069 От 18.Nov.2021 (18:39)
такой параметр, как ток ХХ для телевизионного трансформатора совершенно бесполезен.

Значит и теорию расчета трансформаторов ты не знаешь.
Есть такой параметр как температура перегрева обмоток, и она зависит именно от тока, причем в квадратичной зависимости.
Наличие лишнего тока требует более толстого провода первички, а это при миллионных тиражах, выливается в копеечку, которую в бытовой аппаратуре как раз и экономили.
Дедушка, ты опять накурился? Ток ХХ и перегрев обмоток - это только при полном отключении мозга бывает.

Sergej_ | Post:755191 - Date: 19.11.21(16:32)
олег-джан | Post: 755083 - Date: Thu, 18 Nov 2021 (18:04)

Артель "напрасный труд". Один дурак записал в документацию придуманную хрень, и все остальные вынуждены повторять эту глупость.
Главного то тут нет - каков результат всех этих манипуляций, на сколько изменились электрические (магнитные) параметры. И не покажут таких цифр, ибо ради бесполезных нескольких процентов тратить столько сил и сырья просто глупо.

vodoprovodchik | Post:755192 - Date: 19.11.21(16:44)
Ну как таки ? Народ разобрался почему "феррорезонанс" гудит ? 😏
Кста , совершенно всё равно на каком жулезе - "П" "Ш" или кольце ...

олег-джан | Post:755198 - Date: 19.11.21(17:04)
Сергей, прежде чем вякать, начало вопроса прочти....наш старый пень собрался поглощение среды обойти модуляцией....
п.с. с трансформаторами так и не разобралси?
Не попадались тебе ленточные разрезные?
Ты слаще морковки видал что в жизни?
Ботву попробуй...хотя, ты и так её ешь...это известно....на ботве вот такие посты и рождаются у тебя....ботвовые...

_________________
Обьективная реальность-бред,вызванный недостатком алкоголя в крови...


Sergej_ | Post:755209 - Date: 19.11.21(17:51)
Джан, про ленточные - ты даже мои посты не прочитал, или понять написанное неспособен. Проблема не во мне, в себе ищи.
Продолжай ленточные трансы молотком херачить. И главное всем показывай это чтобы все знали с кем имеют дело.

олег-джан | Post:755216 - Date: 19.11.21(18:26)
А не приходило в голову, что молоточком вбок бить надо?
Эх, травоядный....
Удивляет, что ты ни разу их не видел...

_________________
Обьективная реальность-бред,вызванный недостатком алкоголя в крови...


MSN | Post:755231 - Date: 19.11.21(22:58)
Сергей.К. Пост: 753883 От 10.Nov.2021 (23:26)
Видео поудалял и с телефона, почем зря. Все с разных сторон подтверждается. Намагниченность сердечника в процессе насыщения многократно больше ,чем в "нормальном" режиме работы трансформатора. Решил переснять думаю всё-таки это будет кому-то полезно.
[ссылка]
Жаль нельзя отредактировать первое сообщение.


В видео на 1:00 я с тобой не согласен, где ты утверждаешь указывая на плоский участок насыщения, что там продолжается намагничивание.
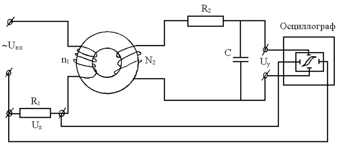
Оно там конечно продолжается но ценой огромного роста тока, ты возьми любой график намагничивания железа и сравнивай индукцию в сердечнике (В) в Теслах (ось Y), то-же намагничивание, с прикладываемым к железу намагничивающим полем (Н) в ампер/метр (ось Х) и все встанет на свои места. Датчиком холла можно мерить намагничивание, разрезав сердечник и вставив датчик в получившуюся щель, но при этом изменятся характеристики железного сердечника, поэтому для замкнутого сердечника пользуются косвенными измерениями магнитной индукции в сердечнике:
это сделать просто, подключи к тестовой вторичной катушечке через интегрирующую RC цепочку один луч - это будет твоя ось Y, второй луч снимай на шунте первички (ток), это будет твоя ось Х. Осцилл у тебя есть, подключить -минутное дело, вот тогда все вопросы отпадут сами собой. Если непонятно объяснил, могу нарисовать схему подключения.
image
">Схема снятия кривой намагничивания


Размер: 14.79 KB

_________________
Говорите говорите, я всегда зеваю когда мне интересно. 99,9% всех СЕ устройств, - от неправильных измерений


DjSens | Post:755330 - Date: 20.11.21(17:16)
MSN, личные сообщения смотрел ? 😀
(уведомления на емэйл у всех отключены по умолчанию, поэтому я поздно увидел что ты писал)

Сергей.К. | Post:756115 - Date: 24.11.21(14:47)
MSN Пост: 755231 От 19.Nov.2021 (22:58)
Сергей.К. Пост: 753883 От 10.Nov.2021 (23:26)
Видео поудалял и с телефона, почем зря. Все с разных сторон подтверждается. Намагниченность сердечника в процессе насыщения многократно больше ,чем в "нормальном" режиме работы трансформатора. Решил переснять думаю всё-таки это будет кому-то полезно.
[ссылка]
Жаль нельзя отредактировать первое сообщение.


В видео на 1:00 я с тобой не согласен, где ты утверждаешь указывая на плоский участок насыщения, что там продолжается намагничивание.
Оно там конечно продолжается но ценой огромного роста тока, ты возьми любой график намагничивания железа и сравнивай индукцию в сердечнике (В) в Теслах (ось Y), то-же намагничивание, с прикладываемым к железу намагничивающим полем (Н) в ампер/метр (ось Х) и все встанет на свои места. Датчиком холла можно мерить намагничивание, разрезав сердечник и вставив датчик в получившуюся щель, но при этом изменятся характеристики железного сердечника, поэтому для замкнутого сердечника пользуются косвенными измерениями магнитной индукции в сердечнике:
это сделать просто, подключи к тестовой вторичной катушечке через интегрирующую RC цепочку один луч - это будет твоя ось Y, второй луч снимай на шунте первички (ток), это будет твоя ось Х. Осцилл у тебя есть, подключить -минутное дело, вот тогда все вопросы отпадут сами собой. Если непонятно объяснил, могу нарисовать схему подключения.
image
">Схема снятия кривой намагничивания

В этом как раз и состоит парадокс, который косвенным методом скрыт от нас.Мы привыкл наблюдать изменение ЭДС вместе с изменением магнитного поля.
В опыте я хотел показать ,что энергию индуктивность накапливает в "процессе насыщения" на порядок больше и то что энергия накапливается в магнитном виде сердечника подтверждает датчик холла, а на ЭДС обмоток этого бурного роста магнитного поля не видно.


Sergej_ | Post:756218 - Date: 25.11.21(07:16)
олег-джан | Post: 755216 - Date: 19.11.21(18:26)
А не приходило в голову, что молоточком вбок бить надо?
Эх, травоядный....
Удивляет, что ты ни разу их не видел...

Очередные неграмотные рассуждения диванного болтуна. Джан опять не понимает какие глупости высказывает. И не понимает именно в силу своей безграмотности, и потому что сам руками ничего не делал и не разбирал.

Если бить молотком сбоку сердечника, в месте удара сразу происходит сминание и замыкание тонких лент сердечника, они очень мягкие. Токи фуко резко увеличат потери в сердечнике. А для расслаивания безразлично как бить сердечник, вдоль или поперек. Из твоих глупостей сразу видно что ты ни разу сердечники не разбирал, после твоих придуманных "разборок" сердечник был бы только на выброс. Ты только языком трепать можешь, одни лишь глупости.

Sergej_ | Post:756219 - Date: 25.11.21(07:26)
Сергей.К. | Post: 756115 - Date: 24.11.21(14:47)
В этом как раз и состоит парадокс, который косвенным методом скрыт от нас.Мы привыкл наблюдать изменение ЭДС вместе с изменением магнитного поля.
В опыте я хотел показать ,что энергию индуктивность накапливает в "процессе насыщения" на порядок больше и то что энергия накапливается в магнитном виде сердечника подтверждает датчик холла, а на ЭДС обмоток этого бурного роста магнитного поля не видно.

Датчик холла показывает резкое увеличение поля при увеличении тока в обмотке, и за счет этого увеличивается магнитное поле. Ты бы посмотрел осциллограмму тока обмотки, и сразу станет понятно откуда что берется. Индуктивность обмотки при насыщении сердечника резко падает, ток резко увеличивается, при насыщении сердечника он эквивалентен деревянному. Сердечник в увеличении поля никак не участвует.

С насыщенным сердечником энергию в индуктивности не накапливается, потому что сама индуктивность при насыщении резко уменьшается. Мю насыщенного сердечника = 1, а до насыщения может быть до десятков тысяч, даже у плохого железа тысячи.

Сергей.К. | Post:756256 - Date: 25.11.21(13:39)
Sergej
Ну нету этого быстрого превращения сердечника в деревяшку, просто нет.
Да индуктивность падает и мю падает, но довести до единицы ещё нужно очень постараться.
При этом быстро растет ток, магнитное поле и энергии влазит в сердечник намного больше.
Конечно осциллограма с шунта и с датчика холла в сердечнике похожи, ведь это одного поля ягоды.
Один хрен пока не понятно как этим воспользоваться.

sbal | Post:756262 - Date: 25.11.21(14:25)
Sergej_ Пост: 756218 От 25.Nov.2021 (07:16)
Если бить молотком сбоку сердечника, в месте удара сразу происходит сминание и замыкание тонких лент сердечника, они очень мягкие.

Только совсем безмозглые - железом по железу да сила есть ума не надо.
Так что - "Ты только языком трепать можешь, одни лишь глупости."/цы/

_________________
в пути...


street | Post:756268 - Date: 25.11.21(15:00)
Сергей.К. Пост: 756256 От 25.Nov.2021 (13:39)
Конечно осциллограма с шунта и с датчика холла в сердечнике похожи, ведь это одного поля ягоды.

Приложи датчик сбоку к сердечнику в верхней его части так, чтоб датчик прилегал чувствительной стороной к пакету пластин.
Ты уже пробывал прикладывать его снаружи, но не там.

растет ток, магнитное поле и энергии влазит в сердечник намного больше.

Он гудит, меняет размер, как пружина, читни про магнитострикторы.

_________________
Главное в мелочах


Greyver | Post:756287 - Date: 25.11.21(18:14)
Сергей.К. Пост: 756115 От 24.Nov.2021 (14:47)
Мы привыкл наблюдать изменение ЭДС вместе с изменением магнитного поля.
А это точно ЭДС?
image

_________________
Человек отличается от обезьяны умением не замечать очевидных вещей.


shreza | Post:756318 - Date: 25.11.21(22:35)
Сергей.К.
При этом быстро растет ток, магнитное поле и энергии влазит в сердечник намного больше. Конечно осциллограма с шунта и с датчика холла в сердечнике похожи, ведь это одного поля ягоды.
Один хрен пока не понятно как этим воспользоваться.

Влазит .. и вылазит..😬
Сиреневым-ток ферроконтура, голубым-напряжение, желтым- напряжение на контрольной доп.обмотке.


Размер: 50.51 KB


Размер: 29.48 KB

<] [ 1 | 2 | 3 | 4 | 5 ] [>
У Вас нет прав отвечать в этой теме.
Форум - Резонансные генераторы - Прочие резонансные генераторы - Феррорезонанс. Последний секрет. - Стр 4
🏠 Главная | 📚 Содержание | 💬 Форум | 📁 Файлы | 📩 Контакт