[ВХОД]

25.03.26(21:04)

skif.biz

Альтернативная энергия. Оставь надежду, всяк сюда входящий...

🏠 Главная | 📚 Содержание | 💬 Форум | 📁 Файлы | 📩 Контакт

📱 | 🖨️

Форум - Резонансные генераторы - Прочие резонансные генераторы - Трансформер-2!2 - Стр:1
[ 1 | 2 | 3 | 4 | 5 | 6 | 7 | 8 | 9 | 10 | 11 | ... | 15 ] [>
Модератор: bogatyr
bogatyr | Post:794563 - Date: 28.07.22(03:43)
Итак начинаем.
Берём два источника напряжения со сдвигом 90 градусов.
В одном нагрузка индуктивная, а в другом емкостная.



bogatyr | Post:794571 - Date: 28.07.22(06:49)
Вопрос знатокам.

Токи индуктивный и емкостной одинаковые по величине.
Какой будет угол между их суммой и векторами напряжений?


rezoner | Post:794586 - Date: 28.07.22(09:16)
Вектора нарисуй и увидишь. Ток в индуктивности отстает от U на 90'. В емкости опережает.


bogatyr | Post:794591 - Date: 28.07.22(09:39)
Правильно 90'+45'!
Суммарный ток будет отставать от напряжения с индуктивностью,а от напряжения с ёмкостью опережать!

И этот ток мы пропустим по катушке с ферромагнитным сердечником.


bogatyr | Post:794603 - Date: 28.07.22(10:48)
По закону электромагнитной индукции ток наведёт ЭДС самоиндукции, которая будет отставать от него на 90'!


sairus | Post:794850 - Date: 30.07.22(16:28)
По твоему, чем напряжение отличается от тока, только углом?😊

_________________
Каждый тезис, должен быть достаточно обоснован.



bogatyr | Post:794861 - Date: 30.07.22(21:58)
Причина - ДВА тока порождают ЭДС, которая стремится подавить причину.
В результате ЭДС будет увеличивать напряжение в цепи с ёмкостью и уменьшать в цепи с индуктивностью!


Pavel1 | Post:794914 - Date: 31.07.22(14:00)
В трансформаторе нет смещения тока и напряжения, ибо он есть аналог механического редуктора. Что дали на грудь то и он выдал, минус на бонусы гудения😎 .
Богатырь, не путай дроссель с трансформатором, у них разные функции.
Чисто физический смысл трансформатора, это превращения одной формы энергии в другую, U1*I1-КПД = U2*I2! Все точка, и не пудри мозги нормальным пацанам с внучками.


bogatyr | Post:795071 - Date: 01.08.22(08:17)
sbal Пост: 794919 От 31.Jul.2022 (15:32)
Мда, Давыдыч.., нельзя войти в одну и ту же Сахару - дважды.
Хотя отдельные граждане пытаются ломиться - трижды.
Так и живём.

Повторение - мать Учения!

В это раз копнем глубже.
Сразу отвечу на вопрос, почему 2 источника напряжения со сдвигом фаз в 90'.
ЭДС производная от тока, который изменяется по синусу.
Получается тот же синус, но со сдвигом 90'.
Разница в том ,что в Индуктивности отстаёт, а в ёмкости опережает.
Сдвиг на 90' для частоты 50 герц составляет 1/4 периода 0,005 секунды.


bogatyr | Post:795122 - Date: 01.08.22(14:45)
sairus Пост: 795116 От 01.Aug.2022 (14:14)
bogatyr Пост: 795108 От 01.Aug.2022 (12:09)
Sairus задавайте вопрос.

Какова цель, того подключения о котором вы говорите?


Пример, как провести рассогласование контура возбуждения и нагрузки.
Цепь с ёмкостью можно ещё заменить на Цепь с индуктивностью.
Получим совсем другой результат.
После займёмся настройкой , как говорил Капанадзе держи Резонанс.
Но это не тот, что изучают в ТОЭ.


sairus | Post:795123 - Date: 01.08.22(14:51)
bogatyr Пост: 795122 От 01.Aug.2022 (14:45)
sairus Пост: 795116 От 01.Aug.2022 (14:14)
bogatyr Пост: 795108 От 01.Aug.2022 (12:09)
Sairus задавайте вопрос.

Какова цель, того подключения о котором вы говорите?


Пример, как провести рассогласование контура возбуждения и нагрузки.
Цепь с ёмкостью можно ещё заменить на Цепь с индуктивностью.
Получим совсем другой результат.
После займёмся настройкой , как говорил Капанадзе держи Резонанс.
Но это не тот что изучают а ТОЭ.

Ты так и не ответил на вопрос. Попробую перефразировать. Какова цель рассогласования контура возбуждения и нагрузки. Для чего их нужно рассогласовывать?

_________________
Каждый тезис, должен быть достаточно обоснован.



bogatyr | Post:795197 - Date: 01.08.22(19:32)
Ещё раз повторяю.Надо 2 напряжения с между фазным 90'.
Можно 120' это потом ,когда принцип уясните.



KomX | Post:795198 - Date: 01.08.22(19:45)
bogatyr Пост: 795197 От 01.Aug.2022 (19:32)
Можно 120' это потом ,когда принцип уясните.

Это третье напряжение в 3-х фазной сети.

_________________
KomX - это комикс (история в картинках) или ком(приходить) икс(к неизвестному)... (Well)



ФЕМЕ | Post:795266 - Date: 02.08.22(02:16)
sbal Пост: 795255 От 01.Aug.2022 (23:54)
sairus Пост: 795254 От 01.Aug.2022 (23:27)
А я и не знал, что межфазное напряжение, это халява.
Закон трёх сил. К примеру две активные, одна пассивная.
По итогам пассивная имеет двух активных. На халяву.

Но при сдвиге в 120 град. Три силы равноодинаковые. А значит, Давидыч нам, как и Герасим Му-му, явно чего-то недоговаривает. 😊

_________________
«Сколь горестно не знать свой ум!»



vodoprovodchik | Post:795382 - Date: 02.08.22(18:29)
sairus | Post: 795254

Конечно халява! да ещё и какая ! Счётчик индукционный увеличивает долг потребителю , TAK что только успевай вовремя отключать ! 😏
Кста ,-это приводит в недоумение контрольные органы энергосбыта…
Меня както "накрыла" коммиссия (внезапная) . До сих пор помню слова контроллёра -" ниччё не понимаю! - дымоход тёплый, а печка не горит! " 😏


bogatyr | Post:795580 - Date: 04.08.22(03:39)
Продолжаем.
Напоминаю ,что мы используем 2 ИН с двигом фаз 90'.
Нагрузки С и L.
Сумму токов пропускам по катушке индуктивности.


KomX | Post:795585 - Date: 04.08.22(07:31)
bogatyr Пост: 795580 От 04.Aug.2022 (03:39)
Продолжаем.
Напоминаю ,что мы используем 2 ИН с двигом фаз 90'.
Нагрузки С и L.
Сумму токов пропускам по катушке индуктивности.

Схемку бы...
А то не понятно какую точку разрывать для вставки катушки индуктивности или какие точки соединять оной для дальнейшего пропускания через последнюю комплексной суммы токов.

_________________
KomX - это комикс (история в картинках) или ком(приходить) икс(к неизвестному)... (Well)



bogatyr | Post:795586 - Date: 04.08.22(07:49)
2 независимых электрически контура.


KomX | Post:795587 - Date: 04.08.22(07:51)
bogatyr Пост: 795586 От 04.Aug.2022 (07:49)
2 независимых электрически контура.

Сумму токов пропускам по катушке индуктивности.

Помоги объять умом эти 2 цитаты.

_________________
KomX - это комикс (история в картинках) или ком(приходить) икс(к неизвестному)... (Well)



bogatyr | Post:795609 - Date: 04.08.22(10:36)
Мотаем катушку 2 провода. В одном ток С , в другом L.
Токи подбираем ,чтобы были одинаковые.
Железо трансформаторное .
Для продвинутых электриков можно на звуковой частоте.
20 000 герц.




JnoVa | Post:795612 - Date: 04.08.22(10:58)
Петька. - Василий Иванович, ну как олимпиада по математике прошла?
Василий Иванович.- Никак!
Петька - А что не так?.
Василий Иванович. - Говорят: Возьмите квадратный трехчлен. А как я его возьму, если я его даже представить не могу?

_________________
В каждом из нас спит гений... и с каждым днём всё крепче.



MSN | Post:795659 - Date: 04.08.22(13:45)
bogatyr Пост: 795609 От 04.Aug.2022 (10:36)
Мотаем катушку 2 провода. В одном ток С , в другом L.
Токи подбираем ,чтобы были одинаковые.
Железо трансформаторное .
Для продвинутых электриков можно на звуковой частоте.
20 000 герц.


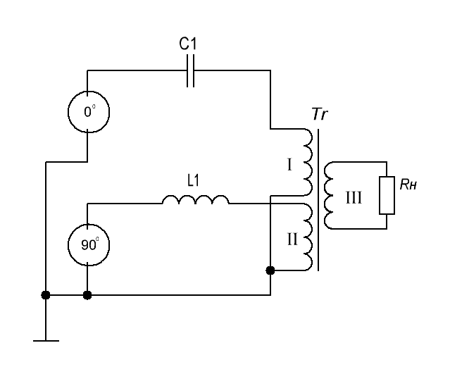
Так ? Может получится что токи будут встречны, а может получиться что они будут согласны, это как точки расположить на схеме трансформатора, то-есть как сфазировать его обмотки.



Размер: 4.66 KB

_________________
Говорите говорите, я всегда зеваю когда мне интересно. 99,9% всех СЕ устройств, - от неправильных измерений



KomX | Post:795664 - Date: 04.08.22(14:12)
MSN Пост: 795659 От 04.Aug.2022 (13:45)
Так ? Может получится что токи будут встречны, а может получиться что они будут согласны, это как точки расположить на схеме трансформатора, то-есть как сфазировать его обмотки.

Не правильную схему ты нарисовал, "Дядя Фёдор".
Дядя bogatyr говорит, что контура электрически не связаны.
Как по мне, так нагрузка должна связать их.
А третьей обмоткой надо бы коммутируемый КЗ виток.

_________________
KomX - это комикс (история в картинках) или ком(приходить) икс(к неизвестному)... (Well)



bogatyr | Post:795694 - Date: 04.08.22(15:55)
MSN Пост: 795659 От 04.Aug.2022 (13:45)
bogatyr Пост: 795609 От 04.Aug.2022 (10:36)
Мотаем катушку 2 провода. В одном ток С , в другом L.
Токи подбираем ,чтобы были одинаковые.
Железо трансформаторное .
Для продвинутых электриков можно на звуковой частоте.
20 000 герц.


Так ? Может получится что токи будут встречны, а может получиться что они будут согласны, это как точки расположить на схеме трансформатора, то-есть как сфазировать его обмотки.

Так. Нагрузку пока отключим. Проще для понимания.
Включаем согласно . С ИН рассмотрим 2 варианта.
1. ИН с С опережает ИН с L.
2. ИН с С отстаёт.


MSN | Post:795714 - Date: 04.08.22(17:30)
применительно к моему варианту схемы, думаю что графы токов и напряжений будут выглядеть так:


Размер: 214.85 KB

_________________
Говорите говорите, я всегда зеваю когда мне интересно. 99,9% всех СЕ устройств, - от неправильных измерений



[ 1 | 2 | 3 | 4 | 5 | 6 | 7 | 8 | 9 | 10 | 11 | ... | 15 ] [>
У Вас нет прав отвечать в этой теме.
Форум - Резонансные генераторы - Прочие резонансные генераторы - Трансформер-2!2 - Стр 1
🏠 Главная | 📚 Содержание | 💬 Форум | 📁 Файлы | 📩 Контакт