[ВХОД]
15.05.26(10:05)

skif.biz

Альтернативная энергия. Оставь надежду, всяк сюда входящий...

🏠 Главная | 📚 Содержание | 💬 Форум | 📁 Файлы | 📩 Контакт
 
Резонансные генераторы
Магнитные генераторы
Механические центробежные (вихревые) генераторы
Электростатические генераторы
Водородные генераторы
Ветро- и гидро- и солнечные генераторы
Прочие идеи (разные)
О форуме
Транспорт
Оружие
Научные идеи, теории, предположения...
Экономия топлива
Коммерческие вопросы
Струйные технологии
Торсионные генераторы
Новые технологии
Барахолка
Патентный отдел
Конструкторское бюро
Нейтронная физика
Торнадо и смерчи
Гравитация и антигравитация
Сделай сам. Советы.
Медицина и здравоохранение

📱 | 🖨️

Форум - Прочие идеи (разные) - Схемотехника - Про детальки - Стр:66
<] [ 1 | ... 56 | 57 | 58 | 59 | 60 | 61 | 62 | 63 | 64 | 65 | 66 ]
Модератор: dedivan
Первый пост темы: dedivan Post: #682422 От:08.07.2020 (22:26)
Тему нужно бы назвать почему у МСН ничего не получается, но мы и еще чего нибудь тут про детальки расскажем.
олег-джан | Post:798610 - Date: 26.08.22(17:58)
А при чем тут биноклики?

Ой, .ля! Узнаю брата-Ваньку!(с) 🤢
Ты согласен, что транс-коаксиал и коаксиальный кабель имеют совершенно разную физику работы?
В глаза смотреть!(с)

_________________
Обьективная реальность-бред,вызванный недостатком алкоголя в крови...


dedivan | Post:798612 - Date: 26.08.22(18:02)
А ты не знаешь чем отличаются трансы намотанные коаксиалом или обычным проводом?

_________________
я плохого не посоветую


олег-джан | Post:798613 - Date: 26.08.22(18:06)
Ой! Я не был готов к такому повороту...не стирай свой пост, ладно? Пожалуйста!...
Я пока еще на ходу пишу...а тут уголовных статей по-электродинамике на долго...
А ты не знаешь чем отличаются трансы намотанные коаксиалом или обычным проводом?

Извини, сохраню на всякий случай...хотя, не болею обычно этим 😕

_________________
Обьективная реальность-бред,вызванный недостатком алкоголя в крови...


sbal | Post:798614 - Date: 26.08.22(18:11)
олег-джан Пост: 798605 От 26.Aug.2022 (17:15)
Так что биноклик-золото
это пожалуй надобно зафиксить вплоть до заскринить, без всяких там узких эээ мест.😊

_________________
в пути...


олег-джан | Post:798616 - Date: 26.08.22(18:23)
Узкие места всегда надо знать, если ты проффи..особенно (это не к тебе)...
Не хочу, чтобы тема с биноклями была такой же лохотронной темой, как с радиантами...
Вот и всё 😀

_________________
Обьективная реальность-бред,вызванный недостатком алкоголя в крови...


dedivan | Post:798617 - Date: 26.08.22(18:28)
олег-джан Пост: 798616 От 26.Aug.2022 (18:23)

Вот и всё 😀

Слился, как всегда.🤬

Это вот какой транс- коаксиальный или биноклик?



Размер: 299.03 KB

_________________
я плохого не посоветую


sbal | Post:798618 - Date: 26.08.22(18:28)
Могу как два пальца накидать тебе твоего же, но не буду, гуманизьмь однака 😊
"Узкие места всегда надо знать"/цы/ не против и даже подпишусь 😶

_________________
в пути...


олег-джан | Post:798619 - Date: 26.08.22(18:30)
Это вот какой транс- коаксиальный или биноклик?

Транс-коаксиальный...только-по названию...
Ещё раз: у коаксиального транса и кабеля одна физика?
Хотя, сам вопрос звучит так: чем отличается гомосек от пи-са?

_________________
Обьективная реальность-бред,вызванный недостатком алкоголя в крови...


dedivan | Post:798622 - Date: 26.08.22(18:48)
олег-джан Пост: 798619 От 26.Aug.2022 (18:30)
Это вот какой транс- коаксиальный или биноклик?

Транс-коаксиальный...только-по названию...

А схему замещения такого транса сможешь нарисовать, или хотя бы на словах сказать чем она отличается от классической схемы?
В варианте когда трубка- вторичка.




Размер: 65.77 KB

_________________
я плохого не посоветую


олег-джан | Post:798626 - Date: 26.08.22(18:57)
Ты подкалываешь-нарисовать?
Я старому другану проги не могу нарисовать на смартфоне...
Хотя...там в эквивалентке не много изменений...
Ты сам не ответил на простой и главный вопрос?

_________________
Обьективная реальность-бред,вызванный недостатком алкоголя в крови...


олег-джан | Post:798628 - Date: 26.08.22(19:06)
Вот, смотри, дедушка...мне надобно сделать простую, окуительную, контактную сварочку...U вых 0÷5 Вольт...
Намоточные данные биноклика и токи? От сети?

_________________
Обьективная реальность-бред,вызванный недостатком алкоголя в крови...


dedivan | Post:798639 - Date: 26.08.22(19:58)
олег-джан Пост: 798626 От 26.Aug.2022 (18:57)

Хотя...там в эквивалентке не много изменений...
Ты сам не ответил на простой и главный вопрос?

Ну так словами скажи, какие изменения и сам же ответишь на свой вопрос.

_________________
я плохого не посоветую


dedivan | Post:798642 - Date: 26.08.22(20:20)
олег-джан Пост: 798628 От 26.Aug.2022 (19:06)
окуительную, контактную сварочку...U вых 0÷5 Вольт...

Самое место тут биноклику, прямо на сварные клещи одевается.

_________________
я плохого не посоветую


олег-джан | Post:798643 - Date: 26.08.22(20:23)
прямо на сварные клещи одевается.

Точно?
А первичка как выглядит не нарисуешь?
Подробно?
У меня розетка 220...

_________________
Обьективная реальность-бред,вызванный недостатком алкоголя в крови...


sbal | Post:798645 - Date: 26.08.22(20:31)
Прадед, не издевайся, Олежа в - пути. 😊
Путь - это светое.

_________________
в пути...


sbal | Post:798646 - Date: 26.08.22(21:26)
Деда,не нравится мине эта схема.....прости за наглость....
Сколько лет прошло, до сих не нравится, и прощения уже не просит, хуже того матюкает старших.
Куда усё катится, спрашиваю.
* разсеяние = 0, неужели не видно из всех рисунков.

_________________
в пути...


олег-джан | Post:798655 - Date: 27.08.22(02:10)
Сбал...у тебя серить чем попало-смысл жизни?
Не пойму....или другого не осталось, кроме как поддакивать не в попад деду?
Выглядешь-дураком полным...
Это-цель?

_________________
Обьективная реальность-бред,вызванный недостатком алкоголя в крови...


dedivan | Post:798666 - Date: 27.08.22(08:19)
sbal Пост: 798646 От 26.Aug.2022 (21:26)

Сколько лет прошло, до сих не нравится,

цитирование олег-джан | Post: 216073 - Date: Sat, 12 Dec 2009 (19:35)

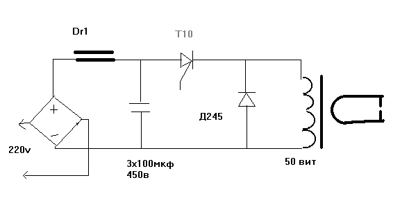
Здесь напрашивается способ принудительного закрытия тиристора последовательным контуром впараллель тиристору....


Он до сих пор не видит этот LC контур, который уже есть в схеме.
И все спрашивает- а сколько виточков мотать?
Тут я уже ничего не могу поделать.


Размер: 4.19 KB

_________________
я плохого не посоветую


dedivan | Post:798667 - Date: 27.08.22(08:53)
sbal Пост: 798646 От 26.Aug.2022 (21:26)

* разсеяние = 0, неужели не видно из всех рисунков.

Там не совсем ноль, хитрее, индуктивности рассеяния на схеме замещения шунтируются коаксиалом. Когда идет импульс- на индуктивностях выброс напряжения перемыкается. Ток сразу идет во вторичку.
Я почему и прошу олежку назвать отличие схемы биноклика от обычного транса.
А темка хорошая была, жалко прикрыл ее Михалыч.
Кстати он жив? Или как умный человек перебрался давно в израиловку?
Энди нужно поспрашивать.

_________________
я плохого не посоветую


Виталя | Post:798671 - Date: 27.08.22(11:00)
dedivan Пост: 798667 От 27.Aug.2022 (08:53) Кстати он жив? Или как умный человек перебрался давно в израиловку?
Пол года тому, перед началом СВО общались последний раз. Тяжело очухивался после очередного инсульта. Больше, на "связь" не выходил.

_________________
С ув. Виталий.


sbal | Post:798673 - Date: 27.08.22(11:20)
олег-джан Пост: 798655 От 27.Aug.2022 (02:10)
Выглядешь-дураком полным...
Это-цель?
Да. 😊

_________________
в пути...


dedivan | Post:798676 - Date: 27.08.22(11:32)
Виталя Пост: 798671 От 27.Aug.2022 (11:00)
Тяжело очухивался после очередного инсульта.

Ну вот, не хочет народ народное средство использовать, ведь писали же здесь про магний и его роль в инсультах- 5 копеек и никаких инсультов.
Хотя почему народное?- скоропулька его же колет сразу по приезде.
А потом уже дохтура начинают свой бизнес.


_________________
я плохого не посоветую


<] [ 1 | ... 56 | 57 | 58 | 59 | 60 | 61 | 62 | 63 | 64 | 65 | 66 ]
У Вас нет прав отвечать в этой теме.
Форум - Прочие идеи (разные) - Схемотехника - Про детальки - Стр 66
🏠 Главная | 📚 Содержание | 💬 Форум | 📁 Файлы | 📩 Контакт