[ВХОД]

ЛИЧНЫЕ СООБЩЕНИЯ 📝
МОЯ АНКЕТА 📋
ВЫЙТИ 🚪

🏠 Главная | 📚 Содержание | 💬 Форум | 📁 Файлы | 📩 Контакт

📱 | 🖨️

Форум - Резонансные генераторы - Прочие резонансные генераторы - Действующий(?) трансгенератор - Стр:41
<] [ 1 | ... 31 | 32 | 33 | 34 | 35 | 36 | 37 | 38 | 39 | 40 | 41 | 42 | 43 | 44 | 45 | 46 | 47 | 48 | 49 | 50 | 51 | ... | 58 ] [>
Модератор: missioner
Первый пост темы: missioner Post: #354949 От:04.03.2012 (13:16)
Некоторое время назад я сообщал о своём трансформаторе,на котором я получил(?) СЕ. Ниже выкладываю дополненный текст своей статьи из файлов,где описал этот случай. Читать начиная с четвёртой страницы.Ну а если не сразу понятно о чём речь то читать с самого начала. Было бы хорошо если админ поменял оригинал из файлов на этот переработанный документ
Документ в двух вариантах,Ворд 2007 и PDF
MSN | Post: #819749 - Date: 15.01.23(22:44)
texnik Пост: #819701 От 15.Jan.2023 (15:16)
Ну опять... И что тут нового и интересного? ещё Бедини игрался до тебя с такими схемами.


А ничего нового нет, кроме того что - сможет твоя криво нарисованная бединька сделать вот так ?

Заряжаю электролитический конденсатор 100uF до 100В и разряжаю через катушку. Для простоты восприятия неподготовленной публикой - импульс одиночный. Желтым напряжение на кондере, синим ток.
Да, также приглашаю к обсуждению диванно-метрологические войска 🤢


Размер: 73.13 KB

_________________
Говорите говорите, я всегда зеваю когда мне интересно. 99,9% всех СЕ устройств, - от неправильных измерений


[ответить][с цитатой]
AlexKP | Post: #819755 - Date: 15.01.23(23:07)
MSN Пост: #819648 От 14.Jan.2023 (15:20)
AlexKP Пост: #819603 От 14.Jan.2023 (11:39)
Вот сравните эти диаграми и думаю станет ясно, как появляется в эксперименте MSN-а ток 5,6 А...


- блиннн... да сколько можно эту хрень мусолить...

Все просто:

"избыточный" ток 5.6А гуляет между кондером на выходе ИП (тот который 1000мкФ)
и катушкой индуктивности.

Т.е.: транзюки включены - кондер отдает ток в катушку; транзюки выключены - катушка отдает ток в кондер.

И это все - МИМО Источника Питания. За исключением потерь.
И об этом там вверху где-то уже говорилось.
Чудес нету.


Во первых, про чудеса здесь никто кроме тебя не упоминал, во вторых все правильно если... есть кондер бесконечной емкости, а если его "почти" нет ?? Ну то-есть он есть,но весьма малой емкости, и энергии в нем запасаемой не хватает чтобы накачать индуктивность ? Потребление от ИП не вырастет, как так ?😳
Подумай на досуге, хорошая пища для ума.


- а чего тут думать? И ежику понятно, что при отсутствии внешнего кондера вырастит потребеление от ИП.
Но в обсуждаемом случае внешнего кондера как раз и достаточно, чтобы накачивать контур.

[ответить][с цитатой]
MSN | Post: #819759 - Date: 15.01.23(23:21)
кондер 100uF, катушка 10mH 1.28 Oм. Его достаточно для накачки ?
Осциллка присутствует в пост #819749

_________________
Говорите говорите, я всегда зеваю когда мне интересно. 99,9% всех СЕ устройств, - от неправильных измерений


[ответить][с цитатой]
texnik | Post: #819775 - Date: 16.01.23(00:27)
rezoner Пост: #819740 От 15.Jan.2023 (21:42)
texnik Пост: #819714 От 15.Jan.2023 (17:10)
Не пойдёт. Обратка замкнётся на диод.

Если ты хотел нарисовать синим обратный ток, то это не верно. Стрелка в другую сторону.
Не люблю обижать людей😎 Катушка закорочена диодом, а для короткой замыкании направление стрелки не имеет значение😊 Главное что акумулятор не получит подзарядку...


Размер: 25.03 KB

[ответить][с цитатой] - Правка 15.01.23(21:32) - texnik
missioner | Post: #819795 - Date: 16.01.23(05:26)
Тогда придётся так, забыл кондёр нарисовать параллельно батарейке...:да



Размер: 8.55 KB

_________________
Здесь хранится СЕ суперавтотрансгенератор https://www.skif.biz/index.php?name=Forums&file=viewtopic&p=875842#875842 https://disk.yandex.ru/d/T_H9tIHpXVb8dw Дополненная версия с видео: https://disk.yandex.ru/d/RUQMOtXIHzRo7Q


[ответить][с цитатой] - Правка 16.01.23(03:03) - missioner
texnik | Post: #819837 - Date: 16.01.23(19:21)
Лучше сделай вот так.. Вторичка перевернёт фазу и даст возможность найти оптимальный уровен обратки..


Размер: 15.66 KB

[ответить][с цитатой] - Правка 16.01.23(16:22) - texnik
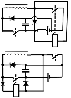
missioner | Post: #819841 - Date: 16.01.23(22:02)
texnik Пост: #819837 От 16.Jan.2023 (19:21)
Лучше сделай вот так.. Вторичка перевернёт фазу и даст возможность найти оптимальный уровен обратки..
Не,лучше наверно без вторичек. Вот два варианта,нижний позволяет вернуть в источник или конденсатор энергию из обмотки и самой релюшки -дребезжалки,вроде как


Размер: 17.08 KB

_________________
Здесь хранится СЕ суперавтотрансгенератор https://www.skif.biz/index.php?name=Forums&file=viewtopic&p=875842#875842 https://disk.yandex.ru/d/T_H9tIHpXVb8dw Дополненная версия с видео: https://disk.yandex.ru/d/RUQMOtXIHzRo7Q


[ответить][с цитатой] - Правка 16.01.23(19:23) - missioner
texnik | Post: #819842 - Date: 16.01.23(23:08)
Конечно работать будет, но механически прериватель неефективно и много потер.


Размер: 19.25 KB

[ответить][с цитатой]
missioner | Post: #819843 - Date: 16.01.23(23:12)
Тем более потерь будет при использований вторичек. Опыты с переливанием из конденсатора в другой хорошо это показали, даже если две обмотки находятся непосредственно друг над другом КПД гораздо меньше чем если использовалась только одна обмотка.

_________________
Здесь хранится СЕ суперавтотрансгенератор https://www.skif.biz/index.php?name=Forums&file=viewtopic&p=875842#875842 https://disk.yandex.ru/d/T_H9tIHpXVb8dw Дополненная версия с видео: https://disk.yandex.ru/d/RUQMOtXIHzRo7Q


[ответить][с цитатой]
AlexKP | Post: #819844 - Date: 16.01.23(23:22)
MSN Пост: #819759 От 15.Jan.2023 (23:21)
кондер 100uF, катушка 10mH 1.28 Oм. Его достаточно для накачки ?
Осциллка присутствует в пост #819749


- а ты поставь этот кондер в ту же схему (с ИП и ключами) и покажи потребление от ИП. Тогда и задавай вопросы🤢

[ответить][с цитатой] - Правка 16.01.23(20:22) - AlexKP
texnik | Post: #819845 - Date: 16.01.23(23:36)
missioner Пост: #819843 От 16.Jan.2023 (23:12)
Тем более потерь будет при использований вторичек. Опыты с переливанием из конденсатора в другой хорошо это показали, даже если две обмотки находятся непосредственно друг над другом КПД гораздо меньше чем если использовалась только одна обмотка.
Не убедительно... КПД иимпульсных блоков питания достигает 98 процентов. А там на выжоде тоже стоят трансформатори😊

[ответить][с цитатой] - Правка 16.01.23(20:38) - texnik
MSN | Post: #819846 - Date: 16.01.23(23:42)
AlexKP Пост: #819844 От 16.Jan.2023 (23:22)
MSN Пост: #819759 От 15.Jan.2023 (23:21)
кондер 100uF, катушка 10mH 1.28 Oм. Его достаточно для накачки ?
Осциллка присутствует в пост #819749


- а ты поставь этот кондер в ту же схему (с ИП и ключами) и покажи потребление от ИП. Тогда и задавай вопросы🤢


Ответ вопросом на вопрос не свойственен людям русской национальности.
P.S. Я уже все показал, просто подними глаза немного выше твоего позапрошлого поста.

_________________
Говорите говорите, я всегда зеваю когда мне интересно. 99,9% всех СЕ устройств, - от неправильных измерений


[ответить][с цитатой] - Правка 16.01.23(20:44) - MSN
AlexKP | Post: #819892 - Date: 17.01.23(21:07)
MSN Пост: #819846 От 16.Jan.2023 (23:42)
AlexKP Пост: #819844 От 16.Jan.2023 (23:22)
MSN Пост: #819759 От 15.Jan.2023 (23:21)
кондер 100uF, катушка 10mH 1.28 Oм.
Осциллка присутствует в пост #819749


- а ты поставь этот кондер в ту же схему (с ИП и ключами) и покажи потребление от ИП. Тогда и задавай вопросы🤢


Ответ вопросом на вопрос не свойственен людям русской национальности.
P.S. Я уже все показал, просто подними глаза немного выше твоего позапрошлого поста.


- ну показал охрененные потери всего то на первом цикле.
Далее надо добавлять от ИП. Вот тебе и рост потребления.
И что из этого?

Его достаточно для накачки ?


Вопрос, как грится, риторический....

🤢🤢🤢

[ответить][с цитатой]
missioner | Post: #819898 - Date: 17.01.23(22:40)
Больше упростил дребезжалку,теперь можно и строить


Размер: 5.63 KB

_________________
Здесь хранится СЕ суперавтотрансгенератор https://www.skif.biz/index.php?name=Forums&file=viewtopic&p=875842#875842 https://disk.yandex.ru/d/T_H9tIHpXVb8dw Дополненная версия с видео: https://disk.yandex.ru/d/RUQMOtXIHzRo7Q


[ответить][с цитатой] - Правка 17.01.23(19:53) - missioner
sbal | Post: #819913 - Date: 18.01.23(01:28)
missioner Пост: #819898 От 17.Jan.2023 (22:40)
Больше упростил дребезжалку,теперь можно и строить

Тебя в гугле забании? Мой внук, двух лет ещё нет, вот к гугле подобрался... .

YouTube: Смотреть видео

_________________
в пути...


[ответить][с цитатой]
MSN | Post: #819951 - Date: 18.01.23(11:30)
Не учите меня жить, лучше помогите материально (С)

_________________
Говорите говорите, я всегда зеваю когда мне интересно. 99,9% всех СЕ устройств, - от неправильных измерений


[ответить][с цитатой] - Правка 18.01.23(08:30) - MSN
AlexKP | Post: #819991 - Date: 18.01.23(20:39)
MSN Пост: #819951 От 18.Jan.2023 (11:30)
Не учите меня жить, лучше помогите материально (С)


- сколько надо для счастья "отца русской демократии"?😎

[ответить][с цитатой] - Правка 18.01.23(17:39) - AlexKP
tokar_ev | Post: #820567 - Date: 23.01.23(18:05)
экономичная система трансгенерации: кот греет котел, котел греет дом. Излишки энергии накапливаются в дросселе и трансформируются в сеть - для освещения и паяльника.


Размер: 963.64 KB

[ответить][с цитатой]
missioner | Post: #820568 - Date: 23.01.23(18:48)
И сколько для дросселя остаётся?😊😊😊

_________________
Здесь хранится СЕ суперавтотрансгенератор https://www.skif.biz/index.php?name=Forums&file=viewtopic&p=875842#875842 https://disk.yandex.ru/d/T_H9tIHpXVb8dw Дополненная версия с видео: https://disk.yandex.ru/d/RUQMOtXIHzRo7Q


[ответить][с цитатой]
missioner | Post: #836105 - Date: 07.06.23(07:57)
Появился ещё один вариант извлечения циркулирующей энергий из трансформатора в режиме феррорезонанса не влияющий на сам феррорезонанс и его данные как и на потребление феррорезонансом мощности из сети. Тоже Уроборос. Скоро проверю. Смысла выкладывать публично до поры до времени не вижу никакого... Лучше сниму видео. Но это две модернизаций схемы показанной на моём видео:
YouTube: Смотреть видео
Одна из модернизаций это переход от последовательного феррорезонанса к параллельному вторая позволит при снятий мощности на нагрузку абсолютно не влиять на поступление из источника в схему и параметры самого резонанса. При генераций энергий без влияния на источник всё дело в ампер-витках

_________________
Здесь хранится СЕ суперавтотрансгенератор https://www.skif.biz/index.php?name=Forums&file=viewtopic&p=875842#875842 https://disk.yandex.ru/d/T_H9tIHpXVb8dw Дополненная версия с видео: https://disk.yandex.ru/d/RUQMOtXIHzRo7Q


[ответить][с цитатой] - Правка 07.06.23(05:53) - missioner
missioner | Post: #836253 - Date: 09.06.23(23:03)
missioner Пост: #836105 От 07.Jun.2023 (07:57)
Появился ещё один вариант извлечения циркулирующей энергий из трансформатора в режиме феррорезонанса не влияющий на сам феррорезонанс и его данные как и на потребление феррорезонансом мощности из сети. Тоже Уроборос. Скоро проверю. Смысла выкладывать публично до поры до времени не вижу никакого... Лучше сниму видео. Но это две модернизаций схемы показанной на моём видео: Одна из модернизаций это переход от последовательного феррорезонанса к параллельному вторая позволит при снятий мощности на нагрузку абсолютно не влиять на поступление из источника в схему и параметры самого резонанса. При генераций энергий без влияния на источник всё дело в ампер-витках
Нет, оказалось переход на параллельный резонанс толку не даёт,не получается добиться прежнего результата. Т.е. эффективен только последовательный резонанс.

_________________
Здесь хранится СЕ суперавтотрансгенератор https://www.skif.biz/index.php?name=Forums&file=viewtopic&p=875842#875842 https://disk.yandex.ru/d/T_H9tIHpXVb8dw Дополненная версия с видео: https://disk.yandex.ru/d/RUQMOtXIHzRo7Q


[ответить][с цитатой]
missioner | Post: #836256 - Date: 09.06.23(23:15)
Выложу сюда данные опыта при котором при передаче маленькой энергий в трансформаторе из ниоткуда возникает и проваливается туда же в разы большая энергия. Уроборос. И теоретически она может превыщать поступаюшую мощность в десятки раз


Размер: 934.95 KB

_________________
Здесь хранится СЕ суперавтотрансгенератор https://www.skif.biz/index.php?name=Forums&file=viewtopic&p=875842#875842 https://disk.yandex.ru/d/T_H9tIHpXVb8dw Дополненная версия с видео: https://disk.yandex.ru/d/RUQMOtXIHzRo7Q


[ответить][с цитатой] - Правка 09.06.23(20:19) - missioner
missioner | Post: #836480 - Date: 12.06.23(16:43)
А вот собственный мой опыт, без осциллографа, у меня его нет, и приборов использовал два, переставляя их в нужные места..
YouTube: Смотреть видео

Трансформатор потребляет и передаёт из сети в нагрузку в 12 раз меньше чем в нём бесплатно возникает энергий и передаётся посредством магнитного поля из одной обмотки в другую.Обмотка, скорее всего первичная, греется сильнее чем могла бы греться под частью разностного напряжения достающегося ей.
Прошу не придираться что сотые доли после знака произнёс как десятые. По такому же маршруту можно заставить двигаться токам в биффиляре Валеры Лапутько, тогда у него в половине бифиляра выступающей в качестве первички без проблем будут возникать и циркулировать десятки киловатт, надо только правильно от них откусывать нужное.

_________________
Здесь хранится СЕ суперавтотрансгенератор https://www.skif.biz/index.php?name=Forums&file=viewtopic&p=875842#875842 https://disk.yandex.ru/d/T_H9tIHpXVb8dw Дополненная версия с видео: https://disk.yandex.ru/d/RUQMOtXIHzRo7Q


[ответить][с цитатой] - Правка 12.06.23(20:46) - missioner
missioner | Post: #836505 - Date: 12.06.23(23:49)
Написал новую статью:
[ссылка]

_________________
Здесь хранится СЕ суперавтотрансгенератор https://www.skif.biz/index.php?name=Forums&file=viewtopic&p=875842#875842 https://disk.yandex.ru/d/T_H9tIHpXVb8dw Дополненная версия с видео: https://disk.yandex.ru/d/RUQMOtXIHzRo7Q


[ответить][с цитатой]
edvid | Post: #836572 - Date: 14.06.23(01:28)
Опыт преобразования энергии вибрации сердечника трансформатора в электричество пьезоэлектрической пластиной.
9ab102.pdf
Размер: 591.63 KB

[ответить][с цитатой]
<] [ 1 | ... 31 | 32 | 33 | 34 | 35 | 36 | 37 | 38 | 39 | 40 | 41 | 42 | 43 | 44 | 45 | 46 | 47 | 48 | 49 | 50 | 51 | ... | 58 ] [>

Форма ответа

😊 😛 😕 😀 😬 😎 🤔 😘 😕 🥴 😏 😶 😡 🙄 😭 😈 🤢 🤮 😁 😨 🤬 😝
Добавить файл: ≤ 1.95 MB
Описание файла:
Можно загружать только - jpg, jpeg, png, gif, pdf, doc, docx, zip
Если картинка больше чем 600х600, то отобразится ссылкой.
Форум - Резонансные генераторы - Прочие резонансные генераторы - Действующий(?) трансгенератор - Стр 41

🏠 Главная | 📚 Содержание | 💬 Форум | 📁 Файлы | 📩 Контакт