[ВХОД]
18.04.26(03:16)

skif.biz

Альтернативная энергия. Оставь надежду, всяк сюда входящий...

🏠 Главная | 📚 Содержание | 💬 Форум | 📁 Файлы | 📩 Контакт
 
Резонансные генераторы
Магнитные генераторы
Механические центробежные (вихревые) генераторы
Электростатические генераторы
Водородные генераторы
Ветро- и гидро- и солнечные генераторы
Прочие идеи (разные)
О форуме
Транспорт
Оружие
Научные идеи, теории, предположения...
Экономия топлива
Коммерческие вопросы
Струйные технологии
Торсионные генераторы
Новые технологии
Барахолка
Патентный отдел
Конструкторское бюро
Нейтронная физика
Торнадо и смерчи
Гравитация и антигравитация
Сделай сам. Советы.
Медицина и здравоохранение

📱 | 🖨️

Форум - Магнитные генераторы - Генератор Хаббарда - Генератор Хаббарда - проведем эксперименты - Стр:57
<] [ 1 | ... 47 | 48 | 49 | 50 | 51 | 52 | 53 | 54 | 55 | 56 | 57 ]
Модератор: sharp
Первый пост темы: sharp Post: #532085 От:16.03.2017 (14:39)
Тема о генераторе Хаббарда развивается вяло.
Тема сама по себе интересная, древняя, и вроде бы простая, судя по времени создания устройства, но результатов пока нет. Кое кто утверждает, что получил результат, но это всего лишь слова.
Я решил придать некоторую динамику этому интересному направлению, украсив треп и размышления о токе с напряжением реальными экспериментами.
Все лишнее естественно нужно удалять, но модераторы соответствующих веток давно ими не занимаются, поэтому позвольте создать новую ветку.
Прошу всех включаться в работу.
sharp | Post:834319 - Date: 22.05.23(21:39)
вот я сделал свою установку, но честно признаюсь,ч то не доволен вредным воздействием
Ну, у меня не просто тайна - это суперизобретение.
В нем нет вредных короткоимпульсных воздействий, нет резонансов, которые нужно настраивать и удерживать, нет влияния помех извне, нет высоких опасных напряжений.
Его можно поставить в каждую машину, в каждый дом, встроить в стельки зимних сапог, в термос для подогрева чая....
Не будет радиодеталей - сделаю механический вариант, будут шестерни крутиться и машины тягать.
Тут есть, что придержать для себя.
И куда вы меня спишете в утиль? Будете игнорить на форуме?😎

Antek | Post:834382 - Date: 23.05.23(12:04)
Zettas Пост: 834366 От 23.May.2023 (10:06)
Источником дополнительной энергии в этом устройстве является радиантная энергия. Другое название - скалярное магнитное поле. Возможно ты знаешь,что радиантное излучение представляет собой поток электронов и позитронов (возможно что-то ещё), которые движутся вдоль собственных плоскостей вращения. Двигаясь так, электроны обходят атомы воздуха и вообще любые атомы. Тесла не первый кто обратил внимание на это явление. Так вот, электроны отклоняются электрическими и магнитным полями, и могут быть ускорены. Этот факт является причиной увеличения их энергии. На своём "пути" это излучение заряжает металлы и создает электростатические заряды, вот почему я говорил что приёмные катушки могут быть любой конфигурации. Самое интересное в этом то, что "радиант" при этом ничем не поглощается, а просто уходит без потерь в окружающее пространство. Когда он проходит через металл катушки, он как бы стимулирует выработку собственных электронов атомами меди. Вот откуда берётся дополнительная энергия.
В истории электротехники были случаи, когда изобретатели "нечаянно" заряжали все предметы в комнате, и даже ручки дверей. Но внятно природу этого явления смог до нас донести Никола Тесла.

ПОЧТИ ПОПАЛ.ТВОРИТ ЧУДЕСА ОСОБАЯ ВОЛНА СОВМЕСТНО С РАДИАНТОМ.Ты же сам описал пучности и узлы и их различное влияние.На Скифе слово РАДИАНТ вызывает у большинства рвотный рефлекс и это как по мне-нормально(защита от дураков,они и сами рады отрицая неизвестное им и не понятное и при этом беззаветно верят,что они борцы за истину)Не нужно им разжёвывать такие технологии.Ведь найдутся идиоты,которые причинят вред себе и другим.Как по мне разница между механическим и электронным вариантом Хаббарда в способе формирования импульсов,которые запускают процесс.😊

_________________
А вы друзья как не садитесь-все в музыканты не годитесь.


Zettas | Post:834486 - Date: 23.05.23(22:10)
Antek Пост: 834382 От 23.May.2023 (12:04)


Как по мне разница между механическим и электронным вариантом Хаббарда в способе формирования импульсов,которые запускают процесс.😊

Разница в мех и эл. Хаббарде в способе резервирования ОЭДС, в силовой части (сами катушки), в большей мощности и масштабировании у последнего.
Про разницу в осциляторах, ключах и прочей механике смысла говорить нет, это и так очевидно.

sharp | Post:834498 - Date: 23.05.23(23:22)
Zettas Пост: 834366 От 23.May.2023 (10:06)
Источником дополнительной энергии в этом устройстве является радиантная энергия. Другое название - скалярное магнитное поле. Возможно ты знаешь,что радиантное излучение представляет собой поток электронов и позитронов (возможно что-то ещё), которые движутся вдоль собственных плоскостей вращения. Двигаясь так, электроны обходят атомы воздуха и вообще любые атомы.
Вот же ж вы клоуны, ну такой бред несете🤢
Ну какое скалярное магнитное поле!!! Магнитное поле слабое, и на расстоянии метра его уже не видать.
Какой нахрен поток электронов и позитронов в среде, кишащей атомами!!!
Вы какие-то ридурки, честное слово, вообще без элементарной логики и критической оценки.

street | Post:834511 - Date: 24.05.23(06:33)
sharp Пост: 834498 От 23.May.2023 (23:22)
Вы какие-то ридурки, честное слово, вообще без элементарной логики и критической оценки.
Потомственные кретины. Однозначно.

Вот образчик высшего пилотажа...
Toros Пост: 834472 От 23.May.2023 (21:07)
От себя могу сказать - механический вариант ни делал никто!
От слова совсем. Все взялись за электронный. А между тем, разница
в работе у них огромная.
Очередной ГЕНА порет лютую дичь не моргнув глазом. Если никто не делал от слова совсем, то откуда известно, что оно по-другому работает? Но ГЕНУ это не смущает ни разу.

_________________
Главное в мелочах


sharp | Post:834519 - Date: 24.05.23(08:19)
Удвительное явление, конечно - человек наплел ерунды, ничего не подтвердил, никто не собрал по егоуказаниям, но все верят.
А тут - часть устройства собрал, работу описал, схему сам нарисовал в Спайсе со всеми графиками и просчетами пояснил.
Осциллограмму работающего СЕ генератора выложил...
Но никто не верит😬

noirt | Post:834523 - Date: 24.05.23(08:53)
sharp Пост: 834519 От 24.May.2023 (08:19)
...А тут - часть устройства собрал, работу описал, схему сам нарисовал в Спайсе со всеми графиками и просчетами пояснил.
Осциллограмму работающего СЕ генератора выложил...
А вот с этого места поподробнее, пожалуйста, что-то не было этого или я пропустил в потоке говна?

Повторите, пожалуйста, ещё раз всё в одном месте без отсылок на предыдущие страницы и темы. Ждём!?

sharp | Post:834531 - Date: 24.05.23(09:43)
Вот осциллограмма готового работающего под нагрузкой устройства, собранного в Спайсе [ссылка]
В той ветке и происходило обсуждение. Начинать читать можно отсюда: [ссылка]

sharp | Post:834547 - Date: 24.05.23(12:29)
А осциллограмма тому подтверждение. . Где и как она снималась, что на ней отображено, тайна за семью печатями. Гадайте люди. Вот мы и погодаем.
Не надо гадать, я же здесь.😊
Снималась на питающем конденсаторе. Конденсатор, судя по осциллограмме, в процессе работы подзаряжается.
Увидел наличие нарастающей постоянной составляющей?
Поздравляю - это и есть самозапит.😎

street | Post:834548 - Date: 24.05.23(13:08)
sharp Пост: 834547 От 24.May.2023 (12:29)
А осциллограмма тому подтверждение. . Где и как она снималась, что на ней отображено, тайна за семью печатями. Гадайте люди. Вот мы и погодаем.
Не надо гадать, я же здесь.😊
Снималась на питающем конденсаторе. Конденсатор, судя по осциллограмме, в процессе работы подзаряжается.
Увидел наличие нарастающей постоянной составляющей?
Поздравляю - это и есть самозапит.😎
Не. Это рост напра в последовательном контуре, образованным питальником , кондером и катухой. Увеличь время симуляции раз десять,а питальник замени предварительно заряженным кондером. Чуда пропадет.
Питальник держит напр неизменным, его энергия бесконечна, а у кондера будет конечна.

_________________
Главное в мелочах


sharp | Post:834553 - Date: 24.05.23(14:25)
Такое впечатление, что я зашел на форум казахов, а кругом одни Сайрусы.😬
Нацяльникома, а в схема есть питальника? Не, это не СЕ - это питальника.
Ты бы, свежеиспеченный Сайрус, хоть на полярности посмотрел...
Как аккум в авто заряжаешь? Плюс - к плюсу, а минус - к минусу?
А тут как?

dedivan | Post:834555 - Date: 24.05.23(14:27)
sharp Пост: 834547 От 24.May.2023 (12:29)
А осциллограмма тому подтверждение.

Это не осциллограмма, а картинка симуля, которого изнасиловали отключением от схемы земляного конца.

_________________
я плохого не посоветую


sharp | Post:834556 - Date: 24.05.23(14:30)
Земляной конец на месте, вместе с землей.
Накидывайте еще версии, мои казахские друзья.😕

dedivan | Post:834562 - Date: 24.05.23(15:06)
sharp Пост: 834558 От 24.May.2023 (14:44)
задающий генератор питает базу мосфета, который, как известно

Имеет большую емкость и на канал и на нагрузку.

_________________
я плохого не посоветую


street | Post:834564 - Date: 24.05.23(15:23)
sharp Пост: 834553 От 24.May.2023 (14:25)
Нацяльникома, а в схема есть питальника? Не, это не СЕ - это питальника.
Так и есть.


хоть на полярности посмотрел...
Как аккум в авто заряжаешь? Плюс - к плюсу, а минус - к минусу?
А тут как?
А тут от цвета щупа зависит.

sharp Пост: 821090 От 29.Jan.2023 (06:35)
Показал же осциллограмму схемы с полным самозапитом. Батарея не только не разряжается в процессе работы, но еще и набирает напряжение.
Посмотри ток батареи.


Я этот вопрос решил, схема работает с самозапитом - энергия берется из батареи, загоняется в систему, пропускается по кругу и возвращается обратно в батарею, но в большем количестве. Подтверждением этому является прирост напряжения на батарее.
Постоянная составляющая на кондёре - это не напр батареи. Симуль тебе напр на батарее не поднимет, он пересчитает энергию в ток, который втекает в батарею и рассеивается на её унутреннем сопро.
Замени батарею предварительно заряженным кондёром. Тогда все чуда исчезнут, как мираж.

Симулятор - вещь весьма полезная для изучения процессов в цепях. Но им сначала надо научиться пользоваться. Иначе, тераватты СЕ вполне возможны в моделях.

Только вот незадача - задающий генератор питает базу мосфета, который, как известно открывается не током, а напряжением и соотвественно не может добавить в систему заряда столько, чтобы и нагрузку запитать, и конденсатор подзаряжать.
Это так, от того генератора лишь мизерные иголки можно наблюдать в контуре.
А вот питальник в модели вполне справится. В симуле его энергия бесконечна. Поэтому замени питальник предварительно заряженным кондёром и, варьируя его ёмкость, сможешь рассмотреть процесс.

_________________
Главное в мелочах


sharp | Post:834569 - Date: 24.05.23(16:23)
Замени батарею предварительно заряженным кондёром. Тогда все чуда исчезнут, как мираж.

Да не вопрос - рисуй в ЛТСпайсе как считаешь нужным заряженный кондер, а я вставлю его в свою схему.

street | Post:834691 - Date: 24.05.23(22:57)
sharp Пост: 834569 От 24.May.2023 (16:23)
Замени батарею предварительно заряженным кондёром. Тогда все чуда исчезнут, как мираж.

Да не вопрос - рисуй в ЛТСпайсе как считаешь нужным заряженный кондер, а я вставлю его в свою схему.

158a65.asc
Размер: 1.02 KB

_________________
Главное в мелочах


sharp | Post:834701 - Date: 24.05.23(23:07)
Через несколько дней буду дома, проверю.

sharp | Post:835346 - Date: 29.05.23(23:52)
Миссионер высказал интересную мысль на счет конденсаторов в делителе тока, перенесу ее сюда, чтобы проверить на досуге.
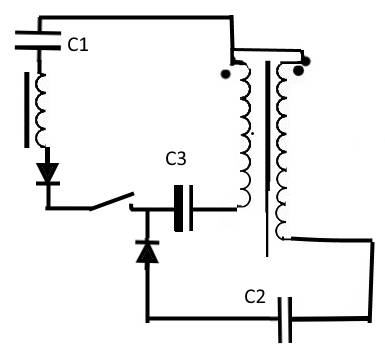
Чтобы конденсаторы могли заряжаться как надо, в сверхъединичном режиме, в схеме нужно соблюдать соотношение ёмкостей. Оно должно быть таким. Если КТР= 1/2 то C3=2C1=2C2/ Если Ктр=2/3 то С2= 2С1 С3=3С1. Если Ктр=3/4 то С2=3С1 С3=4С1, И далее по нарастающей,4/5 5/6 6/7 Принцип соотношения ёмкостей логически(точнее-по моей логике) вытекает из того что ток это движение заряженных частиц и какое превышение суммарной выходной энергий на конденсаторах относительно начальной энергий С1 вы хотите получить зная что чем плотнее заряды напичканы в конденсаторе тем больше напряжение на его клеммах и соответственно больше энергий требуется чтобы напихать их дополнительно. Только при таких соотношениях поэтому вы не получите сильного электродинамического сопротивления получению СЕ



Размер: 29.43 KB

missioner | Post:835353 - Date: 30.05.23(05:10)
Больше всего это касается ёмкости С2 которая должна "пропускать" тем больший ток чем большее СЕ вы хотите получить на С3,но большее СЕ возможно только при маленьком КТр,типа 4/5 5/6 6/7 и далее c большим током который С2 должен принять при напряжениях намного меньших чем напряжение конденсатора источника и тем меньших напряжениях чем сильнее уменьшаем Ктр. (Т.е. чем ближе Ктр к единице тем сильнее уменьшается разностное напряжение под которым циркулирующие по цепочке (первичка-вторичка- С2-диод-С3) заряды должны влезть в С2. А от тока в С2 напрямую зависит возможность получения СЕ на конденсаторе С3 куда заряды проникают под напряжением которое было на С1 ) Или ещё другими словами, чем большее СЕ хотите получить приближением КТр к единице тем более сильным сопротивлением для его получения становится С2 если не принимать упреждающие меры увеличивая его ёмкость

_________________
Здесь хранится СЕ суперавтотрансгенератор https://www.skif.biz/index.php?name=Forums&file=viewtopic&p=875842#875842 https://disk.yandex.ru/d/T_H9tIHpXVb8dw Дополненная версия с видео: https://disk.yandex.ru/d/RUQMOtXIHzRo7Q


missioner | Post:835445 - Date: 31.05.23(06:05)
Добавлю ещё для исправления предыдущего поста.. Даже исходя из того факта что энергия конденсатора кратна произведению ёмкости на квадрат напряжения. Далее исходя из того что напряжение при КТр=1,5 напряжение на С2 будет в два раза меньше чем на С1 то для того чтобы он при таком напряжений мог принять всю энергию С1 просто в теорий его ёмкость должна быть в четыре раза больше ёмкости С1.Но нам надо иметь в виду что эта энергия будет перетекать из С1 не просто коэффициентом трансформаций а за счёт промежуточной индуктивности которая вгоняет её в схему уже под намного большим напряжением то уже непосредственно в четвре раза С2 увеличивать нужды не будет. Ну и думать про место расположения самой индуктивности с учётом того что неправильные варианты передают заряды теряя энергию а правильные передают энергию добавляя заряды
image
Даже если в самом верхнем варианте мы добавим ещё и диод то всё равно мы передаём только заряд а не столько энергию хотя саму энергию теряя не так сильно как без диода.

_________________
Здесь хранится СЕ суперавтотрансгенератор https://www.skif.biz/index.php?name=Forums&file=viewtopic&p=875842#875842 https://disk.yandex.ru/d/T_H9tIHpXVb8dw Дополненная версия с видео: https://disk.yandex.ru/d/RUQMOtXIHzRo7Q


<] [ 1 | ... 47 | 48 | 49 | 50 | 51 | 52 | 53 | 54 | 55 | 56 | 57 ]
У Вас нет прав отвечать в этой теме.
Форум - Магнитные генераторы - Генератор Хаббарда - Генератор Хаббарда - проведем эксперименты - Стр 57
🏠 Главная | 📚 Содержание | 💬 Форум | 📁 Файлы | 📩 Контакт