[ВХОД]

ЛИЧНЫЕ СООБЩЕНИЯ 📝
МОЯ АНКЕТА 📋
ВЫЙТИ 🚪

🏠 Главная | 📚 Содержание | 💬 Форум | 📁 Файлы | 📩 Контакт

📱 | 🖨️

Форум - Резонансные генераторы - Прочие резонансные генераторы - Действующий(?) трансгенератор - Стр:43
<] [ 1 | ... 33 | 34 | 35 | 36 | 37 | 38 | 39 | 40 | 41 | 42 | 43 | 44 | 45 | 46 | 47 | 48 | 49 | 50 | 51 | 52 | 53 | ... | 58 ] [>
Модератор: missioner
Первый пост темы: missioner Post: #354949 От:04.03.2012 (13:16)
Некоторое время назад я сообщал о своём трансформаторе,на котором я получил(?) СЕ. Ниже выкладываю дополненный текст своей статьи из файлов,где описал этот случай. Читать начиная с четвёртой страницы.Ну а если не сразу понятно о чём речь то читать с самого начала. Было бы хорошо если админ поменял оригинал из файлов на этот переработанный документ
Документ в двух вариантах,Ворд 2007 и PDF
bogatyr | Post: #837537 - Date: 30.06.23(21:58)
Время перемен,

[ответить][с цитатой]
Pavel1 | Post: #837541 - Date: 01.07.23(00:57)
bogatyr Пост: #837537 От 30.Jun.2023 (21:58)
Время перемен,


Каких?
Где (генератор из трансформатора)? Не удавшийся лохотрон?
Богатырь, раньше я тебя уважал а теперь ты пыль для меня.
Где этот пыл истинно (bogatyr) или остались одни опилки?
Маму продай но деньгу получи?

Извини я прямой чел, что думаю то и говорю.


[ответить][с цитатой]
bogatyr | Post: #837546 - Date: 01.07.23(07:47)
Паша, а я тебе наоборот завуважал,
Литературу читаешь, с интернетом на одной ноге,
Жаль прошивку тебе придется поменять

[ответить][с цитатой]
JnoVa | Post: #837584 - Date: 01.07.23(23:30)
Как всегда языком чешешь? Что-нибудь реальное сказать могешь?

_________________
В каждом из нас спит гений... и с каждым днём всё крепче.


[ответить][с цитатой]
missioner | Post: #839666 - Date: 26.08.23(18:54)
Интересно девки пляшут.Проводил свои опыты с параллельным резонансом в первичке советского трансформатора. Всё как обычно,запитываю схему от сети через ограничительный конденсатор в 20 мкф. Без нагрузки во вторичке ток на резонансном конденсаторе в 580 мкф ноль,от сети 1,7 ампер. Замыкаю вторичку, сразу появляется резонансный ток на конденсаторе в 7 ампер, ток из розетки возрастает до 2-вмпер.
Дальше думаю так, раз если без нагруженной вторички на резонансном первичном конденсаторе ток равен нулю то значит не имеет значения,есть он или нет без нагрузки,т.е. если я его отключу то у меня ток первички из розетки так и должен оставаться 1,7 ампер.
Отключаю конденсатор. И вау, у меня тут же начинается последовательный резонанс первички с ограничительным конденсатором, первичка начинает гудеть, на ней и ограничительном конденсаторе резко возрастает напряжение...

Вот ведь как, хотя резонансный конденсатор параллельно первичке без нагрузки подключенный стоит как мёртвый груз и через него не идёт никакого реактивного тока,(т.е. он что есть там что его вообще нет) но он каким то образом умудряется предотвращать последовательный резонанс.

_________________
Здесь хранится СЕ суперавтотрансгенератор https://www.skif.biz/index.php?name=Forums&file=viewtopic&p=875842#875842 https://disk.yandex.ru/d/T_H9tIHpXVb8dw Дополненная версия с видео: https://disk.yandex.ru/d/RUQMOtXIHzRo7Q


[ответить][с цитатой] - Правка 26.08.23(15:59) - missioner
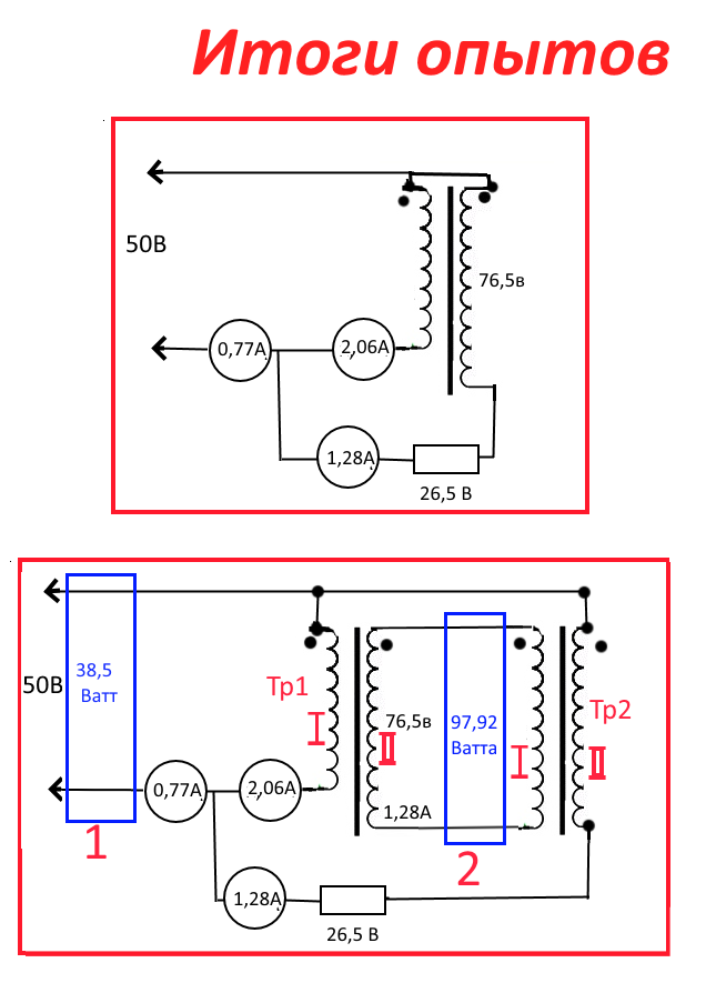
missioner | Post: #843204 - Date: 20.10.23(21:22)
missioner Пост: #836256 От 09.Jun.2023 (23:15)
Выложу сюда данные опыта при котором при передаче маленькой энергий в трансформаторе из ниоткуда возникает и проваливается туда же в разы большая энергия. Уроборос. И теоретически она может превыщать поступаюшую мощность в десятки раз
image

Далее схема,которая на мой взгляд позволит выдернуть из эффекта когда в трансформаторе возникает из ниоткуда и проваливается туда же в никуда сверхъединичная энергия часть этой самой энергий. В оригинальную схему что на верхнем рисунке добавляется дополнительный второй трансформатор с коэффициентом трансформаций равным единице,схема ниже. Он позволит нам организовать участок 2 в синем прямоугольнике по которому по линий связи будет протекать дополнительная сверхъединичная мощность равная (97,92-38,5=59,42) ватта... Как уже писал ранее и показывал на видео эта мощность может быть в десятки раз большей чем та мощность что поступает в схему из розетки, всё зависит от коэффициента трансформаций первого трансформатора. Мы можем отобрать для себя часть этой энергий внедрив в этот участок трансформатор тока со вторички которого энергия пойдёт на основную нагрузку. Кстати,так как на этом токовом трансе немного будет проседать напряжение вторички первого трансформатора доходящее до первички второго трансформатора то мы и второй трансформатор можем сделать немного повышающим. Дополнительно через этот же трансформатор тока мы можем пустить сонаправленно току вторички первого трансформатора ещё и ток вторички второго трансформатора, тогда через него будет проходить 1,28x2=2,56 Ампер. Как уже подчёркивал в схеме нет никаких серъёзных косинусов фи,практически вообще:


Размер: 83.57 KB

_________________
Здесь хранится СЕ суперавтотрансгенератор https://www.skif.biz/index.php?name=Forums&file=viewtopic&p=875842#875842 https://disk.yandex.ru/d/T_H9tIHpXVb8dw Дополненная версия с видео: https://disk.yandex.ru/d/RUQMOtXIHzRo7Q


[ответить][с цитатой] - Правка 20.10.23(18:42) - missioner
bazarov | Post: #843205 - Date: 20.10.23(22:00)
Децкий сад..... Ищем сопротивление резистора.
image

U/I=R=26.5/1.28=20.7 Ома.
Смотрим мощность выделяемую на резисторе.
Ррезистора = U*I=26.5*1.28=33,92 Вт на резисторе.
Сколько потребляет сам трансформатор
S=U*I=50*0.77=38.5 Ватт.

Потребьление больше чем лишняя мощность в нагрузке. В чём прикол?

ПС. Ну шо ты как катянё из станции юнатов, дай побухать спокойно 😕 ...

_________________
Не хватит никакого здоровья, чтобы приспособиться к этому глубоко больному обществу(Кришна Мурти)/Горшки не Боги обжигают (многовековая классика)


[ответить][с цитатой]
missioner | Post: #843206 - Date: 20.10.23(22:02)
bazarov Пост: #843205 От 20.Oct.2023 (22:00)
Децкий сад..... В чём прикол?
Прикол в синем прямоугольнике 2 в котором имеется сверхъединичная энергия и часть которой мы можем выдернуть. Тогда какой процент от этой СЕ энергий мы выдёргиваем такой же процент энергий розетки не дойдёт до резистора. Примерно... Наверно😕 😕 😕

_________________
Здесь хранится СЕ суперавтотрансгенератор https://www.skif.biz/index.php?name=Forums&file=viewtopic&p=875842#875842 https://disk.yandex.ru/d/T_H9tIHpXVb8dw Дополненная версия с видео: https://disk.yandex.ru/d/RUQMOtXIHzRo7Q


[ответить][с цитатой] - Правка 20.10.23(19:08) - missioner
bazarov | Post: #843209 - Date: 20.10.23(22:14)
Данные трансформатора дай. одного и второго. Сколько витков, какая габаритная мощность.

_________________
Не хватит никакого здоровья, чтобы приспособиться к этому глубоко больному обществу(Кришна Мурти)/Горшки не Боги обжигают (многовековая классика)


[ответить][с цитатой]
bazarov | Post: #843211 - Date: 20.10.23(22:17)
Да пофиг витки. Данные по напряжению обмоток хотя бы дай. Сам всё посчитаю.

_________________
Не хватит никакого здоровья, чтобы приспособиться к этому глубоко больному обществу(Кришна Мурти)/Горшки не Боги обжигают (многовековая классика)


[ответить][с цитатой]
missioner | Post: #843212 - Date: 20.10.23(22:19)
bazarov Пост: #843209 От 20.Oct.2023 (22:14)
Данные трансформатора дай. одного и второго. Сколько витков, какая габаритная мощность.
По конкретно трансформатору из ссылки к Токареву. По трансформатору из моего видео представь сам,по 220 витков плюс дополнительно наматывал сверху для получения разностного напряжения. На видео
YouTube: Смотреть видео
всё показано,написано

_________________
Здесь хранится СЕ суперавтотрансгенератор https://www.skif.biz/index.php?name=Forums&file=viewtopic&p=875842#875842 https://disk.yandex.ru/d/T_H9tIHpXVb8dw Дополненная версия с видео: https://disk.yandex.ru/d/RUQMOtXIHzRo7Q


[ответить][с цитатой] - Правка 20.10.23(19:27) - missioner
bazarov | Post: #843213 - Date: 20.10.23(22:20)
Нихрена не понял.... И монитор как на зло двоится... Просто скажи, ТР1 и ТР2 у тебя одинаково намотаны?

_________________
Не хватит никакого здоровья, чтобы приспособиться к этому глубоко больному обществу(Кришна Мурти)/Горшки не Боги обжигают (многовековая классика)


[ответить][с цитатой]
missioner | Post: #843214 - Date: 20.10.23(22:23)
bazarov Пост: #843213 От 20.Oct.2023 (22:20)
Нихрена не понял.... И монитор как на зло двоится... Просто скажи, ТР1 и ТР2 у тебя одинаково намотаны?
Вот ты о чём... Последняя схема требует воплощения в металле,ещё не сделана,нужен второй транс. Скоро надеюсь проверю, но тогда надо будет ещё один транс тока делать

_________________
Здесь хранится СЕ суперавтотрансгенератор https://www.skif.biz/index.php?name=Forums&file=viewtopic&p=875842#875842 https://disk.yandex.ru/d/T_H9tIHpXVb8dw Дополненная версия с видео: https://disk.yandex.ru/d/RUQMOtXIHzRo7Q


[ответить][с цитатой]
bazarov | Post: #843215 - Date: 20.10.23(22:27)
missioner Пост: #843214 От 20.Oct.2023 (22:23)
bazarov Пост: #843213 От 20.Oct.2023 (22:20)
Нихрена не понял.... И монитор как на зло двоится... Просто скажи, ТР1 и ТР2 у тебя одинаково намотаны?
Вот ты о чём... Последняя схема требует воплощения в металле,ещё не сделана,нужен второй транс. Скоро надеюсь проверю, но тогда надо будет ещё один транс тока делать
Не, ну ты молодец.... Я тут моследний мозжечёк напрягаю как решить задачу с шестью неизвестными, а ты картинки пустые с замерами рисуешь... Я и вторую твою задачу могу решить и посчитать. А толку считать того чего нет?

И запомни. Если получится КПД до 200% - выбрось в мусорку. Для СЕ планка не менее 300%. И тогда ни один МСН не сможет доказать что ты дурак. И смысл прост. С косинусами фи и прочим ты не знаком. И если получится кпд 300% то по расчётам это конкретно СЕ. А всё что ниже 200% на помойку. Я так делал. Просто и время экономит.

_________________
Не хватит никакого здоровья, чтобы приспособиться к этому глубоко больному обществу(Кришна Мурти)/Горшки не Боги обжигают (многовековая классика)


[ответить][с цитатой]
missioner | Post: #843216 - Date: 20.10.23(22:30)
bazarov Пост: #843215 От 20.Oct.2023 (22:27)
Не, ну ты молодец.... Я тут моследний мозжечёк напрягаю как решить задачу с шестью неизвестными, а ты картинки пустые с замерами рисуешь.
Картинки в которых использован только один трансформатор не пустые а сделанные на основе реальных опытов, ты же видишь фото опытов Токарева и на видео мой опыт. Просто я сегодня придумал как можно СЕ вытащить и сразу нарисовал как нужно схему переделать.

_________________
Здесь хранится СЕ суперавтотрансгенератор https://www.skif.biz/index.php?name=Forums&file=viewtopic&p=875842#875842 https://disk.yandex.ru/d/T_H9tIHpXVb8dw Дополненная версия с видео: https://disk.yandex.ru/d/RUQMOtXIHzRo7Q


[ответить][с цитатой] - Правка 20.10.23(19:33) - missioner
bazarov | Post: #843217 - Date: 20.10.23(22:36)
Неправильно. Трансформатор по передаче от силы 0,85 по передаче энергии имеет. На резисторе напряжение упадёт. Не забывай про КПД передачи. Всегда считай что передаточное число трансформатора не выше 90%, и чем меньше габаритная мощность трансформатора тем ниже КПД. У китайских адаптеров до 20Вт КПД вообще выше 80 не поднимается.

_________________
Не хватит никакого здоровья, чтобы приспособиться к этому глубоко больному обществу(Кришна Мурти)/Горшки не Боги обжигают (многовековая классика)


[ответить][с цитатой]
missioner | Post: #843218 - Date: 20.10.23(22:41)
bazarov Пост: #843217 От 20.Oct.2023 (22:36)
Неправильно. Трансформатор по передаче от силы 0,85 по передаче энергии имеет. На резисторе напряжение упадёт. Не забывай про КПД передачи. Всегда считай что передаточное число трансформатора не выше 90%, и чем меньше габаритная мощность трансформатора тем ниже КПД. У китайских адаптеров до 20Вт КПД вообще выше 80 не поднимается.
Ну ты же видишь что в опыте Токарева передалось 88 процентов. Но по пути из ниоткуда появилось и туда же в прорву ушло почти в два раза больше мощности чем приходило из розетки, 59,42 Ватта. Всё,я пошёл спать. Сил не осталось вас к светлому будущему тащить...

_________________
Здесь хранится СЕ суперавтотрансгенератор https://www.skif.biz/index.php?name=Forums&file=viewtopic&p=875842#875842 https://disk.yandex.ru/d/T_H9tIHpXVb8dw Дополненная версия с видео: https://disk.yandex.ru/d/RUQMOtXIHzRo7Q


[ответить][с цитатой] - Правка 20.10.23(19:47) - missioner
bazarov | Post: #843219 - Date: 20.10.23(22:43)
Чем выше мощность трансформатора тем выше КПД.

_________________
Не хватит никакого здоровья, чтобы приспособиться к этому глубоко больному обществу(Кришна Мурти)/Горшки не Боги обжигают (многовековая классика)


[ответить][с цитатой]
ФEME | Post: #843221 - Date: 20.10.23(23:07)
bazarov Пост: #843205 От 20.Oct.2023 (22:00)
Потребьление больше чем лишняя мощность в нагрузке. В чём прикол?

Базаров, там в петле связи мощность большая гуляет. На стимуляторе раньше разбирали похожую схему. Вопрос как мощу оттуда изъять не нарушив коэфициент связи?

[ответить][с цитатой]
bazarov | Post: #843224 - Date: 20.10.23(23:17)
Нет там мощи. Это просто реактивная энергия.

Поясню. В электротехнике есть реактивная и активная энергия. Реактивная запасается активная тратится. В механике потенциальная и кинетическая. Смысл тот же. В том же колебательном контуре запасается реактивная энергия. Но потратить больше чем запасли не сможем.

_________________
Не хватит никакого здоровья, чтобы приспособиться к этому глубоко больному обществу(Кришна Мурти)/Горшки не Боги обжигают (многовековая классика)


[ответить][с цитатой]
edvid | Post: #843232 - Date: 21.10.23(01:25)
bazarov Пост: #843224 От 20.Oct.2023 (23:17)
Нет там мощи. Это просто реактивная энергия.

Поясню. В электротехнике есть реактивная и активная энергия. Реактивная запасается активная тратится. В механике потенциальная и кинетическая. Смысл тот же. В том же колебательном контуре запасается реактивная энергия. Но потратить больше чем запасли не сможем.

///////////////////////////
Однако, запасая энергию малой мощностью, можно выполнить работу с большой мощностью. Например, работая молотком или вырубным прессом...


[ответить][с цитатой]
ФEME | Post: #843235 - Date: 21.10.23(02:13)
bazarov Пост: #843224 От 20.Oct.2023 (23:17)
Реактивная запасается активная тратится.

Запасается она в электродинамике своеобразно- легко до "разноса". Лучше не с механикой здесь сравнивать а с цепной реакцией в ядерной физике. А тогда, чисто "управляемый разнос".

[ответить][с цитатой]
Antek | Post: #843238 - Date: 21.10.23(08:20)
edvid Пост: #843232 От 21.Oct.2023 (01:25)
bazarov Пост: #843224 От 20.Oct.2023 (23:17)
Нет там мощи. Это просто реактивная энергия.

Поясню. В электротехнике есть реактивная и активная энергия. Реактивная запасается активная тратится. В механике потенциальная и кинетическая. Смысл тот же. В том же колебательном контуре запасается реактивная энергия. Но потратить больше чем запасли не сможем.

///////////////////////////
Однако, запасая энергию малой мощностью, можно выполнить работу с большой мощностью. Например, работая молотком или вырубным прессом...

Наконец,то начинает доходить некоторым,что не сильно прижимая спичку к коробку огня не зажечь и машину на дохлом акуме не завести.😎

_________________
А вы друзья как не садитесь-все в музыканты не годитесь.


[ответить][с цитатой]
missioner | Post: #843241 - Date: 21.10.23(10:22)
edvid Пост: #843232 От 21.Oct.2023 (01:25)
bazarov Пост: #843224 От 20.Oct.2023 (23:17)
Нет там мощи. Это просто реактивная энергия.

Поясню. В электротехнике есть реактивная и активная энергия. Реактивная запасается активная тратится. В механике потенциальная и кинетическая. Смысл тот же. В том же колебательном контуре запасается реактивная энергия. Но потратить больше чем запасли не сможем.

///////////////////////////
Однако, запасая энергию малой мощностью, можно выполнить работу с большой мощностью. Например, работая молотком или вырубным прессом...
В новой схеме о которой речь нет накопления энергий за счёт работы малой мощностью.Так же как нет и резонансного её накопления. Мощность превышающая поступившую из розетки на синем участке 2 в ней проходит одновременно с розеточной из синего участка 1.Без периода накопления и резкого сброса энергий. Поставь на эти участки измерители мощности и я уверен что они покажут реально проходящую по ним активную мощность которая указана на рисунке в соответствующих синих прямоугольниках.Ну разве что с минимальной коррекцией за счёт потерь во втором трансформаторе.


Размер: 44.55 KB

_________________
Здесь хранится СЕ суперавтотрансгенератор https://www.skif.biz/index.php?name=Forums&file=viewtopic&p=875842#875842 https://disk.yandex.ru/d/T_H9tIHpXVb8dw Дополненная версия с видео: https://disk.yandex.ru/d/RUQMOtXIHzRo7Q


[ответить][с цитатой] - Правка 21.10.23(08:01) - missioner
dedivan | Post: #843244 - Date: 21.10.23(12:07)
missioner Пост: #843241 От 21.Oct.2023 (10:22)
Поставь на эти участки измерители мощности

Ну вот, уже успех, про мощность начал понимать.
Но школьники начинают осваивать науку с работы.
и я уверен что они покажут

А вот это лучше проверить, поставить опыт, и потом быть в чем то уверенным. Может быть в чем то другом будешь уже уверенным.

_________________
я плохого не посоветую


[ответить][с цитатой]
<] [ 1 | ... 33 | 34 | 35 | 36 | 37 | 38 | 39 | 40 | 41 | 42 | 43 | 44 | 45 | 46 | 47 | 48 | 49 | 50 | 51 | 52 | 53 | ... | 58 ] [>

Форма ответа

😊 😛 😕 😀 😬 😎 🤔 😘 😕 🥴 😏 😶 😡 🙄 😭 😈 🤢 🤮 😁 😨 🤬 😝
Добавить файл: ≤ 1.95 MB
Описание файла:
Можно загружать только - jpg, jpeg, png, gif, pdf, doc, docx, zip
Если картинка больше чем 600х600, то отобразится ссылкой.
Форум - Резонансные генераторы - Прочие резонансные генераторы - Действующий(?) трансгенератор - Стр 43

🏠 Главная | 📚 Содержание | 💬 Форум | 📁 Файлы | 📩 Контакт