[ВХОД]
26.04.26(02:08)

skif.biz

Альтернативная энергия. Оставь надежду, всяк сюда входящий...

🏠 Главная | 📚 Содержание | 💬 Форум | 📁 Файлы | 📩 Контакт
 
Резонансные генераторы
Магнитные генераторы
Механические центробежные (вихревые) генераторы
Электростатические генераторы
Водородные генераторы
Ветро- и гидро- и солнечные генераторы
Прочие идеи (разные)
О форуме
Транспорт
Оружие
Научные идеи, теории, предположения...
Экономия топлива
Коммерческие вопросы
Струйные технологии
Торсионные генераторы
Новые технологии
Барахолка
Патентный отдел
Конструкторское бюро
Нейтронная физика
Торнадо и смерчи
Гравитация и антигравитация
Сделай сам. Советы.
Медицина и здравоохранение

📱 | 🖨️

Форум - Резонансные генераторы - Резонанс Мельниченко - Нуль-генератор по методу профессора Барвшенкова. - Стр:1
[ 1 | 2 | 3 ] [>
Модератор: ВладимирК14
ВладимирК14 | Post:88718 - Date: 15.11.07(22:00)
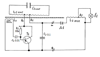
Может ли кто имеющий хороший опыт по настройке резонансных систем, помочь запустить в работу эту схемку.Вроде всё убедительно, и у автора похоже работало.
e140fb.doc
Размер: 772.50 KB

mibor | Post:88720 - Date: 15.11.07(22:12)
А за что Анквича переименовали в Барашенкова?
С ув.

Well | Post:88726 - Date: 15.11.07(22:49)
ВладимирК14 Пост: 88718 От 15.Nov.2007 (22:00)
Может ли кто имеющий хороший опыт по настройке резонансных систем, помочь запустить в работу эту схемку.Вроде всё убедительно, и у автора похоже работало.
Точно убедительно, валяй экспериментируй, точи ферриты, ВЧ генераторы запускай.😎 Юмор это, кому-то делать было нечего и накрапал несколько листов около-технического бреда, а щас туча народу налетит для обгладывания это утки. Успехов и разочарований.😭

ВладимирК14 | Post:88765 - Date: 16.11.07(11:12)
mibor Пост: 88720 От 15.Nov.2007 (22:12)
А за что Анквича переименовали в Барашенкова?
С ув.


Незнаю. Просто я переписал слово в слово писмо которое мне отдал один знакомый - он переписывался с изобретателем из Новосибирска, но т.к. сам в таких тонкостях неразбирался - то отдал его мне.

ВладимирК14 | Post:88766 - Date: 16.11.07(11:18)
Well Пост: 88726 От 15.Nov.2007 (22:49)
ВладимирК14 Пост: 88718 От 15.Nov.2007 (22:00)
Может ли кто имеющий хороший опыт по настройке резонансных систем, помочь запустить в работу эту схемку.Вроде всё убедительно, и у автора похоже работало.
Точно убедительно, валяй экспериментируй, точи ферриты, ВЧ генераторы запускай.😎 Юмор это, кому-то делать было нечего и накрапал несколько листов около-технического бреда, а щас туча народу налетит для обгладывания это утки. Успехов и разочарований.😭



А какой смысл шутить - если это взято из личной переписки одного моего знакомого, который даже небыл радиотехником?
Тем более что затрат больших нет.
Вопрос только как всё это проверить на практике? В смысле настройки на резонанс? Насколько я смог понять, автор подводит к тому же что и делал Тесла - на резонанс с ЭМП Земли?

Fema | Post:88780 - Date: 16.11.07(13:22)
Два альтернативных варианта исправления схемы генератора, что бы стабильнее запускался, а иначе так как представлено на оригинале нет нормального смещения на базе транзистора, что затрудняло начальный запуск.


Размер: 15.50 KB


Размер: 13.50 KB

zvezda | Post:88796 - Date: 16.11.07(14:26)
Работать в любом случае будет, вот будет ли се, повторить не составит труда, проблема лиш в плоских феритовых стержнях,и можно ли это на круглых забацать,,,

Fema | Post:88799 - Date: 16.11.07(14:36)
Мое предположение, что можно попробовать из ферритового кольца сделать, только взять кольцо побольше диаметром, что бы длина магнитной линии была подлиннее и обточить его как на рисунке. А что бы повысить добротность контура, мотать его жгутом-лицендратом


Размер: 5.25 KB

vodoprovodchik | Post:88802 - Date: 16.11.07(14:50)
Фсё , млин ...приехали... к Ф- машине...

Ну, а вообще ? хто нибудь получал что нибудь именно из-за наличия зазора ? ( зазор в одноходовиках , -ТВС, однотактные усилители,- не в счёт )


KomX | Post:88806 - Date: 16.11.07(15:07)
И чо городят?!

В оригинале "пучек" магнитного поля, хошь-не-хошь, а должен "веером" разойтись и замкнуться на сердечник. Fema же "путает след", предлагая нам скончентрированный "магнитный луч" на обточенном со всех концов круглом сердечнике... И качерный вариант схемы ему не нравится!

_________________
KomX - это комикс (история в картинках) или ком(приходить) икс(к неизвестному)... (Well)


DED | Post:88845 - Date: 16.11.07(18:26)
Нет, никто ничего от этой схемы раньше не получал.
И не получит. Это действительно новая перепевка по Анквичу.
Если это из переписьки "народного" профессора, то Чимбик по сравнению с ним - акдемик!

AS | Post:88945 - Date: 17.11.07(17:57)
А вобще кто нибудь эту схему пробывал собрать.

Как я понел из переписки с Анквечом то магнитное поле которое выходит с торца гораздо больше чем на переферии и вторичная катушка не оказывает влияния на первичную из своих геометрических размеров.

Что подкупает то что Анквич говорил что не только физика определяет параметы но и геометрия. Может этой здравой мысли нехватает для СЕУ.

_________________
Да прибудет с Вами сила ...


ВладимирК14 | Post:89054 - Date: 18.11.07(19:54)
Ребята, я вот слышу Анквич да Анквич, а у него-то самого хоть какой-нибудь настольный образец работает? - или всё так теоретические рассуждения типа "Если бы да кабы..."
А та схемка которую я выложил на форум - я ведь только прошу помочь протестировать её на работоспособность, у кого есть технические возможности, опыт и заинтересованность.
Просто сколько я посещал сайты на тему свободной энергии - ни одной конкретной схемы нигде небыло, а тут хоть что-то конкретное, может лучше вместо дискуссий хотябы попробовать, пусть маловероятное, ну а вдруг?

Fema | Post:89056 - Date: 18.11.07(20:29)
Про теорию Анквича:
75cf31.rar
Размер: 119.54 KB

zvezda | Post:89103 - Date: 19.11.07(09:13)
ВладимирК14 Пост: 89054 От 18.Nov.2007 (19:54) Да мне самому интересно его повторить,тут 2 часа работы, оббегал всех друзей радиолюбителей в поисках плоских феритовых стержней- пока ни одного не нашлиююю😕

zawas | Post:89107 - Date: 19.11.07(10:17)
ВладимирК14 Пост: 89054 От 18.Nov.2007 (19:54)
Ребята, я вот слышу Анквич да Анквич, а у него-то самого хоть какой-нибудь настольный образец работает? - или всё так теоретические рассуждения типа "Если бы да кабы..."
А та схемка которую я выложил на форум - я ведь только прошу помочь протестировать её на работоспособность, у кого есть технические возможности, опыт и заинтересованность.
Просто сколько я посещал сайты на тему свободной энергии - ни одной конкретной схемы нигде небыло, а тут хоть что-то конкретное, может лучше вместо дискуссий хотябы попробовать, пусть маловероятное, ну а вдруг?


Здравствуйте ВладимирК14.
Вот мое личное мнение к "НУЛЬ-ГЕНЕРАТОРУ".
1.У Анквича отношение L/r используется как соотношение для круглых элементов.
2. В нуль-генераторе используется отношение обьмов, см Мельниченко, примерно составляет 100 раз.

94024848 Генератор электроэнергии
(11) Номер публикации 94024848 (13) Вид документа A1 (14) Дата публикации 1996.07.27 (19) Страна публикации RU (21) Регистрационный номер заявки 94024848/25 (22) Дата подачи заявки 1994.07.01 (43) Дата публикации заявки 1996.07.27 (516) Номер редакции МПК 6 (51) Основной индекс МПК H02N11/00 (71) Имя заявителя Бутузов С.Ю. (71) Имя заявителя Мельниченко А.А. (72) Имя изобретателя Бутузов С.Ю. (72) Имя изобретателя Мельниченко А.А.
Устройство позволяет вырабатывать электроэнергию в автономном режиме без использования углеводородного топлива. Генератор представляет собой разнотолщинный ферритовый сердечник с обмотками из медного провода, т.е. отношение объемов обмоток (V1/V2)>>1. При работе генератора во вторичной цепи выделяется мощность Р2 = (V1/V2)P1, причем V1>V2. Таким образом, часть мощности, равная Р1, направляется обратно в первичную цепь, а часть, равная (V1/V2 - 1)Р1, направляется к потребителям электроэнергии
3.Эта схема ближе к Мельниченко.
4.КПД генератора 40% получить реально.
5. Добротность контура L1 более 50 получается легко.
6.Схема генератора работоспособна, нужно только базовую обмотку правильно сфазировать.
7.Детекторный диод на 1 МГц найти трудно, но легче сделать его из транзистора, тут автор прав.
8.Получить 2В/виток в L1 не сложно, при этом напряжение на L1>100в.
9.Единственное, надо проверять получение 1/3виток/вольт на L2.
10. Расчет баланса энергий приведен правильно.
11. Ошибка в том, что автор делит метры на герцы. Посчитайте кратность частоты 7,5 Гц с учетом числа Фибоначи.
С уважением….

_________________
А что будет, если....


ВладимирК14 | Post:89115 - Date: 19.11.07(11:14)
ВладимирК14 Пост: 89054 От 18.Nov.2007 (19:54) Да мне самому интересно его повторить,тут 2 часа работы, оббегал всех друзей радиолюбителей в поисках плоских феритовых стержней- пока ни одного не нашли...



Такие ферриты раньше ставили в простейшие радиоприёмники типа Selga и другие - малогабаритные. Неужели такие ферриты уже не производятся?
Помнится в середине восьмидесятых продавались радиоконструкторы для юношества - они тоже комплектовались такими ферритами.
Есть ли в вашем городе есть какой-нибудь радиорынок или типа барахолки, где можно какие-нибудь старые радиоприёмники найти?
Насколь сейчас помню - в Selge точно такие ферриты стояли.


JohnZ | Post:89119 - Date: 19.11.07(12:15)
Объясните плз кто ни-ить вот это:
ωL1-2 – это отношение ЭДС первичной обмотки к току вторичной .
ωL2-1 - это отношение ЭДС вторичной обмотки к току первичной.
Чёт раньше такого не встречал. Судя по описанию, это реактивное (XL) _между_ катушками (через поле) !? Насколько это корректно ?

И чё упираться именно в плоские ферриты ? У Теслы есть патент на коническую катушку, может это из той оперы. Плоские стержни взяты вероятно для простоты обработки. IMHO, для пробы можно и без феррита, но соблюсти геометрию. ... и поля сделать встречными, по Мельниченко.

Удачи !


JohnZ | Post:89120 - Date: 19.11.07(12:17)
Sorry. Дубль. К удалению.

AS | Post:89121 - Date: 19.11.07(12:23)
Дык так не имеет значение какой феррит плоский или круглый главное чтобы соотношение L к r выполнялось плюс расположенеие катушек.

_________________
Да прибудет с Вами сила ...


zvezda | Post:89910 - Date: 26.11.07(17:47)
ПРОВЕРИЛ НА круглом ферите от океана, диаметр 10мм, сточил на его к требуемой форме 6на 6 мм носик ,дальше все по описанию,генератор генерит,вторичка на самом стержне работает как и положено трансу, а вот если как у автора рядом с конусом да ламповый вольтметр еле секет миливольты на выходе, генератор перестраивал с 0,5 мгц до 1,6 мгц, так что либо это лажа, либо всетаки нужны плоские фериты,,,зато с противоположной стороны, где не сточено под конус, пару вольт имеется,конечно с большими потерями,так что круглые фериты не идут, брал еще батарею броневых сердечников, склеил их вместе, получил штырь диаметр 3 см, длина 20см,тот же конус на конце, опять мало,так что с круглыми феритами пролет,а прямоугольных пока не нашел,,😘

Maniak | Post:89912 - Date: 26.11.07(17:57)
да уж - большая разница круглые, квадратные... если уже не пашет так не пашет не в феррите тут дело.

mibor | Post:89921 - Date: 26.11.07(19:11)
П равда этот "трансгенератор" Анквича я проверял давно.
Но и у меня был тот же результат.
С уважением.

ВладимирК14 | Post:89925 - Date: 26.11.07(20:52)
Да, жаль конечно, тут напрашивается вывод, что либо чтото недосказано, как и делают большинство авторов, либо попробовать максимально точно воспроизвести сердечник, возможно геометрия и пропорции могут всёж оказывать действие более важное чем мы думаем????

AS | Post:89928 - Date: 26.11.07(21:07)
Так и есть геометрия определяет Все.
Предлагаю Zvezde провести еще один эксперемент не стачивать ферит под конус мне кажется это не нужно главное катушку сделать меньше ферритового стержня и поднести с торца.

Да и еще слышал что автар специально поменял местами катушки первичку со вторичкой. Если не сложно поменяйте их местами.

Может что нибудь да получится...😶

_________________
Да прибудет с Вами сила ...


[ 1 | 2 | 3 ] [>
У Вас нет прав отвечать в этой теме.
Форум - Резонансные генераторы - Резонанс Мельниченко - Нуль-генератор по методу профессора Барвшенкова. - Стр 1
🏠 Главная | 📚 Содержание | 💬 Форум | 📁 Файлы | 📩 Контакт