[ВХОД]
29.04.26(05:31)

skif.biz

Альтернативная энергия. Оставь надежду, всяк сюда входящий...

🏠 Главная | 📚 Содержание | 💬 Форум | 📁 Файлы | 📩 Контакт
 
Резонансные генераторы
Магнитные генераторы
Механические центробежные (вихревые) генераторы
Электростатические генераторы
Водородные генераторы
Ветро- и гидро- и солнечные генераторы
Прочие идеи (разные)
О форуме
Транспорт
Оружие
Научные идеи, теории, предположения...
Экономия топлива
Коммерческие вопросы
Струйные технологии
Торсионные генераторы
Новые технологии
Барахолка
Патентный отдел
Конструкторское бюро
Нейтронная физика
Торнадо и смерчи
Гравитация и антигравитация
Сделай сам. Советы.
Медицина и здравоохранение

📱 | 🖨️

Форум - Резонансные генераторы - Прочие резонансные генераторы - ТРАНСГЕНЕРАТОР ГРОМОВА Н Н - Стр:1
[ 1 | 2 | 3 ] [>
Модератор: XEL
XEL | Post:99263 - Date: 03.02.08(14:01)
Среди трансгенераторов , которые можно найти в сети, на мой взгляд, наиболее простым и понятным является трансгенератор Н.Н.Громова, который он описал в прилагаемом файле. Как стало известно, к величайшему сожалению Н.Н.Громов умер 22 ноября от остановки сердца.
Возможно, кто-нибудь уже пытался повторить этот трансгенератор Громова и может поделиться своим удачным (или неудачным опытом),
,например, как должен быть согласован выход мультивибратора Роэра со
входом трансформатора (по мощности, по току или по напряжению ?),
какими приёмами удаётся подавить влияние нагрузки на первичную обмотку трансформатора, как подсчитать КПД трансгенератора?


5508e3.pdf
Размер: 106.88 KB

Metronom | Post:99281 - Date: 03.02.08(17:20)
**Возможно, кто-нибудь уже пытался повторить этот трансгенератор Громова и может поделиться своим удачным (или неудачным опытом),**

Есть токой, zvezdъ зовут, ему удалось зациклить трансгенератор
на некоторое время больше минуты.

все опыты лежат в теме НЕГ.


Размер: 17.04 KB

_________________
** АДНАЗНАЧНА!


Metronom | Post:99283 - Date: 03.02.08(17:32)


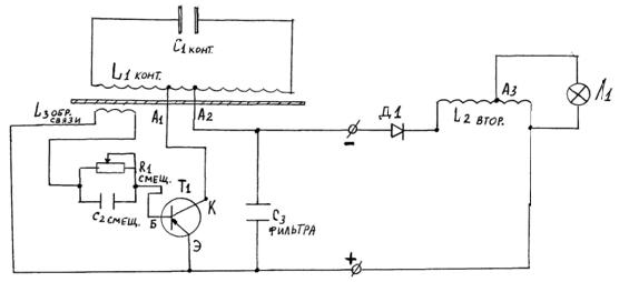
*zvezda****.сердечник нужен от твс телека, второе частота накачки 10гц,резонанс первички 20кгц,и все нормально работает,витки 30 на 30 пэл08, между сердечником прокладка транс бумага,при нормальной работе сердечник тикает как часы,на вторичке смотреть осцилом красивая затухающая синусоида.**********

ну короче ,это так для ориентировки. толщину провода, желательно взять ещё толще. ** вот схема ,снизу , смотри как контур
лучше подключить.


Размер: 15.21 KB

_________________
** АДНАЗНАЧНА!


Metronom | Post:99284 - Date: 03.02.08(17:43)
*******например, как должен быть согласован выход мультивибратора Роэра со
входом трансформатора (по мощности, по току или по напряжению ?),
какими приёмами удаётся подавить влияние нагрузки на первичную обмотку трансформатора, как подсчитать КПД трансгенератора?*****

два поста выше, наверно не совсем в тему.
но сначала надо бы(для любой схемы)добится чтоб на выходе на нагрузке было больше мощи,чем на входе. а потом естественно подмотать
вторичную так чтоб она, выдавала немного больше напряжения чем требуется для питания генератора.
*****************************
где то в этой статье было, про согласование
[ссылка]

В.А.Ацюковский
Трансформатор Тесла: Энергия из эфира
*****************************
это я нарисовал, интуитивно(примерно)




Размер: 13.78 KB

_________________
** АДНАЗНАЧНА!


Metronom | Post:99287 - Date: 03.02.08(18:07)
***какими приёмами удаётся подавить влияние нагрузки на первичную обмотку трансформатора, как подсчитать КПД трансгенератора?*****

ну во первых, под вторичную, надо подкладывать алюминиевый экран(незамкнутый! каркас), во вторых между сердечниками должен быть зазор. в третьих , сердечникоВ со вторичкой может быть, а может и надо, много. (снизу пример для стержней)



Размер: 7.12 KB

_________________
** АДНАЗНАЧНА!


MSN | Post:99310 - Date: 03.02.08(20:44)
Работа "трансгенератор" Н.Н. Громова является чисто теоретической, у автора НИКОГДА не было работающего экземпляра.

_________________
Говорите говорите, я всегда зеваю когда мне интересно. 99,9% всех СЕ устройств, - от неправильных измерений


KBL | Post:99327 - Date: 03.02.08(22:20)
MSN | Post: 99310 - Это не подвергается сомнению.
Вопрос в другом - насколько и в какой частью теоретическая проработка может быть применена на практике.
Я пробовал несколько вариантов организации обратной связи с первичной обмоткой с целью уменьшения влияния. Все варианты базировались на введении емкостной составляющей в полное сопротивление как вторичной так и первичной обмоток.
В ссылке XEL Post: 99263 приведена схема где нет источника, а это очень важно – взаимодействие первичного и вторичного источников. Это можно понять только взорвав несколько девайсов.

_________________
Мало кто знает как много надо знать, что бы знать, как мало мы знаем.


XEL | Post:99329 - Date: 03.02.08(22:30)
*****MSN | Post: 99310 - Date: Mon Feb 04, 2008 3:44 am
Работа "трансгенератор" Н.Н. Громова является чисто теоретической, у автора НИКОГДА не было работающего экземпляра.

В том то и дело, что Н.Н.Громов завершает свою статью фразой:
"Никаких сверхъестественных явлений при раблте трансгенератора не наблюдается". Значит, БЫЛ экземпляр, за которым "наблюдали"?



dedivan | Post:99330 - Date: 03.02.08(22:36)
А вы знаете что бывают трансформаторы у которых при одинаковом
числе витков первички и вторички, напряжение во вторичке
в несколько раз больше чем в первичке?
Это без резонансов и прочего- чистый трансформатор.

_________________
я плохого не посоветую


олег-джан | Post:99332 - Date: 03.02.08(22:50)
"А вы знаете что бывают трансформаторы"Ну и как это делается?С уважением.Олег

_________________
Обьективная реальность-бред,вызванный недостатком алкоголя в крови...


KBL | Post:99334 - Date: 03.02.08(22:53)
Это делается пока безуспешно. Но надежда...

_________________
Мало кто знает как много надо знать, что бы знать, как мало мы знаем.


KBL | Post:99354 - Date: 04.02.08(01:55)
dedivan |
Post: 99330 - Date: Sun Feb 03, 2008 9:36 pm А вы знаете что бывают трансформаторы у которых при одинаковом
числе витков первички и вторички, напряжение во вторичке
в несколько раз больше чем в первичке?...
Простите прохлопал ушами. Но я не вспомнил таких примеров. Если не сложно, пример.

_________________
Мало кто знает как много надо знать, что бы знать, как мало мы знаем.


proggi | Post:99355 - Date: 04.02.08(01:58)
dedivan Пост: 99330 От 03.Feb.2008 (22:36)
А вы знаете что бывают трансформаторы у которых при одинаковом
числе витков первички и вторички, напряжение во вторичке
в несколько раз больше чем в первичке?
Это без резонансов и прочего- чистый трансформатор.

Мож там диод стоит?

Все равно импульсный должен быть, ну и диод должен быть.

dedivan | Post:99370 - Date: 04.02.08(09:18)
KBL Пост: 99334 От 03.Feb.2008 (22:53)
Это делается пока безуспешно. Но надежда...


Нет, я про классику, что давно уже есть, и что обязательно нужно знать. Прежде чем....

_________________
я плохого не посоветую


dedivan | Post:99379 - Date: 04.02.08(10:02)
Ну смотри, должен будешь.

Это просто.

Для примера обычный транс на Ш железе.
На боковых кернах мотаешь по 10 витков и соединяешь последовательно
- это будет первичка - 20 витков
На центральный керн мотаешь 20 витков. это вторичка.
Напряжение на ней будет в два раза больше чем на первичке.

Если сделать крестик из четырех боковых сердечников то
будет транс с повышением в 4 раза и т.д.

_________________
я плохого не посоветую


Владимир64 | Post:99391 - Date: 04.02.08(10:51)
А с током что будет? упадет в два раза?

dedivan | Post:99393 - Date: 04.02.08(11:02)
Намотай, проверь, будешь приятно удивлен😶

_________________
я плохого не посоветую


zvezda | Post:99395 - Date: 04.02.08(11:18)
Делал и генератор Громова, и вторую схемку, оба девайса в макетах сохранены работают как и описывал, сверх еденицы нет,пока нет,,,😨

Metronom | Post:99409 - Date: 04.02.08(12:18)
dedivan Пост: 99379 От 04.Feb.2008 (10:02)
Это просто.

Для примера обычный транс на Ш железе.
На боковых кернах мотаешь по 10 витков и соединяешь последовательно
- это будет первичка - 20 витков
На центральный керн мотаешь 20 витков. это вторичка.
Напряжение на ней будет в два раза больше чем на первичке.

Если сделать крестик из четырех боковых сердечников то
будет транс с повышением в 4 раза и т.д.


а ия яй,, Дед того же можно добится,, сложив провод в сКолько хочеш раз
и спаять концы и намотать🤢первичку ИМ на общем стержне🤢

_________________
** АДНАЗНАЧНА!


Metronom | Post:99411 - Date: 04.02.08(12:21)

*ВЛ*А с током что будет? упадет в два раза?

*Дед*Намотай, проверь, будешь приятно удивлен😶

таким способом только зсэ подтверждать🤢

_________________
** АДНАЗНАЧНА!


dedivan | Post:99415 - Date: 04.02.08(12:50)
Metronom
Ну вот и проверь, вместо того чтобы зубоскалить.

_________________
я плохого не посоветую


олег-джан | Post:99420 - Date: 04.02.08(13:23)
Дедушка Иван,я ж так сварку на двух латрах делал😳,тем не менее обещаньеце свое сдерживаю:---С-П-А-С-И-Б-О--!!!!!!😊

_________________
Обьективная реальность-бред,вызванный недостатком алкоголя в крови...


dedivan | Post:99422 - Date: 04.02.08(13:48)
олег-джан


Вот, а я на шести колечках делал.
Ну очень удобно, и с проводом проще.

_________________
я плохого не посоветую


генератор | Post:99930 - Date: 07.02.08(21:01)
dedivan Пост: 99379 От 04.Feb.2008 (10:02)
Ну смотри, должен будешь.

Это просто.

Для примера обычный транс на Ш железе.
На боковых кернах мотаешь по 10 витков и соединяешь последовательно
- это будет первичка - 20 витков
На центральный керн мотаешь 20 витков. это вторичка.
Напряжение на ней будет в два раза больше чем на первичке.

Если сделать крестик из четырех боковых сердечников то
будет транс с повышением в 4 раза и т.д.

Я вот тоже решил отдохнуть от своих разработок и тупо повторить ваш транс. Изготовил на двух ториодальных сердечниках и резултаты замеров меня не порадовали напряжение во вторичке действительно почти в два раза больше но ток во вторичке в два (почти) раза меньше,чем в первичке по поводу экономии провода тоже вопрос спорный ,т.к площадь центрального керна в два раза болше чем крайнего то длина одного витка вторички почти в два раза больше чем первички.
А теперь вопрос специалистам по вч технике пример:
имеем два передатчика одинаковой мощности один ламповый другой транзисторный ,в приёмной антенне будет одинаковый потенциал ?

dedivan | Post:99933 - Date: 07.02.08(21:18)
генератор по поводу экономии провода тоже вопрос спорный ,


Удобство и экономия не одно и то же.

Я имел ввиду вариант готовых катушек.
Взял 6 трансов от ламповых телевизоров, оставил по одной сетевой
катушке, сложил звездочкой, а на голых половинках толстым проводом намотал вторичку,
для сварочника. Быстрее не сделать.

_________________
я плохого не посоветую


[ 1 | 2 | 3 ] [>
У Вас нет прав отвечать в этой теме.
Форум - Резонансные генераторы - Прочие резонансные генераторы - ТРАНСГЕНЕРАТОР ГРОМОВА Н Н - Стр 1
🏠 Главная | 📚 Содержание | 💬 Форум | 📁 Файлы | 📩 Контакт